电脑桌面
添加小米粒文库到电脑桌面
安装后可以在桌面快捷访问

风力发电机电气安装质量验评及评价规程表检验批VIP免费

风力发电机电气安装质量验评及评价规程表检验批_第1页
1/25
风力发电机电气安装质量验评及评价规程表检验批_第2页
2/25
风力发电机电气安装质量验评及评价规程表检验批_第3页
3/25
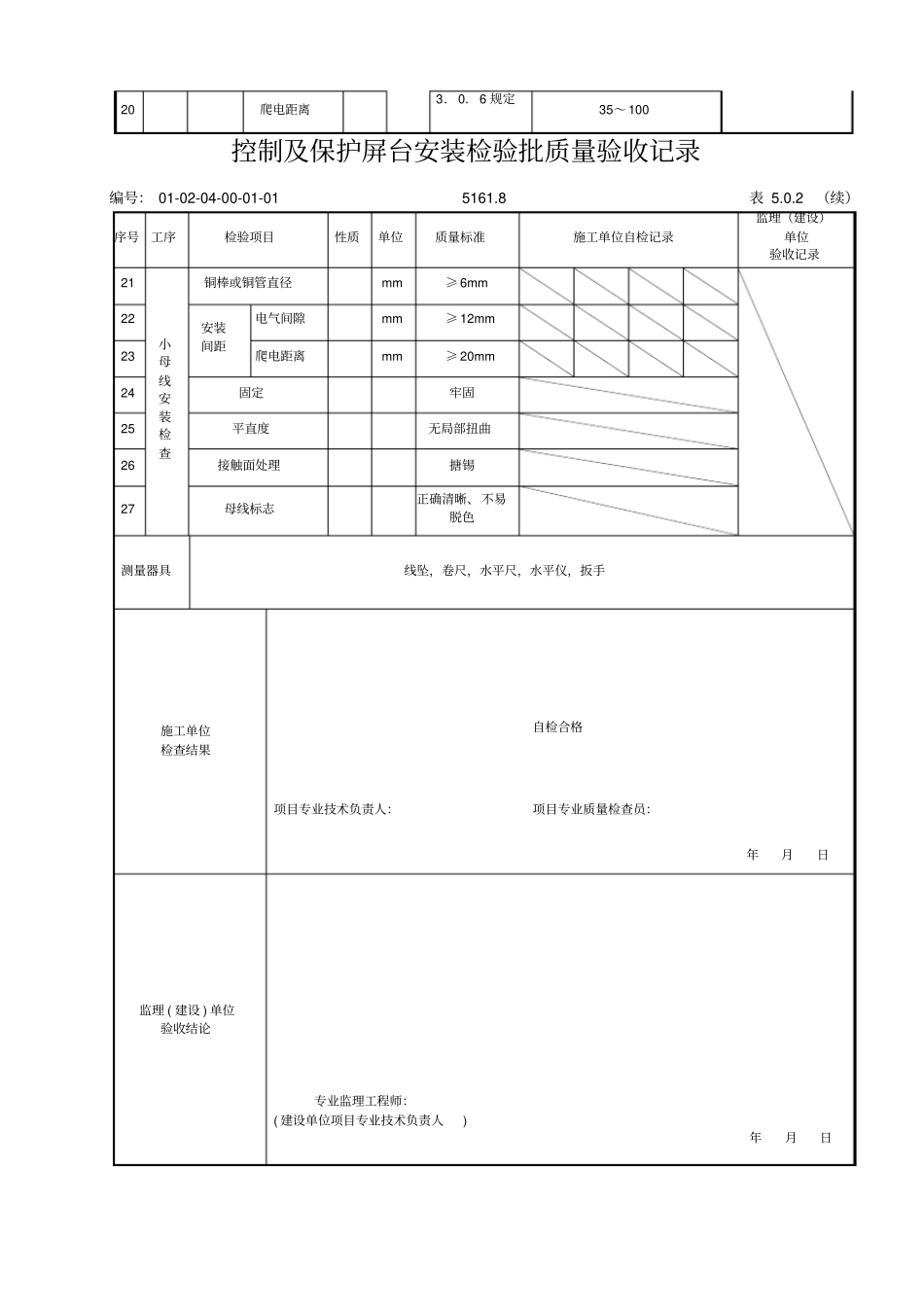
控制及保护屏台安装检验批报验申请表工程名称:华润新能源沂水一期风电项目编号:01-02-04-00-01-01致:山东恒信建设监理有限公司我单位已完成了2#风机控制及保护屏台安装工作,现上报该工程报验申请单,请予以审查和验收。附件:风机控制及保护屏台安装检验批质量验收记录施工单位(章)项目经理日期审查意见:项目监理机构(章)总/专业监理工程师日期本表一式四份,由施工单位填报,施工单位存两份;监理单位、建设单位各存一份。控制及保护屏台安装检验批质量验收记录编号:01-02-04-00-01-015161.8表5.0.2矚慫润厲钐瘗睞枥庑赖。单位(子单位)工程名称2#风力发电机组分部(子分部)工程名称风力发电机组设备安装分项工程名称风机发电机监控系统验收部位控制及保护屏台安装施工单位河北省电力建设第二工程公司项目经理田少峰施工执行标准名称及编号风力发电场施工质量验收及评价规程(第3部分--风力发电机组安装)DLT5161.1~17-2002电气装置安装工程质量检验及评定规程GB50168-2006电气装置安装工程电缆线路施工及验收规范专业工长(施工员)代帅波序号工序检验项目性质单位质量标准施工单位自检记录监理(建设)单位验收记录1屏台就位找正安装位置主要按设计规定经检验符合设计要求2垂直度误差主要mm/m<1.5mm/m10.5103水平误差相邻两盘顶部mm<2mm1011.54成列盘顶部mm<5mm5盘面误差相邻两盘边mm<lmm0010.56成列盘面mm<5mm7盘间接缝mm<2mm111.51.58屏台固定固定连接主要牢固经检查牢固可靠9紧固件检查完好、齐全、紧固经检查所有坚固件完好、齐全、牢固10紧固件表面处理镀锌使用镀锌紧固件11屏台接地底架与基础间连接主要牢固,导通良好经检查接地牢固、导通良好12有防震垫的盘接地每段盘有两点以上明显接地13装有电器可开启屏门的接地用软铜导线可靠接地14屏台设备检查盘面检查平整、齐全盘面平整、齐全15设备及附件检查主要按设计规定对照图纸所有元件齐全、完好16设备外观检查完好,无损伤外观完好、无损伤17电器元件固定牢固所有电器元件安装牢固18盘上标志正确齐全、清晰、不易脱色标志正确、清晰19安全距离电气间隙mm按GB50171—1992中表25~5020爬电距离3.0.6规定35~100控制及保护屏台安装检验批质量验收记录编号:01-02-04-00-01-015161.8表5.0.2(续)序号工序检验项目性质单位质量标准施工单位自检记录监理(建设)单位验收记录21小母线安装检查铜棒或铜管直径mm≥6mm22安装间距电气间隙mm≥12mm23爬电距离mm≥20mm24固定牢固25平直度无局部扭曲26接触面处理搪锡27母线标志正确清晰、不易脱色测量器具线坠,卷尺,水平尺,水平仪,扳手施工单位检查结果自检合格项目专业技术负责人:项目专业质量检查员:年月日监理(建设)单位验收结论专业监理工程师:(建设单位项目专业技术负责人)年月日电缆敷设检验批报验申请表工程名称:华润新能源沂水一期风电项目编号:01-02-04-00-02-01致:山东恒信建设监理有限公司我单位已完成了2#风机电缆敷设工作,现上报该工程报验申请单,请予以审查和验收。附件:电缆敷设检验批质量验收记录施工单位(章)项目经理日期审查意见:项目监理机构(章)总/专业监理工程师日期本表一式四份,由施工单位填报,施工单位存两份;监理单位、建设单位各存一份。电缆敷设检验批质量验收记录编号:01-02-04-00-02-015161.5表2.0.3聞創沟燴鐺險爱氇谴净。单位(子单位)工程名称2#风力发电机组分部(子分部)工程名称风力发电机组设备安装分项工程名称电缆验收部位电缆敷设施工单位河北省电力建设第二工程公司项目经理田少峰施工执行标准名称及编号风力发电场施工质量验收及评价规程(第3部分--风力发电机组安装)DLT5161.1~17-2002电气装置安装工程质量检验及评定规程GB50168-2006电气装置安装工程电缆线路施工及验收规范专业工长(施工员)代帅波序号工序检验项目性质单位质量标准施工单位自检记录监理(建设)单位验收记录1敷设前检查电缆型号、电压、规格及长度按设计规定符合图纸设计要求2外观检查无机械损伤电缆外观无损伤3绝缘检查主要良好>1ΩM4电缆导管畅通检查内部无积水、杂物管内无积水和杂物5内径按设计规定符合设计规定6电缆...

1、当您付费下载文档后,您只拥有了使用权限,并不意味着购买了版权,文档只能用于自身使用,不得用于其他商业用途(如 [转卖]进行直接盈利或[编辑后售卖]进行间接盈利)。
2、本站所有内容均由合作方或网友上传,本站不对文档的完整性、权威性及其观点立场正确性做任何保证或承诺!文档内容仅供研究参考,付费前请自行鉴别。
3、如文档内容存在违规,或者侵犯商业秘密、侵犯著作权等,请点击“违规举报”。

碎片内容

风力发电机电气安装质量验评及评价规程表检验批

爱的疯狂+ 关注
实名认证
内容提供者

该用户很懒,什么也没介绍

相关文档

确认删除?
VIP
微信客服
  • 扫码咨询
会员Q群
  • 会员专属群点击这里加入QQ群
客服邮箱
回到顶部