电脑桌面
添加小米粒文库到电脑桌面
安装后可以在桌面快捷访问

食品工艺学试题库套VIP免费

食品工艺学试题库套_第1页
1/21
食品工艺学试题库套_第2页
2/21
食品工艺学试题库套_第3页
3/21
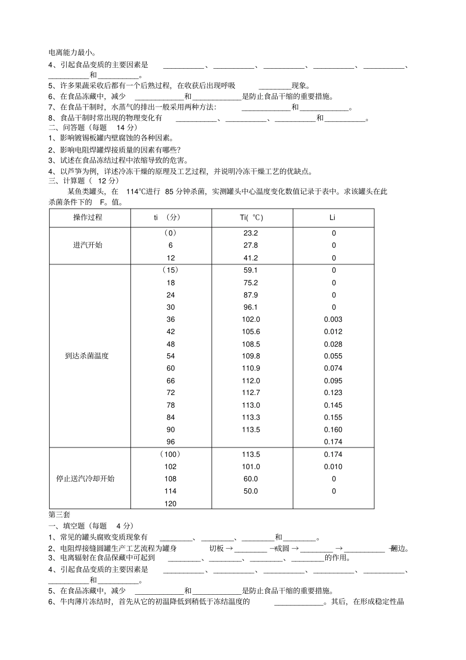
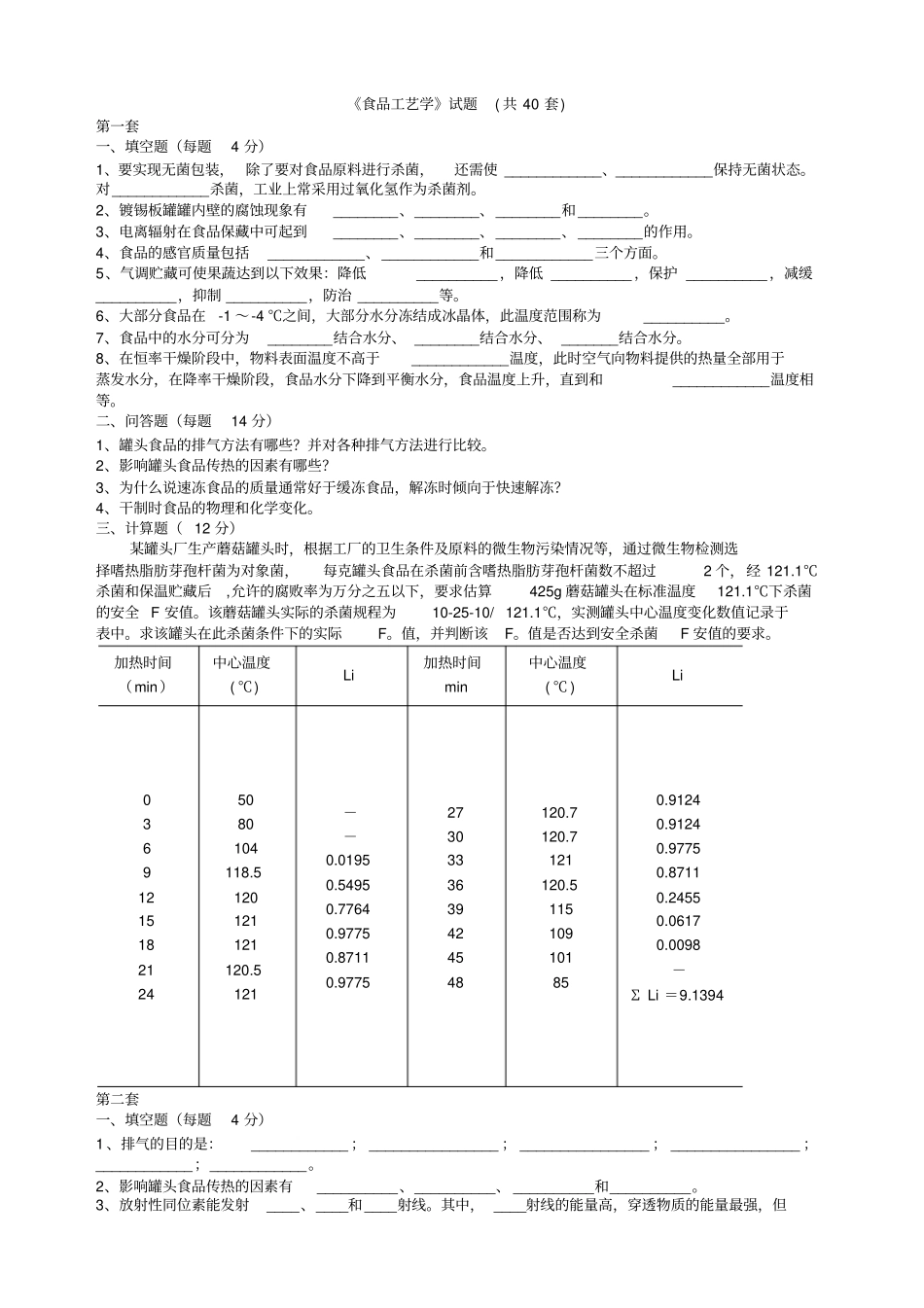
《食品工艺学》试题(共40套)第一套一、填空题(每题4分)1、要实现无菌包装,除了要对食品原料进行杀菌,还需使____________、____________保持无菌状态。对____________杀菌,工业上常采用过氧化氢作为杀菌剂。2、镀锡板罐罐内壁的腐蚀现象有________、________、________和________。3、电离辐射在食品保藏中可起到________、________、________、________的作用。4、食品的感官质量包括____________、____________和____________三个方面。5、气调贮藏可使果蔬达到以下效果:降低__________,降低__________,保护__________,减缓__________,抑制__________,防治__________等。6、大部分食品在-1~-4℃之间,大部分水分冻结成冰晶体,此温度范围称为__________。7、食品中的水分可分为________结合水分、________结合水分、_______结合水分。8、在恒率干燥阶段中,物料表面温度不高于____________温度,此时空气向物料提供的热量全部用于蒸发水分,在降率干燥阶段,食品水分下降到平衡水分,食品温度上升,直到和____________温度相等。二、问答题(每题14分)1、罐头食品的排气方法有哪些?并对各种排气方法进行比较。2、影响罐头食品传热的因素有哪些?3、为什么说速冻食品的质量通常好于缓冻食品,解冻时倾向于快速解冻?4、干制时食品的物理和化学变化。三、计算题(12分)某罐头厂生产蘑菇罐头时,根据工厂的卫生条件及原料的微生物污染情况等,通过微生物检测选择嗜热脂肪芽孢杆菌为对象菌,每克罐头食品在杀菌前含嗜热脂肪芽孢杆菌数不超过2个,经121.1℃杀菌和保温贮藏后,允许的腐败率为万分之五以下,要求估算425g蘑菇罐头在标准温度121.1℃下杀菌的安全F安值。该蘑菇罐头实际的杀菌规程为10-25-10/121.1℃,实测罐头中心温度变化数值记录于表中。求该罐头在此杀菌条件下的实际F。值,并判断该F。值是否达到安全杀菌F安值的要求。加热时间(min)中心温度(℃)Li加热时间min中心温度(℃)Li036912151821245080104118.5120121121120.5121--0.01950.54950.77640.97750.87110.97752730333639424548120.7120.7121120.5115109101850.91240.91240.97750.87110.24550.06170.0098-ΣLi=9.1394第二套一、填空题(每题4分)1、排气的目的是:____________;________________;________________;________________;____________;____________。2、影响罐头食品传热的因素有__________、__________、__________和__________。3、放射性同位素能发射____、____和____射线。其中,____射线的能量高,穿透物质的能量最强,但电离能力最小。4、引起食品变质的主要因素是__________、__________、__________、__________、__________、__________和__________。5、许多果蔬采收后都有一个后熟过程,在收获后出现呼吸________现象。6、在食品冻藏中,减少____________和____________是防止食品干缩的重要措施。7、在食品干制时,水蒸气的排出一般采用两种方法:____________和____________。8、食品干制时常出现的物理变化有__________、__________、__________和__________。二、问答题(每题14分)1、影响镀锡板罐内壁腐蚀的各种因素。2、影响电阻焊罐焊接质量的因素有哪些?3、试述在食品冻结过程中浓缩导致的危害。4、以芦笋为例,详述冷冻干燥的原理及工艺过程,并说明冷冻干燥工艺的优缺点。三、计算题(12分)某鱼类罐头,在114℃进行85分钟杀菌,实测罐头中心温度变化数值记录于表中。求该罐头在此杀菌条件下的F。值。操作过程ti(分)Ti(℃)Li进汽开始(0)61223.227.841.2000到达杀菌温度(15)182430364248546066727884909659.175.287.996.1102.0105.6108.5109.8110.9112.0112.7113.0113.3113.500000.0030.0120.0280.0550.0740.0950.1230.1450.1550.1600.174停止送汽冷却开始(100)102108114120113.5101.060.050.00.1740.01000第三套一、填空题(每题4分)1、常见的罐头腐败变质现象有________、________、________和________。2、电阻焊接缝圆罐生产工艺流程为罐身切板→________→成圆→________→__________→翻边。3、电离辐射在食品保藏中可起到________、______...

1、当您付费下载文档后,您只拥有了使用权限,并不意味着购买了版权,文档只能用于自身使用,不得用于其他商业用途(如 [转卖]进行直接盈利或[编辑后售卖]进行间接盈利)。
2、本站所有内容均由合作方或网友上传,本站不对文档的完整性、权威性及其观点立场正确性做任何保证或承诺!文档内容仅供研究参考,付费前请自行鉴别。
3、如文档内容存在违规,或者侵犯商业秘密、侵犯著作权等,请点击“违规举报”。

碎片内容

食品工艺学试题库套

确认删除?
VIP
微信客服
  • 扫码咨询
会员Q群
  • 会员专属群点击这里加入QQ群
客服邮箱
回到顶部