电脑桌面
添加小米粒文库到电脑桌面
安装后可以在桌面快捷访问

高中化学 第一章 第二节 第2课时 元素周期律课时作业 新人教版必修2VIP免费

高中化学 第一章 第二节 第2课时 元素周期律课时作业 新人教版必修2_第1页
1/8
高中化学 第一章 第二节 第2课时 元素周期律课时作业 新人教版必修2_第2页
2/8
高中化学 第一章 第二节 第2课时 元素周期律课时作业 新人教版必修2_第3页
3/8
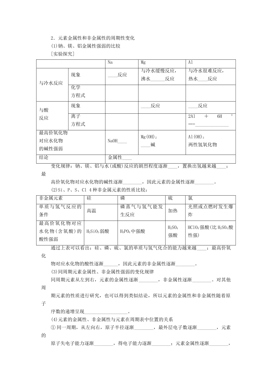
第2课时元素周期律一、元素原子结构的周期性变化1.元素原子核外电子排布的周期性变化周期序数原子序数电子层数最外层电子数一1~211―→2二3~1021―→8三11~1831―→8结论:随着原子序数的递增,元素原子的最外层电子排布呈现____________的周期性变化(H、He除外)2.元素原子半径的周期性变化周期序数原子序数原子半径的变化二3~9逐渐____三11~17逐渐____结论:随着原子序数的递增,元素原子半径呈现________的周期性变化3.微粒半径大小比较的方法(1)电子层数相同(即同周期)时,随原子序数的递增,原子半径逐渐________。(2)最外层电子数相同(即同主族)时,随电子层数(原子序数)的递增,原子半径逐渐________。(3)电子层结构相同的不同离子,原子序数越大,离子半径____。二、元素性质的周期性变化1.元素化合价的周期性变化周期序数原子序数化合价(最高价、最低价)的变化一1~2+1―→0二3~10最高正价:__________最低负价:__________三11~18最高正价:__________最低负价:__________结论:随着原子序数的递增,元素的最高正价呈现________、最低负价呈现__________的周期性变化主族元素化合价变化规律与原子结构的关系元素的最高正价数值上等于该元素原子的最外层________,随元素原子序数的递增,最外层电子数增多,最高化合价的数值______;最低负价的绝对值与最外层电子数之和等于____,随最外层电子数的增加,最低负价的绝对值______。第二周期的氧元素和氟元素只有负价没有正价。2.元素金属性和非金属性的周期性变化(1)钠、镁、铝金属性强弱的比较[实验探究]NaMgAl与冷水反应现象____反应与冷水缓慢反应,沸水______反应与冷水很难反应,热水____反应化学方程式与酸反应现象____反应____反应离子方程式2Al+6H+===______________最高价氧化物对应水化物的碱性强弱NaOH____Mg(OH)2____碱Al(OH)3两性氢氧化物结论金属性____变化规律:钠、镁、铝与水(或酸)反应的剧烈程度逐渐____,置换出氢越来越____;最高价氧化物对应水化物的碱性逐渐________,因此元素的金属性逐渐________。(2)Si、P、S、Cl4种非金属元素的性质比较:非金属元素硅磷硫氯单质与氢气反应的条件高温磷蒸气与氢气能发生反应加热光照或点燃时发生爆炸最高价氧化物对应水化物(含氧酸)的酸性强弱H2SiO3弱酸H3PO4中强酸H2SO4强酸HClO4强酸(比H2SO4酸性强)通过上表可以看出:硅、磷、硫、氯的单质与氢气化合的能力越来越____;最高价氧化物对应水化物的酸性逐渐______,因此元素的非金属性逐渐________。(3)同周期元素金属性、非金属性强弱的变化规律同周期元素从左到右,元素的金属性逐渐________,非金属性逐渐________。对其他周期元素的性质进行研究,也可以得到类似结论,所以元素的金属性和非金属性随着原子序数的递增呈现__________________。(4)元素的金属性、非金属性与元素在周期表中位置的关系①同一周期,从左向右,原子半径逐渐________,最外层电子数逐渐________,元素的原子失电子能力逐渐________,得电子能力逐渐________;元素金属性逐渐________,非金属性逐渐________;②同一主族,从上到下,原子半径逐渐________,元素的原子失电子能力逐渐________,得电子能力逐渐________;元素金属性逐渐________,非金属性逐渐________。三、元素周期律1.内容:元素的__________随着元素__________________而呈________的变化。2.实质:元素性质的周期性变化是元素原子的______________的周期性变化的必然结果。知识点一化合价的应用1.有三种元素分别为X、Y和Z,其质子数均在1~18之间,已知X元素的原子最外层只有一个电子,Y元素原子的M电子层上的电子数是它的K层和L层电子总数的一半,Z元素原子的L层上的电子数比Y元素原子的L层上的电子数少2,则这几种元素组成的化合物的化学式不可能是()A.X2YZ4B.XYZ3C.X3YZ4D.X4Y2Z7知识点二元素金属性、非金属性强弱的判断2.下列叙述中,能肯定A金属比B金属活泼性强的是()A.A原子的最外层电子数比B原子的最外层电子数少B.A原子的电子层数比B原子电子层数多C.1molA从酸中置换出的H2比1molB从酸中置换出的H2多D.常温时,A能从冷水中置换...

1、当您付费下载文档后,您只拥有了使用权限,并不意味着购买了版权,文档只能用于自身使用,不得用于其他商业用途(如 [转卖]进行直接盈利或[编辑后售卖]进行间接盈利)。
2、本站所有内容均由合作方或网友上传,本站不对文档的完整性、权威性及其观点立场正确性做任何保证或承诺!文档内容仅供研究参考,付费前请自行鉴别。
3、如文档内容存在违规,或者侵犯商业秘密、侵犯著作权等,请点击“违规举报”。

碎片内容

高中化学 第一章 第二节 第2课时 元素周期律课时作业 新人教版必修2

文章天下+ 关注
实名认证
内容提供者

各种文档应有尽有

确认删除?
VIP
微信客服
  • 扫码咨询
会员Q群
  • 会员专属群点击这里加入QQ群
客服邮箱
回到顶部