电脑桌面
添加小米粒文库到电脑桌面
安装后可以在桌面快捷访问

基础工程课程设计-华工VIP免费

基础工程课程设计-华工_第1页
1/8
基础工程课程设计-华工_第2页
2/8
基础工程课程设计-华工_第3页
3/8
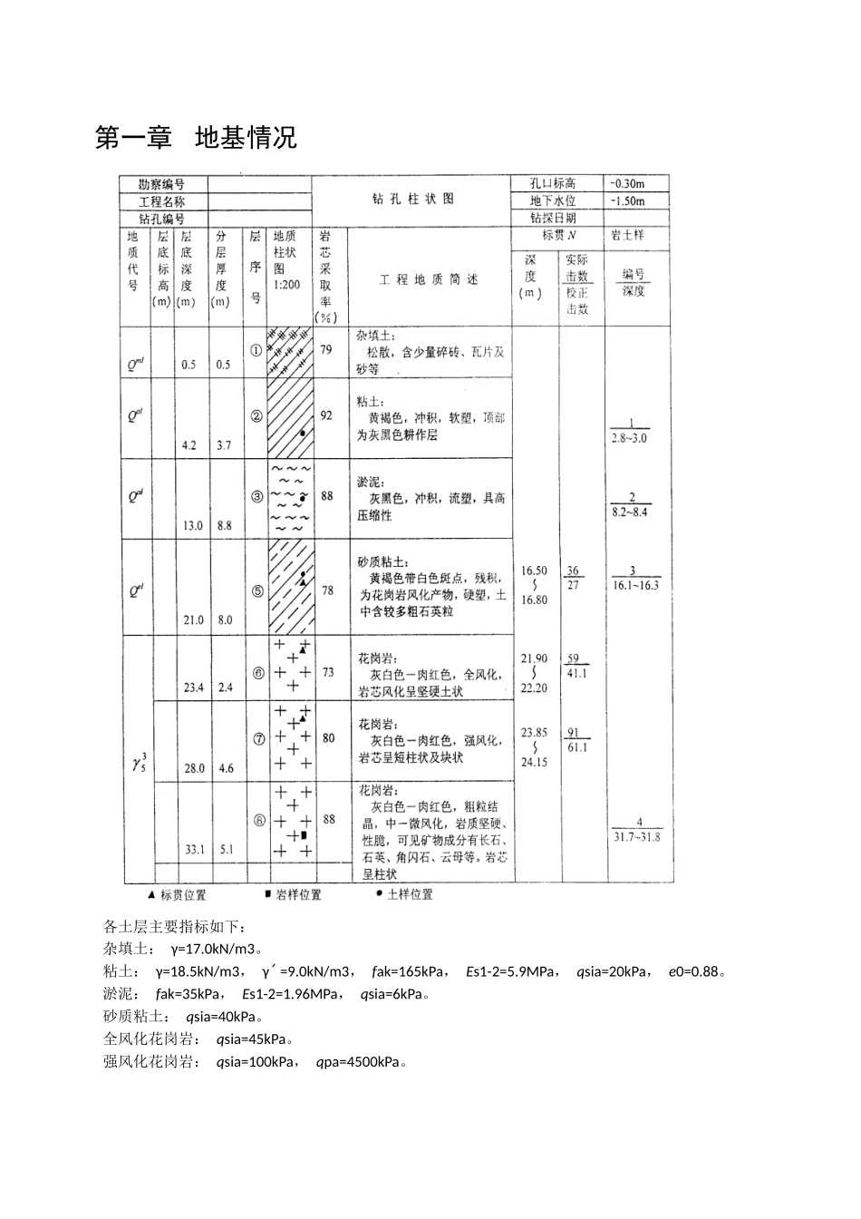
《土木工程基础工程》课程设计计算书学院土木与交通学院专业11土木工程1班学生姓名邓尚杰学生学号201130130203指导教师刘叔灼陈俊生提交日期2015年3月6日第一章地基情况各土层主要指标如下:杂填土:γ=17.0kN/m3。粘土:γ=18.5kN/m3,γ=9.0kN/m3ˊ,fak=165kPa,Es1-2=5.9MPa,qsia=20kPa,e0=0.88。淤泥:fak=35kPa,Es1-2=1.96MPa,qsia=6kPa。砂质粘土:qsia=40kPa。全风化花岗岩:qsia=45kPa。强风化花岗岩:qsia=100kPa,qpa=4500kPa。第二章矩形联合基础设计资料已知某住宅楼梯间两梯柱柱距2.5m,柱截面均为300×300mm2,相应于荷载效应基本组合时作用于基础顶面的柱荷载设计值均为F=680kN。计算书选用C20混凝土,HRB335级钢筋1选择地基持力层,确定基础埋深:初选埋深d=1m(从室外地面起算),以粘性土为持力层。2计算地基承载力特征值:试算,由埋深d=1m>0.5m,此层为粘土层,ηb=0,ηd=1,fa=fak+ηbγ(b−3)+ηdγm(d−0.5)=165+0+1×18.5×(1−0.5)=174kPa3初选基底尺寸:A=Fkfa−γGd+γwhw=(680×2)/1.35174−20×1+0=6.5m2试选长度为5m,则宽度为6.5/4=1.6m,取b=2m。4验算软弱下卧层承载力,确定基底尺寸:Es1/Es2=5.9/1.96=3,z/b=3.2/2=1.6>0.5,查表的ɵ=23°,tanɵ=0.424,pk=Fk+GkA=10074×2.5+20×1=120.7kPaFl(可以)受剪切承载力验算:取柱1冲切破坏锥体底面边缘处截面为计算截面,该截面的剪力设计值为:V=272×0.645=175.44kNβh=(800800)0.25=1.00.7βhftbh0=0.7×1.0×1100×2×0.455=700.7kN>175.44kN(可以)7纵向和横向配筋计算:7.1纵向配筋柱间负弯矩Mmax=0kNm,所需钢筋面积按对称取:基础顶面配8ϕ18(As=2036mm2)最大正弯矩M=212.5kNm,所需钢筋面积为:As=212.5×1060.9×300×455=1729.7mm2基础底面配8ϕ18(As=2036mm2)7.2横向钢筋取柱1处等效梁宽为:ac1+1.5h0=0.3+1.5×0.455=0.98mM=0.5×6802(2−0.32)2=122.8kNmAs=122.8×1060.9×300×(455−12)=1027mm2折成每米板宽内的配筋面积为:1027/0.98=1048mm2/m基础底面横向柱下等效部分配ϕ12@100(As=1131mm2),其余部分配ϕ12@200,顶面按构造配均布ϕ8@250。8配筋图详见图纸第三章预应力混凝土管桩基础设计资料已知某柱截面尺寸为600×600mm2,柱传给基础的荷载设计值F=6800kN,M=550kN·m,管桩选用PHC400A型。HPC400A管桩外径d为400mm,壁厚t为95mm。承台选用C30混凝土,HRB335级钢筋取fy=300N/mm21初定承台埋深和桩长初选埋深1.5m,桩端伸入强风化岩3d=1.2m,桩顶深入承台100mm2按经验公式计算单桩竖向承载力特征值RaRa=ξpqpaAp+u∑ξsiqsiali=1.225×4500×0.1256+1.26×(1.0×0.8×20×2.7+1.0×1.03×6×8.8+1.0×1.11×40×8+0.85×1.13×45×2.4+1.05×1.18×100×1.2)=1581kN≤1600kN3确定桩数,布桩,确定承台平面尺寸:n>FkRa=6800/1.351581=3.2根,暂取4根长度方向桩距1.2m,宽度方向桩距1.2m,桩中心线至边线的距离为0.6m,承台长2.4m,宽均为2.4m。暂取承台埋深1.5m,承台高度h为1.2m,钢筋保护层取150mm,则承台有效高度为h0=1050mm。4桩顶荷载桩顶平均竖向力:Qk=Fk+Gk4=68001.35+20×2.4×2.4×1.54=1302kN

1、当您付费下载文档后,您只拥有了使用权限,并不意味着购买了版权,文档只能用于自身使用,不得用于其他商业用途(如 [转卖]进行直接盈利或[编辑后售卖]进行间接盈利)。
2、本站所有内容均由合作方或网友上传,本站不对文档的完整性、权威性及其观点立场正确性做任何保证或承诺!文档内容仅供研究参考,付费前请自行鉴别。
3、如文档内容存在违规,或者侵犯商业秘密、侵犯著作权等,请点击“违规举报”。

碎片内容

基础工程课程设计-华工

您可能关注的文档

确认删除?
微信客服
  • 扫码咨询
会员Q群
  • 会员专属群点击这里加入QQ群