电脑桌面
添加小米粒文库到电脑桌面
安装后可以在桌面快捷访问

食品生产企业监督检查要点VIP免费

食品生产企业监督检查要点_第1页
1/51
食品生产企业监督检查要点_第2页
2/51
食品生产企业监督检查要点_第3页
3/51
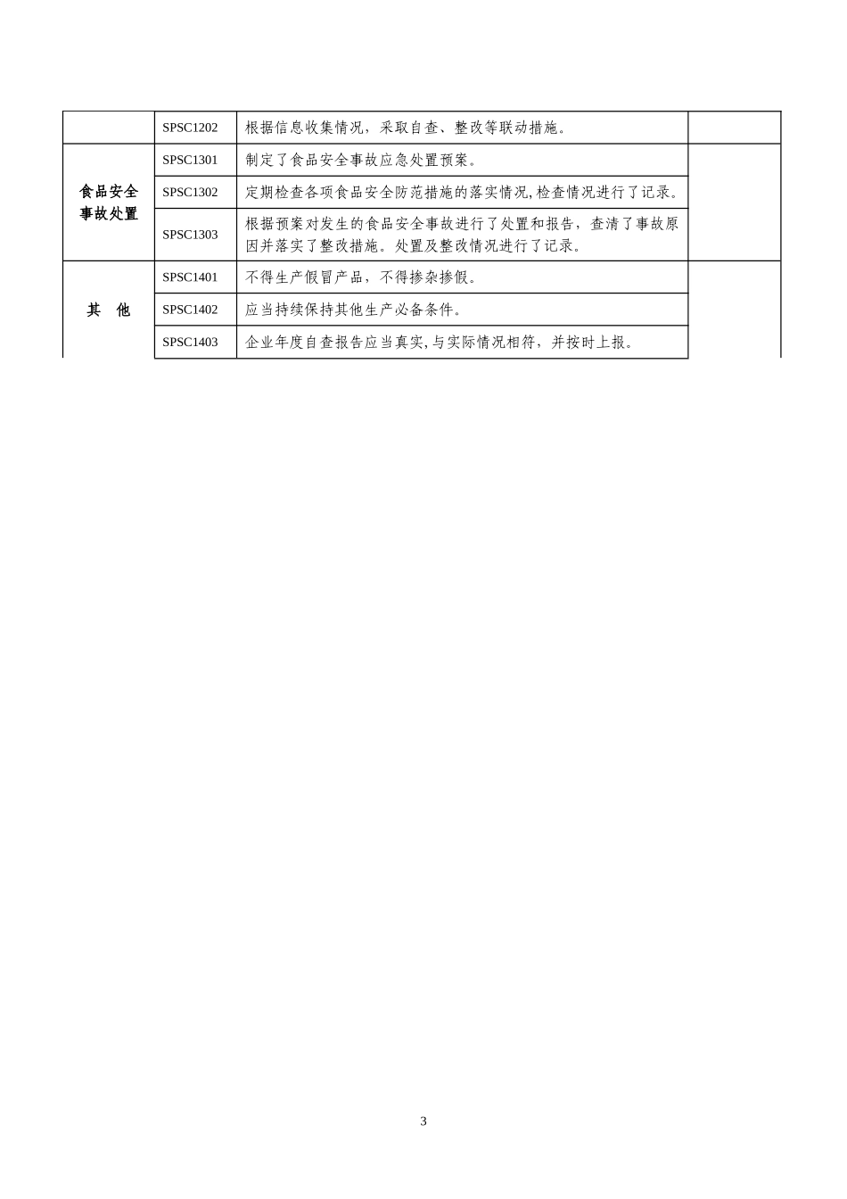
食品生产企业监督检查要点检查项目编号检查主要内容及要求备注主体资格SPSC0101食品生产许可证、营业执照是否齐全、是否在有效期内,许可生产范围和实际生产范围是否一致。SPSC0102登记名称、地址是否与实际名称、地址相符;生产条件、生产工艺、生产流程等与办理许可时一致,没有改变;或改变情况已按规定办理重新变更手续。SPSC0103是否存在转让、涂改、出借、倒卖或者出租食品生产许可证等行为。SPSC0104是否建立并规范有效足以保证食品安全的相关制度和规定。原辅材料质量控制SPSC0201食品原料、食品添加剂、食品相关产品等原辅材料生产商具有相应的生产许可等资质。SPSC0202采购的每批次食品原料、食品添加剂、食品相关产品等原辅材料均进行了入厂查验;每一批次均有质量合格证明或已按国家标准进行检验。SPSC0203无使用非食品原料、回收食品、其他禁止使用的原辅材料;生产用水符合生活饮用水卫生标准。SPSC0204原辅材料采购、验证记录齐全,记录与实物相吻合。生产过程质量控制SPSC0301食品生产过程、场所、设施等是否符合GB14881要求。SPSC0302人流、物流是否分开,原料、半成品、成品等是否分开堆放,工艺流程避免交叉污染;物料是否分类、离墙、离地堆放,挂牌标识。SPSC0303是否确定了关键控制点,关键质量控制点记录是否完善、控制有效。SPSC0304生产设备、设施、容器的材质是否为食品级,是否及时清洗、消毒、维护。设备、设施的维护情况是否进行了记录。SPSC0305生产、销售台帐是否完整、齐全,“原辅料与产成品”是否一一对应,具有可追溯性。SPSC0306食品添加剂使用是否符合要求,是否存在超限量、超范围使用食品添加剂行为。SPSC0307食品添加剂是否专人管理,专区(柜)存放。SPSC0308清洗、消毒、杀菌和保洁措施是否有效。出厂检验SPSC0401检验设备齐全并经检定(校准),化学试剂齐备且在有效期。SPSC0402检验人员有相应资质。SPSC0403出厂检验的原始数据完整、齐全。SPSC0404自检实验室每年都与有资质的检验机构进行检验能力比对。比对结果不符合要求的,查清了原因并进行了整改。(检验方式为自行检验)SPSC0405与具备检验资质的检验机构签订了委托检验协议,明确了有关食品出厂检验委托事务。(检验方式为委托检验)1检查项目编号检查主要内容及要求备注风险信息收集SPSC1201主动收集企业内部发现的和国家发布的与企业相关的食品安全风险监测与评估信息。检查项目编号检查主要内容及要求备注不合格品管理SPSC0501采购的不合格食品原料、食品添加剂、食品相关产品按规定进行处理,不可投入使用,记录处理情况。SPSC0502生产的不合格产品按规定进行处理,涉及安全项目不合格的产品进行了销毁等处理。处理记录齐全。食品标识SPSC0601产品名称反映食品真实属性,规格、净含量、生产日期、保质期等标识正确。SPSC0602生产者的名称、地址、联系方式均进行了标识,且符合要求。SPSC0603按照要求标识了产品执行的标准代号、贮存条件。SPSC0604标注了食品生产许可证号和生产许可标志,且证号与产品对应。SPSC0605标明了主要营养成分及其含量。标准执行情况SPSC0701执行的产品标准有效;企业标准经过管理部门备案。不安全食品召回SPSC0801建立了不安全食品召回管理制度。SPSC0802发现食品不符合国家食品安全标准后,立即停止生产,按规定实施召回。召回情况记录完整(包括召回实施过程及召回结果,如召回的通知情况及召回产品名称、批次、数量等)。SPSC0803对召回产品采取补救、无害化处理或销毁措施。处理记录完整(包括处理方式、数量和参与人员)。SPSC0804查清了食品不符合国家食品安全标准原因,并落实整改措施。整改落实情况进行了记录。SPSC0805食品召回和处理情况向当地政府和监管部门进行了报告。人员管理SPSC0901是否按规定配置食品安全总监及相关专业技术人员、管理人员。SPSC0902是否聘用禁聘人员从事食品安全管理。SPSC0903是否制定并执行从业人员培训制度。SPSC0904是否建立从业人员健康管理制度和健康档案;从业人员中是否存在无健康证明的人员。SPSC0905是否安排患有有碍食品安全疾病的人员从事接触直接入口食品工作。委托加工SPSC1001在企业所在地的监...

1、当您付费下载文档后,您只拥有了使用权限,并不意味着购买了版权,文档只能用于自身使用,不得用于其他商业用途(如 [转卖]进行直接盈利或[编辑后售卖]进行间接盈利)。
2、本站所有内容均由合作方或网友上传,本站不对文档的完整性、权威性及其观点立场正确性做任何保证或承诺!文档内容仅供研究参考,付费前请自行鉴别。
3、如文档内容存在违规,或者侵犯商业秘密、侵犯著作权等,请点击“违规举报”。

碎片内容

食品生产企业监督检查要点

确认删除?
VIP
微信客服
  • 扫码咨询
会员Q群
  • 会员专属群点击这里加入QQ群
客服邮箱
回到顶部