电脑桌面
添加小米粒文库到电脑桌面
安装后可以在桌面快捷访问

机械铸造企业应急预案演练计划VIP免费

机械铸造企业应急预案演练计划_第1页
1/12
机械铸造企业应急预案演练计划_第2页
2/12
机械铸造企业应急预案演练计划_第3页
3/12
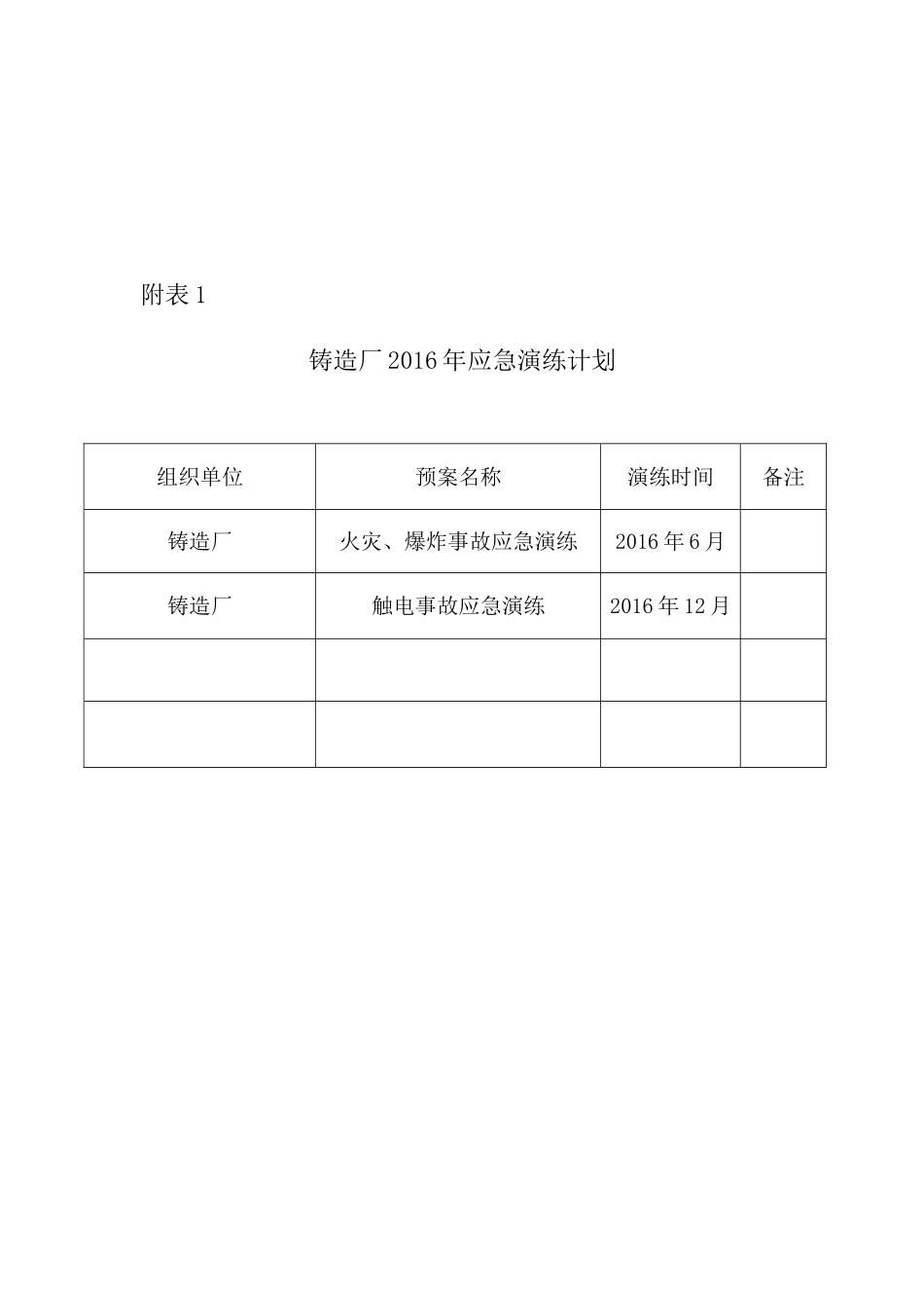
2016年应急救援预案演练计划一、总则根据相关法律法规的要求,为适应突发事故应急救援的需要,通过演练,进一步加强我单位应急指挥部各成员单位之间的协同配合,提高应对突发事故的组织指挥、快速响应及处置能力,营造安全稳定的氛围,制定2016年应急救援预案演练计划。二、应急演练目的1、检验预案。通过开展应急演练,查找应急预案中存在的问题,进而完善应急预案,提高应急预案的可用性和可操作性。2、完善准备。通过开展应急演练,检查应对突发事件所需应急队伍、物资、装备、技术等方面的准备情况,发现不足及时予以调整补充,做好应急准备工作。3、锻炼队伍。通过开展应急演练,增强演练组织单位、参与单位和人员对应急预案的熟悉程序,提高其应急处置能力。4、磨合机制。通过开展应急演练,进一步明确相关单位和人员的职责任务,完善应急机制。5、科普宣传。通过开展应急演练,普及应急知识,提高职工风险防范意识和应对突发事故时自救互救的能力。三、应急演练要求1、结合实际,合理定位。紧密结合应急管理工作实际,明确演练目的,根据资源条件确定演练方式和规模。2、着眼实战,讲求实效。以提高应急指挥人员的指挥协调能力、应急队伍的实战能力为着重点,重视对演练效果及组织工作的评估,总结推广好经验,及时整改存在的问题。3、精心组织,确保安全。围绕演练目的,精心策划演练内容,周密组织演练活动,严格遵守相关安全措施,确保演练参与人员及演练装备设施的安全。4、各单位要制定出应急演练方案交安全科审核,演练方案应包括演练单位、时间、地点、演练步骤等。5、预案演练完成后应对此次演练内容进行评估,填写应急预案评审记录表和安全生产应急预案演练登记表后交安全科备案。6、每年对应急预案本身进行一次评审。铸造厂2016年4月28日附:铸造厂2016年应急演练计划附表1铸造厂2016年应急演练计划组织单位预案名称演练时间备注铸造厂火灾、爆炸事故应急演练2016年6月铸造厂触电事故应急演练2016年12月附表2应急预案演练/评审记录单位:年月日应急主题演练地点演练过程简述:演练负责人:应急预案评审:评审人员:日期:年月日附表3安全生产应急预案演练登记表演练单位(盖章)预案名称演练类别综合演练□桌面演练□专项演练□实际演练部分:演练时间演练地点组织单位参加部门和单位演练过程和描述预案启动评估预案评估适应性:全部能够执行□执行过程不够顺利□明显不适宜□充分性:能满足应急要求□基本满足□不充分,必须修改□演练评估参加人员:好□较好□基本到位□不到位□现场物质:好□较好□基本到位□不到位□个人防护:好□较好□基本到位□不到位□指挥评估整体组织指挥:好□较好□基本到位□不到位□各抢险分工:好□较好□基本到位□不到位□协作评估报告上级:报告及时□基本到位□联系不上□消防部门:按要求协作□基本到位□行动迟缓□医疗救援部门:按要求协作□基本到位□行动迟缓□周边政府配合:按要求配合□基本到位□不配合□其它参与单位:按要求配合□基本到位□不配合□总体评价优秀□良好□基本合格□不合格□存在问题签名说明1、此表由演练组织单位填写并盖章,15日内交安全环保部备案。2、根据演练情况、选择表内适合的项目,在□中打√,总指挥等相关人员签名。3、表内空格不够填写时、可简要填写,并随表附详细内容。附表4应急预案评审记录表单位:日期:年月日应急预案名称评审时间评审地点预案评审内容评审概况评审结果评审人员审核:填表:火灾、爆炸事故应急预案演练方案一、预案适用范围本应急预案适用本单位各车间内火灾、爆炸事故。二、模拟演练情况假设生产车间润滑油使用场所发生火灾。三、演习的时间演习时间定于2016年6月8日上午10:00.四、预案组织机构及职责:1)事故组织机构(总指挥)总指挥:主要责任:a、全面负责现场应急急救工作;b、决定启动应急预案;c、指挥应急急救工作。副总指挥:主要责任:a、组织应急急救工作;b、协调各部门统一调度工作;c、负责调查、监测及急救方案的确定。2)各组职责:(1)抢险救灾组:负责生产设备、设施的事故处理、控制,防止事故扩大,负责实施应急救援指挥部制定的抢险救...

1、当您付费下载文档后,您只拥有了使用权限,并不意味着购买了版权,文档只能用于自身使用,不得用于其他商业用途(如 [转卖]进行直接盈利或[编辑后售卖]进行间接盈利)。
2、本站所有内容均由合作方或网友上传,本站不对文档的完整性、权威性及其观点立场正确性做任何保证或承诺!文档内容仅供研究参考,付费前请自行鉴别。
3、如文档内容存在违规,或者侵犯商业秘密、侵犯著作权等,请点击“违规举报”。

碎片内容

机械铸造企业应急预案演练计划

学海无涯书城+ 关注
实名认证
内容提供者

热爱教育事业,爱好互联网行业

确认删除?
VIP
微信客服
  • 扫码咨询
会员Q群
  • 会员专属群点击这里加入QQ群
客服邮箱
回到顶部