电脑桌面
添加小米粒文库到电脑桌面
安装后可以在桌面快捷访问

承接查验标准与表格VIP免费

承接查验标准与表格_第1页
1/44
承接查验标准与表格_第2页
2/44
承接查验标准与表格_第3页
3/44
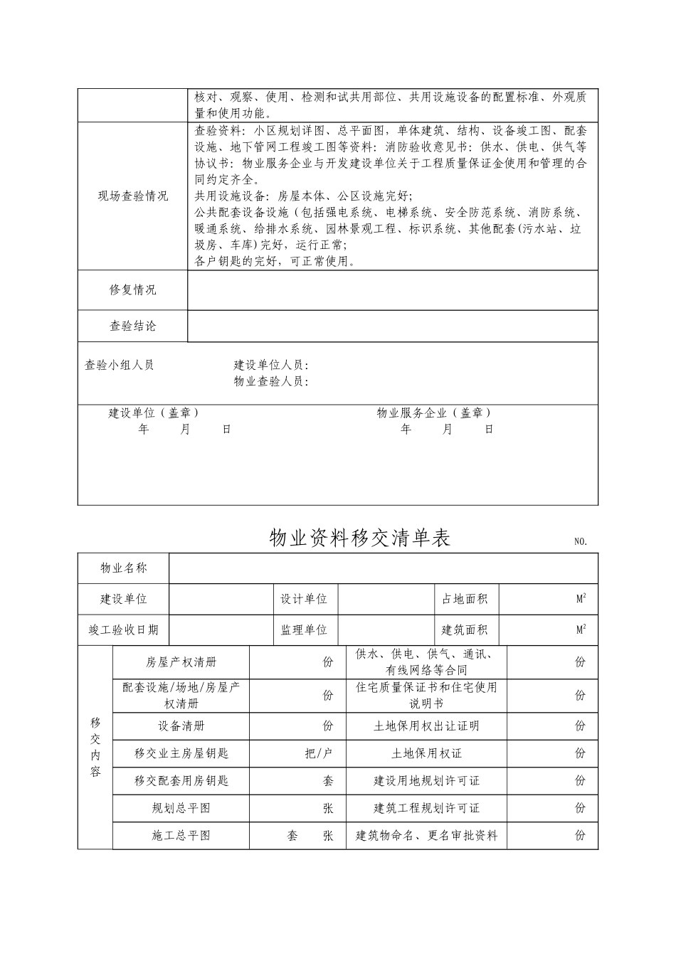
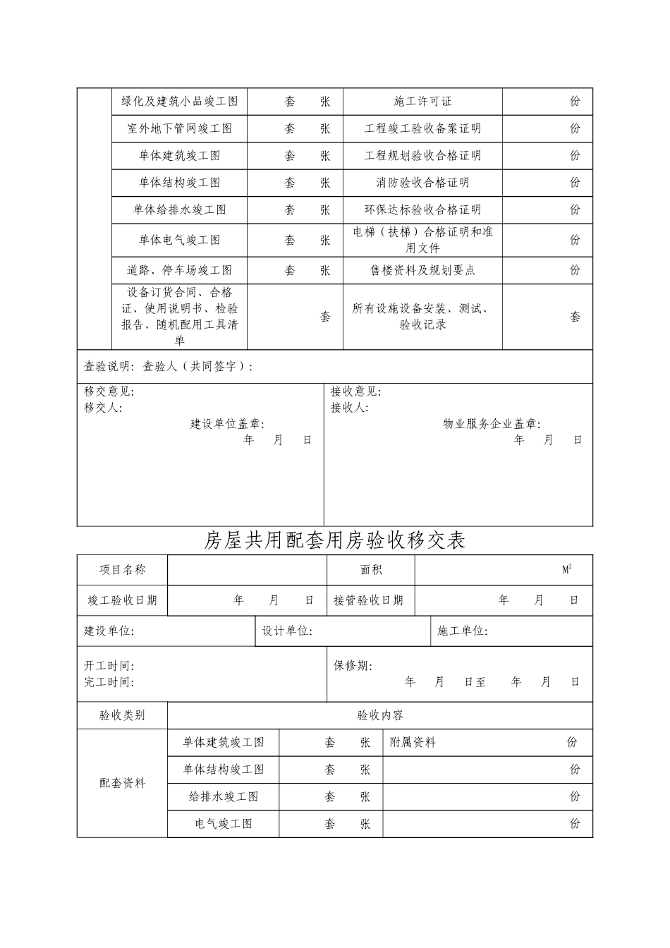
物业交接记录查验项目小区基础资料竣工验收合格份规划详图份竣工总平面图份单体建筑、结构、水电的竣工图各份附属配套设施、地下管网工程竣工图等资料各份供水协议书份供协议书份共用部位建筑物的基础、承重墙体、梁、楼板、屋顶以及外墙、门厅、楼梯间、走廊、楼道、扶手、护栏、电梯井道、架空层及设备间等9小区道路米,地下车场个,公共路灯座、垃圾桶个、化粪池个。消防栓个、消防水池米、消防电气控制设备套、水泵个、高低配电室间、配电机箱个、发电机组套、公共区域配电箱个、入侵报警系统套、出入口控制系统套、电梯设备套。交接时间年月日交接方式现场交接移交单位:接收单位:经办人:经办人:日期:日期:物业查验记录查验项目小区查验时间年月日—年月日查验范围有关图纸、基础和承接查验资料:共用部位、共用设施设备查验方法有关图纸、基础和承接查验资料移交:核对、观察、使用、检测和试共用部位、共用设施设备的配置标准、外观质量和使用功能。现场查验情况查验资料:小区规划详图、总平面图,单体建筑、结构、设备竣工图、配套设施、地下管网工程竣工图等资料:消防验收意见书:供水、供电、供气等协议书:物业服务企业与开发建设单位关于工程质量保证金使用和管理的合同约定齐全。共用设施设备:房屋本体、公区设施完好;公共配套设备设施(包括强电系统、电梯系统、安全防范系统、消防系统、暖通系统、给排水系统、园林景观工程、标识系统、其他配套(污水站、垃圾房、车库)完好,运行正常;各户钥匙的完好,可正常使用。修复情况查验结论查验小组人员建设单位人员:物业查验人员:建设单位(盖章)物业服务企业(盖章)年月日年月日物业资料移交清单表NO.物业名称建设单位设计单位占地面积M2竣工验收日期监理单位建筑面积M2移交内容房屋产权清册份供水、供电、供气、通讯、有线网络等合同份配套设施/场地/房屋产权清册份住宅质量保证书和住宅使用说明书份设备清册份土地保用权出让证明份移交业主房屋钥匙把/户土地保用权证份移交配套用房钥匙套建设用地规划许可证份规划总平图张建筑工程规划许可证份施工总平图套张建筑物命名、更名审批资料份绿化及建筑小品竣工图套张施工许可证份室外地下管网竣工图套张工程竣工验收备案证明份单体建筑竣工图套张工程规划验收合格证明份单体结构竣工图套张消防验收合格证明份单体给排水竣工图套张环保达标验收合格证明份单体电气竣工图套张电梯(扶梯)合格证明和准用文件份道路、停车场竣工图套张售楼资料及规划要点份设备订货合同、合格证、使用说明书、检验报告、随机配用工具清单套所有设施设备安装、测试、验收记录套查验说明:查验人(共同签字):移交意见:移交人:建设单位盖章:年月日接收意见:接收人:物业服务企业盖章:年月日房屋共用配套用房验收移交表项目名称面积M2竣工验收日期年月日接管验收日期年月日建设单位:设计单位:施工单位:开工时间:完工时间:保修期:年月日至年月日验收类别验收内容配套资料单体建筑竣工图套张附属资料份单体结构竣工图套张份给排水竣工图套张份电气竣工图套张份项目环境顶棚屋面墙壁门窗地面给水照明排水符合要求“√”缺陷“×”无此项“——”增补项补填初验:存在问题查验人(共同签字):年月日复查、验收结论(整改情况):查验人(共同签字):年月日验收人:签字栏设计单位:施工单位:监理单位:建设单位:移交人:年月日接收单位:接收人:年月日物业共用设备验收移交表设备名称规格型号:安装位置:生产商:出厂时间:竣工验收日期年月日接管验收日期年月日建设单位:设计单位:施工单位:开工时间:完工时间:保修期:年月日至年月日验收类别验收内容配套资料订货合同份检验报告份合格证份验收记录份使用说明书份准用文件份设备安装测试记录份随机配备工具清单份电气设备线路图份管理制度及应急方案份设备环境/设备外观顶棚通风地下管沟墙壁噪声防护措施地面减震配套工具照明应急照明门窗消防设施符合要求“√”缺陷“×”无此项“——”增补项补填试运行情况现场实测技术性能及数据:初验:存在问题查验人(共同签字):年月日复查、验收结论(整改情况):查...

1、当您付费下载文档后,您只拥有了使用权限,并不意味着购买了版权,文档只能用于自身使用,不得用于其他商业用途(如 [转卖]进行直接盈利或[编辑后售卖]进行间接盈利)。
2、本站所有内容均由合作方或网友上传,本站不对文档的完整性、权威性及其观点立场正确性做任何保证或承诺!文档内容仅供研究参考,付费前请自行鉴别。
3、如文档内容存在违规,或者侵犯商业秘密、侵犯著作权等,请点击“违规举报”。

碎片内容

承接查验标准与表格

确认删除?
VIP
微信客服
  • 扫码咨询
会员Q群
  • 会员专属群点击这里加入QQ群
客服邮箱
回到顶部