电脑桌面
添加小米粒文库到电脑桌面
安装后可以在桌面快捷访问

中考物理模拟预测题试卷VIP免费

中考物理模拟预测题试卷_第1页
1/7
中考物理模拟预测题试卷_第2页
2/7
中考物理模拟预测题试卷_第3页
3/7
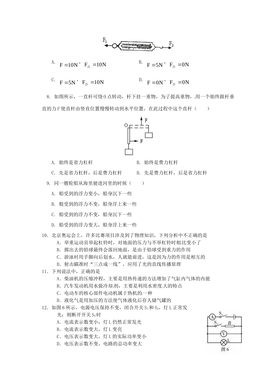
中考模拟预测试卷一.选择题(1-12单选,13-15多选)1.当太阳、水星、地球运行到一条直线上时,在地球上可以观察到太阳上有一个小黑斑在缓慢移动,这种现象称为“水星凌日”,是难得的天文奇观。下列关于该现象的几种说法,正确的是()A.小黑斑是水星在太阳上形成的影子B.小黑斑是由于水星挡住了太阳射向地球的一部分光而形成的C.小黑斑是水星在太阳上形成的像D.小黑斑是地球在太阳上形成的像2.做托里拆利实验时,下面哪种情况对管内水银柱的竖直高度有影响()A.玻璃管的粗细B.玻璃管倾斜C.玻璃管插入水银槽的深度D.外界大气压变化3.图(甲)所示电路,R1、R2串联接在电源电压为U的电路中,电流为2A。图(乙)所示的四个电路中的电阻也分别接在电源电压为U的电路上,电流分别标在图上,则四个电阻中可做为图甲中R1、R2串联后的等效电阻的是()I=2AR1R2RAIA=1ARBIB=2A(甲)RCIC=3ARDID=0.5A(乙)图2A.RDB.RCC.RBD.RA4.关于声音的下列说法中,错误的是()A.声音在传播过程中可以反射B.声音要靠介质传播,真空中不能传声C.所有的声音都是噪音D.人耳并不能听到一切物体振动发出的声音5.如图所示,画出了光线在空气与玻璃的界面处发生反射、折射的四幅光路图,其中正确的是(I是玻璃,II是空气)IIIIIIABIIIIIICD6.关于机械效率,下面说法正确的是()A.功率越大的机械,其机械效率就越高B.由于有用功总小于总功,所以机械效率总小于1C.机械效率越低的机械,做功就越少D.机械效率高的机械,其做的有用功就越多7.如图所示,用水平向左、大小为5N的力F1拉弹簧测力计外壳上的环,同时用水平向右、大小也是5N的力F2拉弹簧测力计的挂钩。若弹簧测力计的读数用F表示,弹簧测力计在水平方向所受的合力用合F表示(不计弹簧测力计的重),那么下列结论中正确的是()A.N10F,N10F合B.N5F,N0F合C.N5F,N10F合D.N0F,N0F合8.如图所示,一直杆可绕O点转动,杆下挂一重物,为了提高重物,用一个始终跟杆垂直的力F使直杆由竖直位置慢慢转动到水平位置,在此过程中这个直杆()A.始终是省力杠杆B.始终是费力杠杆C.先是省力杠杆,后是费力杠杆D.先是费力杠杆,后是省力杠杆9.同一艘轮船从海里驶进河里的时候()A.船受到的浮力变小,船身沉下一些B.般受到的浮力不变,船身浮上来一些C.船受到的浮力不变,船身沉下一些D.船受到的浮力变大,船身浮上来一些10.北京奥运会上,许多比赛项目涉及到了物理知识,下列分析中不正确的是A.举重运动员举起杠铃时,对地面的压力与不举杠铃时相比变小了B.掷出去的铅球最终会落回地面,是由于铅球受到重力的作用C.游泳时用手脚向后划水,人就能前进,这是因为力的作用是相互的D.射击瞄准时“三点成一线”,应用了光的直线传播原理11.下列说法中,正确的是A.柴油机的压缩冲程,主要是用热传递的方法增加了气缸内气体的内能B.汽车发动机用水做冷却剂,主要是利用水密度大的特点C.电动车的核心部件电动机属于热机的一种D.液化气是用加压的方法使气体液化后存人储气罐的12.如图6所示,电源电压保持不变,闭合开关S1和S2,灯L正常发光;则断开开关S2时A.电流表示数变小,灯L仍然正常发光B.电流表示数变大,灯L变亮C.电压表示数变大,灯L的实际功率变小D.电压表示数不变,电路的总功率变大13.甲、乙两个不同材料的实心球,质量相等,将它们都放入足够深的水中,受到的浮力之比为2:3,若乙球密度为,甲球的密度()A.可能大于32B.可能等于32C.可能小于32D.可能小于2314.L1、L2两盏电灯的额定电压相同,均为U,额定功率21PP额额,把它们接入电源电压为U的电路中,下列说法正确的是()A.两灯串联使用时,实际功率21PPB.两灯串联使用时,实际功率21PPC.串联使用时两灯消耗的总功率1PP额总D.并联使用时两灯消耗的总功率1PP额总15.如图所示,A、B两球分别放入甲、乙两种不同的液体中,A在甲液体中沉底,B在乙液体中漂浮,则物体密度A和B,液体的密度甲和乙,其大小关系可能是()AB甲乙A.BA,乙甲B.BA,乙甲C.BA,乙甲D.BA,乙甲二、作图与实验题16.如图所示...

1、当您付费下载文档后,您只拥有了使用权限,并不意味着购买了版权,文档只能用于自身使用,不得用于其他商业用途(如 [转卖]进行直接盈利或[编辑后售卖]进行间接盈利)。
2、本站所有内容均由合作方或网友上传,本站不对文档的完整性、权威性及其观点立场正确性做任何保证或承诺!文档内容仅供研究参考,付费前请自行鉴别。
3、如文档内容存在违规,或者侵犯商业秘密、侵犯著作权等,请点击“违规举报”。

碎片内容

中考物理模拟预测题试卷

星河书苑+ 关注
实名认证
内容提供者

从事历史教学,热爱教育,高度负责。

相关文档

确认删除?
VIP
微信客服
  • 扫码咨询
会员Q群
  • 会员专属群点击这里加入QQ群
客服邮箱
回到顶部