电脑桌面
添加小米粒文库到电脑桌面
安装后可以在桌面快捷访问

灭火器采购合同VIP免费

灭火器采购合同_第1页
1/6
灭火器采购合同_第2页
2/6
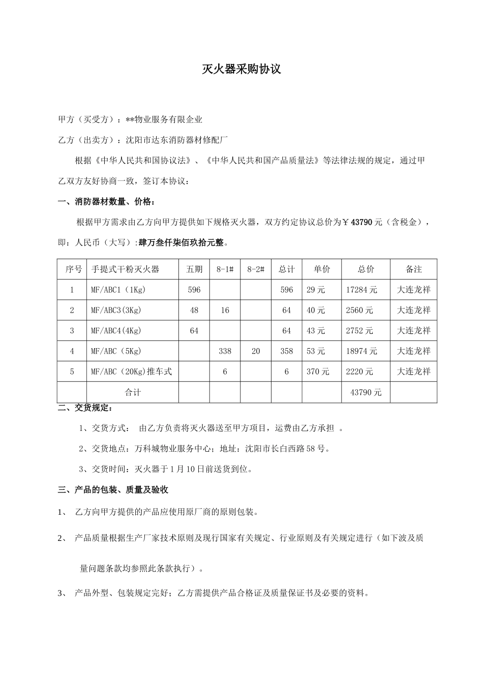
灭火器采购协议甲方(买受方):**物业服务有限企业乙方(出卖方):沈阳市达东消防器材修配厂根据《中华人民共和国协议法》、《中华人民共和国产品质量法》等法律法规的规定,通过甲乙双方友好协商一致,签订本协议:一、消防器材数量、价格:根据甲方需求由乙方向甲方提供如下规格灭火器,双方约定协议总价为¥43790元(含税金),即:人民币(大写):肆万叁仟柒佰玖拾元整。序号手提式干粉灭火器五期8-1#8-2#总计单价总价备注1MF/ABC1(1Kg)59659629元17284元大连龙祥2MF/ABC3(3Kg)48166440元2560元大连龙祥3MF/ABC4(4Kg)646443元2752元大连龙祥4MF/ABC(5Kg)3382035853元18974元大连龙祥5MF/ABC(20Kg)推车式66370元2220元大连龙祥合计43790元二、交货规定:1、交货方式:由乙方负责将灭火器送至甲方项目,运费由乙方承担。2、交货地点:万科城物业服务中心;地址:沈阳市长白西路58号。3、交货时间:灭火器于1月10日前送货到位。三、产品的包装、质量及验收1、乙方向甲方提供的产品应使用原厂商的原则包装。2、产品质量根据生产厂家技术原则及现行国家有关规定、行业原则及有关规定进行(如下波及质量问题条款均参照此条款执行)。3、产品外型、包装规定完好;乙方需提供产品合格证及质量保证书及必要的资料。4、货品损毁的风险自乙方将货品运送到指定地址后交付给甲方,甲方签订接受清单时转移至甲方。5、验收措施(甲方在收货时按如下10种原则验收):1)灭火器的名称、型号和灭火剂的种类;2)灭火器灭火级别和灭火种类,代码的尺寸应不小于16mm×16mm,但不能超过32mm×32mm;对不适应的灭火种类,可以不标用途代码,但对于使用过程中也许会给操作者导致危险的,则应用红线“×”,并用文字明示在灭火器的铭牌上。3)灭火器使用温度范围;4)灭火器驱动气体名称及压力;5)灭火器水压试验压力(应用钢印打在灭火器不受内压的底圈或颈圈等处);6)灭火器认证等标志;7)灭火器生产持续序号(可印刷在铭牌上,也可用钢印打在不受压的底圈上);8)灭火器生产年份;灭火器生产年份应用钢印永久性地标志在灭火器上,在年末3个月内生产的灭火器可以标下一年的年份,而在年初3个月内生产的灭火器可以标上一年的年份。9)灭火器制造企业名称或代号;10)灭火器的使用措施,包括一种或多种图形阐明和灭火种类代码。四、付款方式:1、款项一次支付:灭火器送货到甲方指定项目后由各项目验货人验货合格后填写签收单(附件一),甲方收到签收单后于年度首个集中付款日支付乙方灭火器总款;2、乙方提供电汇帐户为:0002727,开户银行:广发银行股份有限企业沈阳大东支行五、双方权利义务:(一)甲方权利义务:1、甲方按协议约定的灭火器品牌、型号等进行验收,如出现与协议约定原则不符状况或质量不达标状况,乙方应无条件更换不合格品并承担对应运费;2、验收合格后,甲方负责按协议约定期间支付乙方协议全款。(二)乙方权利义务:1、灭火器在二年内压力局限性,公斤数缺乏,乙方应当在甲方提出规定后3天内免费更换到位;2、因灭火器压力表失灵,灌装的干粉不达标,胶管堵塞,瓶体承受压力不够等产品质量问题,导致救火中不能正常使用,所导致的甲方责任,乙方须双倍赔偿给甲方;3、乙方应向甲方提供正规发票及有效银行帐户,如因帐户资料有误导致银行退票而产生的对应后果由乙方承担。六、违约责任:非因甲方原因和不可抗力乙方延期交货的,按协议总款的3%/日向甲方支付违约金。六、争议的处理:本协议在实行时发生纠纷应,甲乙双方应通过友好协商得到处理,若双方彼此之间不能到达协议,任何一方可以向甲方所在地法院提起诉讼。七、本协议经双方签字盖章生效。本协议壹式肆份,甲方执叁份,乙方执壹份,具同等法律效力。甲方:沈阳万科物业服务有限企业乙方:沈阳市达东消防器材修配厂经办人:经办人:日期:日期:附件一灭火器采购签收单项目名称项目地址灭火器型号数量(个)验收人及联络方式项目验收人签字验收日期万科城沈阳市和平区长白西路58号MF/ABC1(1Kg)596MF/ABC3(3Kg)64MF/ABC4(4Kg)64MF/ABC(5Kg)358MF/ABC(20Kg)推车式6采购金额合计43790.00元阳光合作协议编号:VK-WY/TX09...

1、当您付费下载文档后,您只拥有了使用权限,并不意味着购买了版权,文档只能用于自身使用,不得用于其他商业用途(如 [转卖]进行直接盈利或[编辑后售卖]进行间接盈利)。
2、本站所有内容均由合作方或网友上传,本站不对文档的完整性、权威性及其观点立场正确性做任何保证或承诺!文档内容仅供研究参考,付费前请自行鉴别。
3、如文档内容存在违规,或者侵犯商业秘密、侵犯著作权等,请点击“违规举报”。

碎片内容

灭火器采购合同

确认删除?
VIP
微信客服
  • 扫码咨询
会员Q群
  • 会员专属群点击这里加入QQ群
客服邮箱
回到顶部