电脑桌面
添加小米粒文库到电脑桌面
安装后可以在桌面快捷访问

中考计算题整理 新人教版试卷VIP专享VIP免费

中考计算题整理 新人教版试卷_第1页
1/12
中考计算题整理 新人教版试卷_第2页
2/12
中考计算题整理 新人教版试卷_第3页
3/12
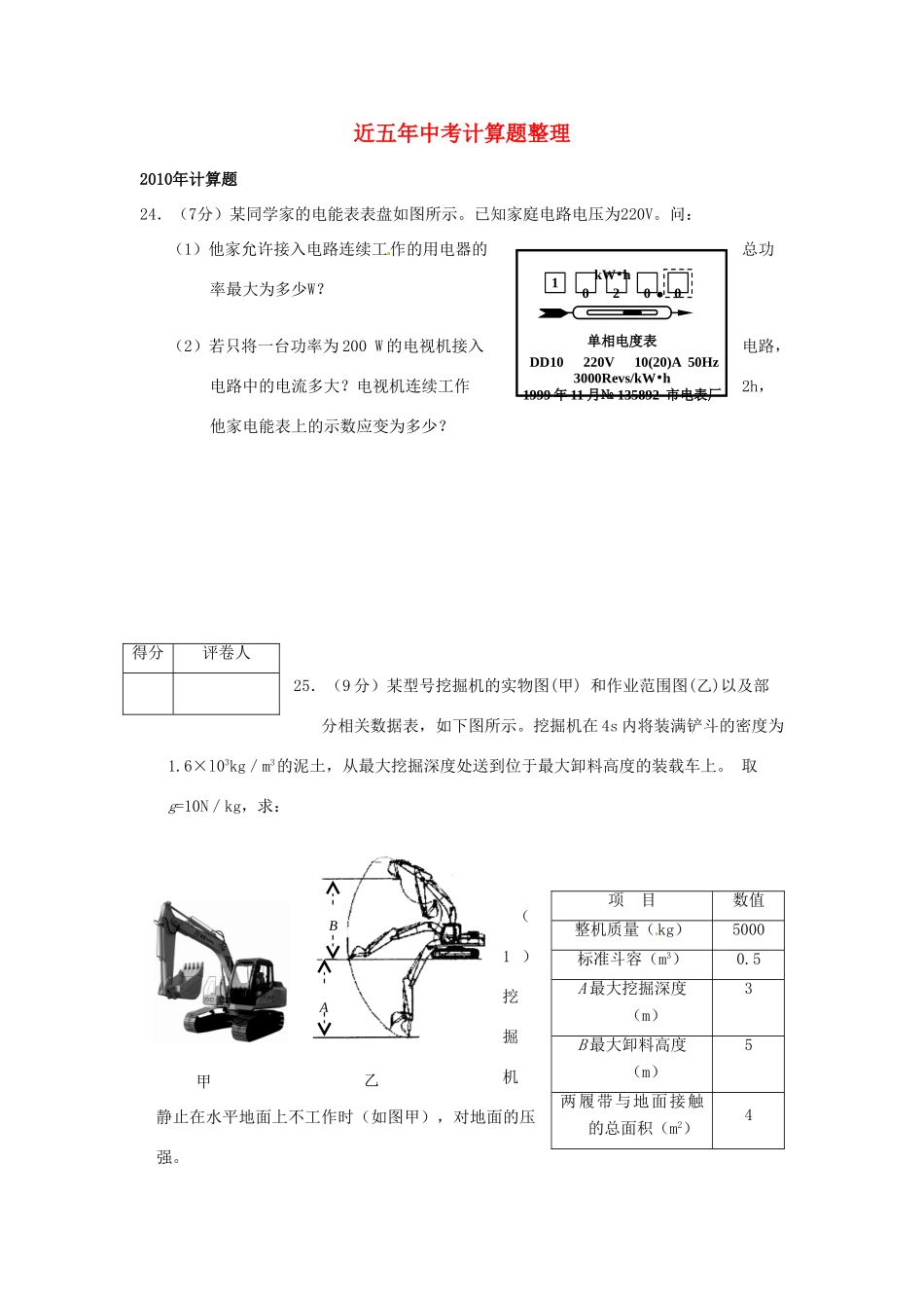
近五年中考计算题整理2010年计算题24.(7分)某同学家的电能表表盘如图所示。已知家庭电路电压为220V。问:(1)他家允许接入电路连续工作的用电器的总功率最大为多少W?(2)若只将一台功率为200W的电视机接入电路,电路中的电流多大?电视机连续工作2h,他家电能表上的示数应变为多少?25.(9分)某型号挖掘机的实物图(甲)和作业范围图(乙)以及部分相关数据表,如下图所示。挖掘机在4s内将装满铲斗的密度为1.6×l03kg/m3的泥土,从最大挖掘深度处送到位于最大卸料高度的装载车上。取g=10N/kg,求:(1)挖掘机静止在水平地面上不工作时(如图甲),对地面的压强。得分评卷人项目数值整机质量(kg)5000标准斗容(m3)0.5A最大挖掘深度(m)3B最大卸料高度(m)5两履带与地面接触的总面积(m2)410200kW•h单相电度表DD10220V10(20)A50Hz3000Revs/kW•h1999年11月№135892市电表厂甲乙AB(2)铲斗内泥土的质量。(3)移送泥土的过程中,挖掘机对泥土所做的功。(4)移送泥土的过程中,发动机的总功率是40kW,此过程挖掘机的机械效率。24.解:(1)总功率最大为P1=UI=220V×10A=2.2×103W………………………(2分)(2)电路中的电流A91.0V220W20022UPI…………………………(2分)电视机工作2h消耗的电能W2=P2t2=0.2kW×2h=0.4kW·h………(2分)电能表上的示数应变为1020.0kW·h+0.4kW·h=1020.4kW·h(1分)25.解:(1)压强P=2m4kg/N10kg5000SmgSGSF=1.25×104Pa………(2分)(2)泥土的质量m=V1.6×103kg/m3×0.5m3=800kg………………(2分)(3)对泥土做功W有=Gh=mgh=800kg×10N/kg×(3m+5m)=6.4×104J(2分)(4)挖掘机的发动机4s内做的总功W总=Pt=4×104W×4s=1.6×105J…(1分)挖掘机的机械效率%40J106.1J104.654总有WW………………(2分)2011年计算题24.(8分)我市大部分耕地是低产盐碱地,近年来政府加大投入,采用“上农(林)下渔”、“深沟排碱”和“暗管改碱”三种模式改良。在盐碱地改造工程中,应用的主要机械是专门排送泥浆的泥浆泵,泥浆泵工作时,首先由高压水枪喷射出的水柱将泥土冲起,再利用泥浆泵将泥浆抽送到目的地。下表是某型号泥浆泵的有关参数。已知泥浆的平均密度为2.0×103kg/m3,取g=10N/kg。求泥浆泵按所标参数满负荷工作一小时(以最大功率工作,每小时将60m3的泥浆竖直提高l5m):(1)所抽泥浆的质量;(2)泥浆泵对泥浆所做有用功的功率。25.(14分)下图是某兴趣小组设计的一恒温箱的原理图。“控制电路”由热敏电阻R1、滑动变阻器R0、电磁铁(线圈电阻不计)、电源U1(U1=8V)、开关、导线等组成。热敏电阻的阻值随温度变化的规律如下表。当线圈中的电流大于或等于20mA时,电磁铁的衔铁被吸下。“工作电路”由电源U2(U2=220V)、发热电阻R2(R2=110Ω)、导线等组成。问:(1)为使恒温箱温度升高到一定值时,“工作电路”自动断开,导线端点C应接哪个接线柱?(2)若设定恒温箱的温度最高为45℃,则“控制电路”中的滑动变阻器的阻值为多大?(3)“工作电路”工作时的电流为多大?(4)若要发热电阻R2产生1.32×105J的热量,则工作电路需工作多长时间?(5)“控制电路”中用到了哪些物理知识?请说出两点。流量Q(m3/h)60最大杨程(m)15最大功率(kW)10转速(r/min)960温度(℃)0~100温度/℃…3035404550…热敏电阻阻值/Ω…350300250200160…24.解:(1)所抽泥浆的质量m=ρV=2.0×l03kg/m3×60m3=1.2×105kg……………………(3分)(2)泥浆泵对泥浆所做有用功W有=Gh=mgh=1.2×105kg×10N/kg×l5m=1.8×107J……(2分)泥浆泵对泥浆所做有用功的功率:…………………………(3分)25.解:(1)导线C应接A接线柱。…………………………(2分)(2)当温度为45℃时,R1=200Ω,“控制电路”中的电流I1=20mA。R1和R0串联,由串联电路电流关系、电压关系及欧姆定律得:U1=I1R1+I1R0…………………………(2分)滑动变阻器的阻值:…………………………(2分)(3)工作电路工作时的电流I2=U2/R2=220V/110Ω=2A…………………………(2分)(4)由焦耳定律:…………………………(2分)得工作电路需工作时间…………………………(2分)(5)电流的磁效应;欧...

1、当您付费下载文档后,您只拥有了使用权限,并不意味着购买了版权,文档只能用于自身使用,不得用于其他商业用途(如 [转卖]进行直接盈利或[编辑后售卖]进行间接盈利)。
2、本站所有内容均由合作方或网友上传,本站不对文档的完整性、权威性及其观点立场正确性做任何保证或承诺!文档内容仅供研究参考,付费前请自行鉴别。
3、如文档内容存在违规,或者侵犯商业秘密、侵犯著作权等,请点击“违规举报”。

碎片内容

中考计算题整理 新人教版试卷

确认删除?
VIP
微信客服
  • 扫码咨询
会员Q群
  • 会员专属群点击这里加入QQ群
客服邮箱
回到顶部