电脑桌面
添加小米粒文库到电脑桌面
安装后可以在桌面快捷访问

安全检查表清单VIP免费

安全检查表清单_第1页
1/7
安全检查表清单_第2页
2/7
安全检查表清单_第3页
3/7
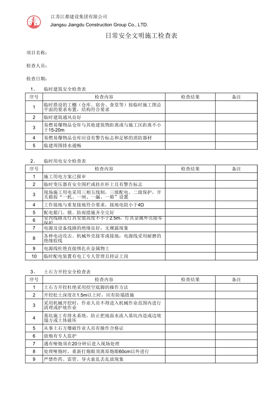
JiangsuJiangduConstructionGroupCo.,LTD.1234512345678910123456789江苏江都建设集团有限公司日常安全文明施工检查表项目名称:检查人员:检查日期:1、临时建筑安全检查表序号检查内容检查结果备注临时搭设的工棚(仓库、宿舍、食堂等)按临时施工图总平面的要求布置,结构符合要求临时建筑通风良好易燃易爆物品仓库与其他建筑物距离或与施工区距离不小于15-20m易燃易爆物品仓库应设有警告标志和足够的消防器材临建周围排水通畅2、临时用电安全检查表序号检查内容检查结果备注施工用电方案已报审临时变压器有安全围栏或挂在杆上且有警告标志现场施工用电采用三相五线制,三级配电、二级保护,开关箱按“一机、一闸、一漏、一箱”设置工作接地与重复接地符合要求,接地电阻小于4Ω配电箱门、锁、防雨措施齐全完好室内线路及灯具安装高度不小于2.5m,灯具金属外壳接零保护电源及设备线路的绝缘良好,无裸露现象各种电动攻击、机械外壳接零或接地,电源线采用耐磨的绝缘胶线电源线杜绝直接绑扎在金属物上临时配电装置有电工专人管理且持证上岗3、土石方开挖安全检查表序号检查内容检查结果备注土石方开挖杜绝采用挖空底脚的操作方法开挖松土深度在1.5m以上时,应有防塌措施采用机械开挖时,作业人员不得进入机械作业范围内进行清理或护坡作业基坑施工有排水系统,防止把地面水流入基坑内造成边坡塌方或土体破坏从事土石方爆破作业人员有操作合格证放炮有专人监护遇有哑炮须在20分钟后进入现场处理处理哑炮时,重新打炮眼须离原炮眼60cm以外进行严禁炸药、雷管、导火索乱丢乱放现象JiangsuJiangduConstructionGroupCo.,LTD.江苏江都建设集团有限公司日常安全文明施工检查表1234567891011124、钢管脚手架安全检查表序号检查内容检查结果备注脚手架施工方案已报审,脚手架搭设前有交底,脚手架搭设后经验收合格钢管脚手架钢管扣件完好,管径一致、配套钢管立杆、大横杆的接头应错开,且搭设长度不小于50cm承接管接头长度不小于8cm,水平插式接头应用扣件连接脚手架立杆应垂直稳放在金属底座或垫木上立杆间距不大于2m,大横杆间距不大于1.2m,小横杆间距离不大于1.5m脚手架按规定设有剪刀撑及支杆脚手板应用厚度为5cm优质木材或用竹蓖平稳铺设,绑扎牢固,杜绝探头斜道板、跳板坡度不大于1:3,宽度不小于1.5m,防滑条间距不大于30cm脚手架外侧,斜道和平台挂密目网有车辆通过的通道处或搬运器材的通道处的脚手架立柱应设围栏并挂警示牌脚手架的荷载不得超过270kg/m25、物料提升安全检查表序号检查内容检查结果备注1.架体1)架体安装措施已报审,且已进行技术交底,安装后有验收2)基础应能承受全部荷载3)周围有防护栏杆及排水设施4)架体稳固5)井架三面有挂密目网,防雷接地,可靠接地电阻小于10Ω6)吊笼有安全门2.揽风绳1)架高小于20m的设揽风绳一组,钢丝绳≥9.3mm,45°-60°角,地锚埋设牢固2)揽风绳跨越道路时应有防护,距离地面高度不得小于5m,且设置警告标志3)有限位装置4)卸料平台搭设牢固,设有防护栏杆6、“三宝、四口”安全检查表序号检查内容检查结果备注1.三宝1)安全帽:进入施工现场正确配戴安全帽2)安全网:脚手架外侧挂密目网封闭;井字架、卸料平台栏杆自上而下加挂密目网;洞口边长大于1.5m,四周有防护栏杆,洞口上下挂平网3)安全带:高空作业人员、架子工、高处外墙安装门窗无外架子时须戴安全带JiangsuJiangduConstructionGroupCo.,LTD.江苏江都建设集团有限公司日常安全文明施工检查表2.四口1)预留洞口、坑井口有防护栏杆、盖板2)通道口有护棚3)阳台、洞口、楼层临边设有两道防护栏(上栏杆1.2-1.05m,下栏杆05.-06m)4)楼梯口有防护栏杆高1.05-1.2m,踢脚板高0.18m7、文明施工检查表序号检查内容检查结果备注1.现场围挡:围墙不能先施工者,应四周设置围挡,其高度不得低于2.5m,材料坚固,搭设稳定、整洁、美观2.封闭管理:施工现场进出口有大门,有门卫制度,门头设置企业标示3.施工现场1)工地地面经硬化处理,道路畅通、排水无阻、地面无积水2)设有防泥浆、污水、废水外流或堵塞下水道的排水河道措施3)办公室前有绿化布置4)道路有人打扫...

1、当您付费下载文档后,您只拥有了使用权限,并不意味着购买了版权,文档只能用于自身使用,不得用于其他商业用途(如 [转卖]进行直接盈利或[编辑后售卖]进行间接盈利)。
2、本站所有内容均由合作方或网友上传,本站不对文档的完整性、权威性及其观点立场正确性做任何保证或承诺!文档内容仅供研究参考,付费前请自行鉴别。
3、如文档内容存在违规,或者侵犯商业秘密、侵犯著作权等,请点击“违规举报”。

碎片内容

安全检查表清单

您可能关注的文档

确认删除?
VIP
微信客服
  • 扫码咨询
会员Q群
  • 会员专属群点击这里加入QQ群
客服邮箱
回到顶部