电脑桌面
添加小米粒文库到电脑桌面
安装后可以在桌面快捷访问

井点降水计算VIP免费

井点降水计算_第1页
1/4
井点降水计算_第2页
2/4
井点降水计算_第3页
3/4
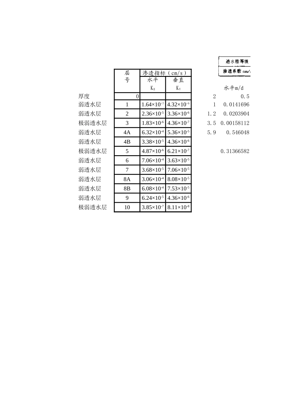
一、计算井点管长度12.200.500.103.9015.0014.70二、无压完整井群井井点涌水量计算:0.3111.7047.598.0016.92117.69H1S/H1三、无压非完整井井点系统涌水计算:22.700.35242332.92213.00四、确定井点管数量与间距:49.940.102.594.69基坑长:30.00基坑宽:30.0075.3718.832.518.1117.69213.00Hs(m)=15.00说明:为用户输入数据项目为计算项目为计算结果为用户输入数据基坑深度H1=露出基坑长度h=水力坡降i=l(滤管长)=L(井点管中心至基坑中心的水平距离)=井点管长L=K(渗透系数m/d)=H(含水层厚度m)=R(抽水影响半径m)=S(水位降低值m)=x0(基坑假想半径m)=Q(总涌水量m^3/d)=H0(有效带深度)=Q(总涌水量m^3/d)=1、井点管需要根数计算:q(单根井点管出水量)d(滤管直径):井点管需要数n(无压完整井)=井点管需要数n(无压非完整井)=2、井点管间距计算井点管间距D(无压完整井)=井点管间距D(无压非完整井)=五、水泵所需功率(KW):无压完整井=无压非完整井=层号水平垂直厚度020.5弱透水层110.0141696弱透水层21.20.0203904极弱透水层33.50.00158112弱透水层4A5.90.546048弱透水层4B极弱透水层50.31366582弱透水层6弱透水层7弱透水层8A弱透水层8B弱透水层9极弱透水层10渗透指标(cm/s)KHKV水平m/d1.64×10-54.32×10-62.36×10-53.36×10-61.83×10-64.36×10-76.32×10-45.36×10-53.38×10-54.36×10-64.87×10-66.21×10-77.06×10-43.63×10-53.68×10-57.06×10-53.06×10-48.08×10-56.08×10-47.53×10-56.24×10-54.36×10-63.85×10-78.11×10-80.50.003732480.002903040.0003767040.04631040.001346029垂直m/d

1、当您付费下载文档后,您只拥有了使用权限,并不意味着购买了版权,文档只能用于自身使用,不得用于其他商业用途(如 [转卖]进行直接盈利或[编辑后售卖]进行间接盈利)。
2、本站所有内容均由合作方或网友上传,本站不对文档的完整性、权威性及其观点立场正确性做任何保证或承诺!文档内容仅供研究参考,付费前请自行鉴别。
3、如文档内容存在违规,或者侵犯商业秘密、侵犯著作权等,请点击“违规举报”。

碎片内容

井点降水计算

您可能关注的文档

最好的沉淀+ 关注
实名认证
内容提供者

行业文档

相关标签

确认删除?
VIP
微信客服
  • 扫码咨询
会员Q群
  • 会员专属群点击这里加入QQ群
客服邮箱
回到顶部