电脑桌面
添加小米粒文库到电脑桌面
安装后可以在桌面快捷访问

采购员绩效考核办法VIP免费

采购员绩效考核办法_第1页
1/3
采购员绩效考核办法_第2页
2/3
采购员绩效考核办法_第3页
3/3
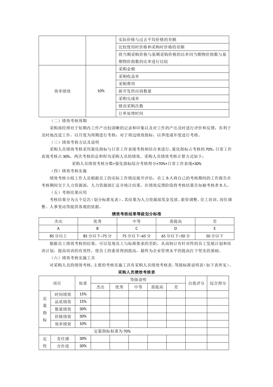
采购人员绩效考核实施方案一、目的为贯彻企业绩效考核管理制度,全面评价采购人员的工作绩效,保证企业经营目标的实现,同时也为员工的薪资调整、教育培训、晋升等提供准确、客观的依据,特制定采购人员绩效考核实施方案。二、遵循原则(一)明确化、公开化原则考评标准、考评程序和考评责任都应当有明确的规定,而且在考评中应当遵守这些规定。同时,考评标准、程序和对考评责任者的规定在企业内部应当对全体员工公开。(二)客观考评的原则明确规定的考评标准,针对客观考评资料进行评价,避免掺入主观性和感情色彩。做到“用事实说话”,考评一定要建立在客观事实的基础上。其次要做到把被考评者与既定标准作比较,而不是在人与人之间进行比较。(三)差别的原则考核的等级之间应当有鲜明的差别界限,针对不同的考评评语在工资、晋升、使用等方面应体现明显差别,使考评带有刺激性,激励员工的上进心。(四)反馈原则考评结果(评语)一定要反馈给被考评者本人。在反馈考评结果的同时,应当向被考评者就评语进行说明解释,肯定成绩和进步,说明不足之处,提供今后努力方向的参考意见等。三、适用范围适用于本企业采购部人员,以下人员除外。①考核期开始后进入本企业的员工。②因私、因病、因伤而连续缺勤三十日以上者。③因公伤而连续缺勤七十五日以上者。④虽然在考核期任职,但考核实施日已经退职者。四、绩效考核小组成员人力资源部负责组织绩效考核的全面工作,其主要成员包括人力资源部经理、采购部经理、采购部主管人力资源部绩效考核专员、人力资源部一般工作人员。五、采购绩效考核实施(一)采购人员绩效考核指标采购人员绩效考核以适时、适质、适量、适价、适地的方式进行,并用量化指标作为考核的尺度。主要利用采购时间、采购品质、采购数量、采购价格、采购效率五个方面的指标对采购人员进行绩效考核。量化指标如下表所示。采购人员绩效考核指标绩效考核方面权重(%)考核指标/指标说明时间绩效30%停工断料,影响工时紧急采购(如空运)的费用差额品质绩效30%进料品质合格率物料使用的不良率或退货率数量绩效15%呆物料金额呆物料损失金额库存金额库存周转率价格绩效15%实际价格与标准成本的差额实际价格与过去平均价格的差额比较使用时价格和采购时价格的差额将当期采购价格与基期采购价格的比率同当期物价指数与基期物价指数的比率进行比较效率绩效10%采购金额采购收益率采购费用新开发供应商数量采购完成率错误采购次数订单处理时间(二)绩效考核周期采购部经理对于短期内工作产出较清晰的记录和印象以及对工作的产出及时进行评价和反馈,有利于及时地改进工作,以月度为周期进行考核;对于周边绩效指标,以季度或年度进行考核。(三)绩效考核方法及说明采购人员绩效考核采用量化指标与日常工作表现考核相结合来进行,量化指标占考核的70%,日常工作表现考核占30%。两次考核的总和即为采购人员的绩效。采购人员绩效考核计算方式如下:采购人员绩效考核分数=量化指标综合考核得分×70%+日常工作表现×30%(四)绩效考核实施绩效考核小组工作人员根据员工的实际工作情况展开评估,员工本人将自己的考核期间的工作报告在考核期间交于人力资源部,人力资源部汇总并统计结果,在绩效反馈阶段将考核结果告知被考核者本人。(五)考核结果应用考核结果分为五个层次(划分标准见表),其结果为人力资源部奖金发放、薪资调整、员工培训、岗位调整、人事变动等提供客观的依据。绩效考核结果等级划分标准杰出优秀中等需提高差ABCDE85分以上85分以下~75分75分以下~65分65分以下~50分50分以下根据员工绩效考核的结果,可以发现员工与标准要求的差距,从而制订有针对性的员工发展计划和培训计划,提高培训的有效性,使员工的素质得到提高,最终为企业管理水平的提高打下坚实的基础。(六)绩效考核实施工具对采购人员的绩效考核,主要的考核实施工具有采购人员绩效考核表、等级标准说明表(如下表所见)。采购人员绩效考核表项目权重等级说明自我评分综合得分杰出优秀中等需提高差定量指标时间绩效15%品质绩效15%数量绩效30%价格绩效30%效率绩效10%定量指标权重为70%定性责任感...

1、当您付费下载文档后,您只拥有了使用权限,并不意味着购买了版权,文档只能用于自身使用,不得用于其他商业用途(如 [转卖]进行直接盈利或[编辑后售卖]进行间接盈利)。
2、本站所有内容均由合作方或网友上传,本站不对文档的完整性、权威性及其观点立场正确性做任何保证或承诺!文档内容仅供研究参考,付费前请自行鉴别。
3、如文档内容存在违规,或者侵犯商业秘密、侵犯著作权等,请点击“违规举报”。

碎片内容

采购员绩效考核办法

确认删除?
VIP
微信客服
  • 扫码咨询
会员Q群
  • 会员专属群点击这里加入QQ群
客服邮箱
回到顶部