电脑桌面
添加小米粒文库到电脑桌面
安装后可以在桌面快捷访问

常用螺栓的标准及规格表VIP免费

常用螺栓的标准及规格表_第1页
1/9
常用螺栓的标准及规格表_第2页
2/9
常用螺栓的标准及规格表_第3页
3/9
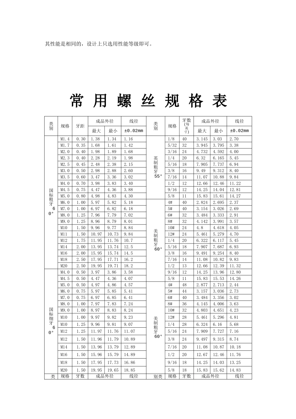
常用螺栓的标准及规格表国家标准规定了螺纹规格为M3~M64,A和B级的六角头螺栓.A级用于D<=24和L<=10D或L<=150mm(按较小值)的螺栓;B级用于D>24或L>10D或L>150(按较小值)的螺栓外六角螺栓尺寸规格(如图)钢结构连接用螺栓性能等级分3.6、4.6、4.8、5.6、6.8、8.8、9.8、10.9、12.9等10余个等级,其中8.8级及以上螺栓材质为低碳合金钢或中碳钢并经热处理(淬火、回火),通称为高强度螺栓,其余通称为普通螺栓。螺栓性能等级标号有两部分数字组成,分别表示螺栓材料的公称抗拉强度值和屈强比值。例如,性能等级4.6级的螺栓,其含义是:1、螺栓材质公称抗拉强度达400MPa级;2、螺栓材质的屈强比值为0.6;3、螺栓材质的公称屈服强度达400×0.6=240MPa级性能等级10.9级高强度螺栓,其材料经过热处理后,能达到:1、螺栓材质公称抗拉强度达1000MPa级;2、螺栓材质的屈强比值为0.9;3、螺栓材质的公称屈服强度达1000×0.9=900MPa级螺栓性能等级的含义是国际通用的标准,相同性能等级的螺栓,不管其材料和产地的区别,其性能是相同的,设计上只选用性能等级即可。常用螺丝规格表类别规格牙距成品外径线径类别规格牙数(每英寸)成品外径线径最大最小±0.02mm最大最小±0.02mm国标粗牙60°M1.40.301.381.341.16英制粗牙55°1/8403.1453.032.70M1.70.351.681.611.425/32323.9453.7953.38M2.00.401.981.891.683/16244.7324.5924.00M2.30.402.282.191.981/4206.326.1655.45M2.50.452.482.382.155/16187.9057.7376.94M3.00.502.982.882.603/8169.499.3128.40M3.50.603.473.363.027/161411.0710.889.84M4.00.703.983.833.401/21212.6612.4611.22M4.50.754.474.363.889/161214.2514.0412.81M5.00.804.984.834.305/81115.8315.6114.27M6.01.005.975.825.18美制粗牙60°4#402.8242.6952.37M7.01.006.976.826.185#403.1543.0262.69M8.01.257.967.797.026#323.4843.3332.91M9.01.258.968.798.018#324.1423.9913.57M101.509.969.778.8410#244.84.6184.05M111.5010.9710.739.8412#245.4615.2794.70M121.7511.9511.7610.71/4206.3226.1175.45M142.0013.9513.7412.55/16187.9077.6876.93M162.0015.9515.7414.53/8169.4919.2548.40M182.5017.9517.7116.27/161411.0810.829.83M202.5019.9519.7118.21/21312.6612.3911.32国标细牙60°M4.00.503.973.863.589/161214.2513.9612.80M4.50.504.474.364.075/81115.8315.5314.26M5.00.504.974.864.57美制粗牙60°4#482.8772.7132.44M6.00.755.975.855.415#443.1573.0362.73M7.00.756.976.856.416#403.4843.3563.02M8.01.007.977.837.248#364.1454.0063.63M9.01.008.978.838.2410#324.8034.6514.23M101.009.979.829.2312#285.4615.2964.81M101.259.969.819.071/4286.3246.165.68M121.2511.9711.7611.075/16247.9097.7277.16M121.5011.9611.7910.893/8249.4979.3158.74M141.5013.9613.7912.897/162011.0810.8710.18M161.5015.9615.7914.891/22012.6712.4611.76M181.5017.9517.7316.869/161814.2514.0313.25M201.5019.9519.6518.855/81815.8315.6214.83类规格牙数成品外径线径类别规格牙数成品外径线径别或牙数或牙数最大最小±0.02mm最大最小±0.02mm国标7660°M3.01.23.02.852.38美制铁板A牙60°2#322.232.131.78M3.51.43.53.352.753#282.562.462.08M4.01.64.03.853.154#242.892.792.28M4.51.84.54.353.475#203.303.202.60M5.025.04.853.906#183.583.452.78M6.02.56.05.854.677#164.013.863.10日制A牙铁铁钉60°M2.0322.102.001.708#154.264.113.30M2.3322.402.301.959#144.554.403.45M2.6282.702.602.1010#124.924.773.75M3.0243.103.002.4212#115.605.464.30M3.5183.653.502.8314#106.456.295.05M4.0164.154.003.25美制铁板AB牙60°2#322.232.081.78M4.5144.654.503.603#282.562.462.05M5.0125.205.004.004#242.892.742.28M6.0106.206.004.855#203.303.202.57M8.098.208.006.486#203.533.432.80日制AB牙铁铁钉60°M2.0402.001.901.657#193.913.783.13M2.3322.302.201.858#184.214.043.38M2.6282.602.502.1010#164.804.653.80M3.0243.002.902.4012#145.405.314.38M3.5203.5...

1、当您付费下载文档后,您只拥有了使用权限,并不意味着购买了版权,文档只能用于自身使用,不得用于其他商业用途(如 [转卖]进行直接盈利或[编辑后售卖]进行间接盈利)。
2、本站所有内容均由合作方或网友上传,本站不对文档的完整性、权威性及其观点立场正确性做任何保证或承诺!文档内容仅供研究参考,付费前请自行鉴别。
3、如文档内容存在违规,或者侵犯商业秘密、侵犯著作权等,请点击“违规举报”。

碎片内容

常用螺栓的标准及规格表

您可能关注的文档

确认删除?
VIP
微信客服
  • 扫码咨询
会员Q群
  • 会员专属群点击这里加入QQ群
客服邮箱
回到顶部