电脑桌面
添加小米粒文库到电脑桌面
安装后可以在桌面快捷访问

登高架设作业安全技术实际操作考试标准VIP免费

登高架设作业安全技术实际操作考试标准_第1页
1/10
登高架设作业安全技术实际操作考试标准_第2页
2/10
登高架设作业安全技术实际操作考试标准_第3页
3/10
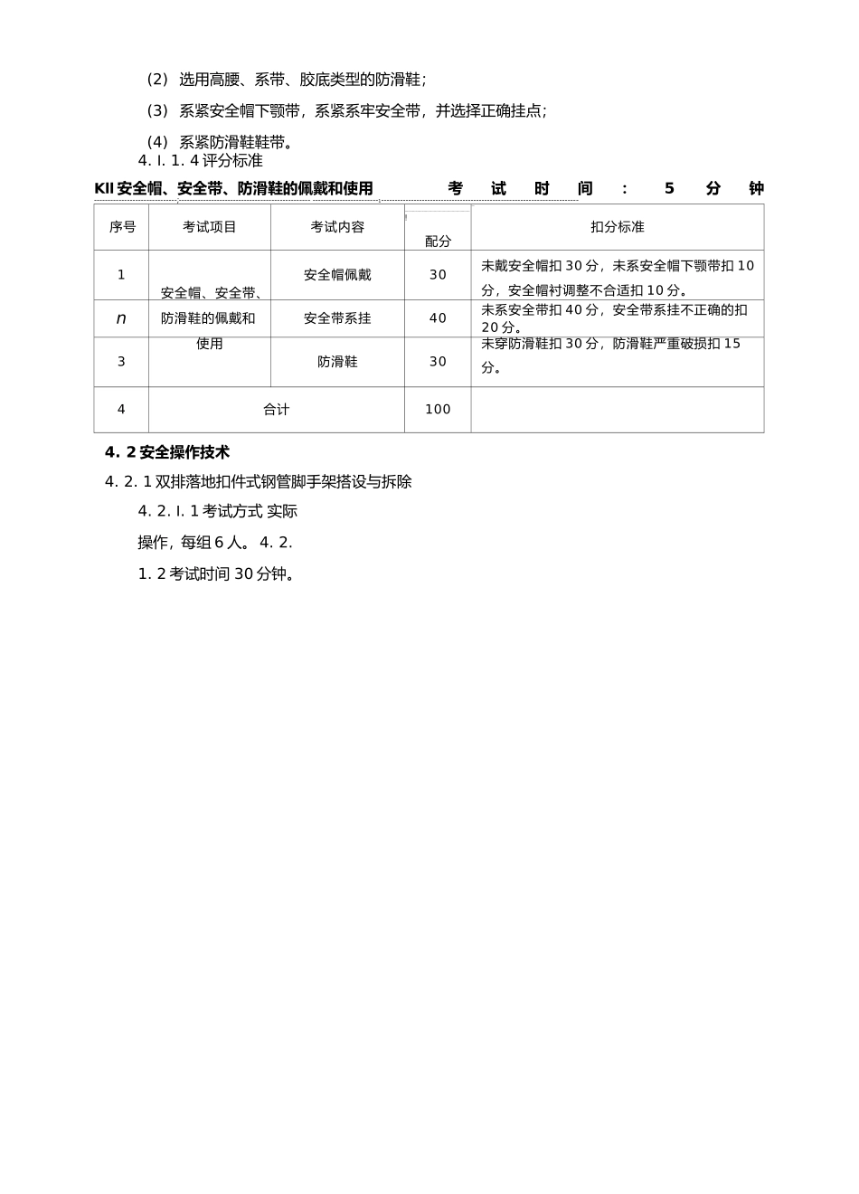
登高架设作业安全技术实际操作考试标准1.制定依据《登高架设作业安全技术培训大纲及考核标准》。2.考试方式实际操作、仿真模拟操作、口述方式。3.考试要求3.1实操科目及内容3.I.1科目1:安全用具使用(简称Kl)3.1.1.1安全帽、安全带、防滑鞋的佩戴和使用(简称K11)3.1.2科目2:安全操作技术(简称K2)3.1.2.1双排落地扣件式钢管脚手架搭设与拆除(简称K21)3.1.2.2双排钢管跨越架搭设(简称K22)3.1.2.3单排毛竹(或木杆)跨越架搭设(简称K23)3.1.3科目3:作业现场安全隐患排除(简称K3)3.1.3.1查找脚手架存在的安全隐患(简称K31)3.1.3.2扣件式钢管脚手架部件的判废(简称K32)3.1.4科目4:作业现场应急处置(简称K4)3.1.4.1单人徒手心肺复苏(简称K41)3.1.4.2创伤包扎(简称K42)3.2组卷方式实操试卷从上述4个科目中,各抽取一道实操题组成。具体题目由考试系统或考生抽取产生。3.3考试成绩实操考试成绩总分值为100分,80分(含)以上为考试合格;若考题中设置有否决项,否决项未通过,则实操考试不合格。科目1、科目2、科目3、科目4分值权重分别为20%、60%、10%、10%。3.4考试时间45分钟。4.考试内容4.1安全用具使用4.1.1安全帽、安全带、防滑鞋的佩戴和使用4.I.I.1考试方式实际操作。4.I.1.2考试时间5分钟。4.I.I.3安全操作步骤(1)检查安全帽、安全带、防滑鞋符合规范要求,且完整无损;(2)选用高腰、系带、胶底类型的防滑鞋;(3)系紧安全帽下颚带,系紧系牢安全带,并选择正确挂点;(4)系紧防滑鞋鞋带。4.I.1.4评分标准4.2安全操作技术4.2.1双排落地扣件式钢管脚手架搭设与拆除4.2.I.1考试方式实际操作,每组6人。4.2.1.2考试时间30分钟。Kll安全帽、安全带、防滑鞋的佩戴和使用考试时间:5分钟------------------------------;------------------------------------------------------------------------1------------------------------------------------------------------------序号考试项目考试内容-----------------------------------------------------------!配分—扣分标准1安全帽、安全带、安全帽佩戴30未戴安全帽扣30分,未系安全帽下颚带扣10分,安全帽衬调整不合适扣10分。n防滑鞋的佩戴和安全带系挂40未系安全带扣40分,安全带系挂不正确的扣20分。3使用防滑鞋30未穿防滑鞋扣30分,防滑鞋严重破损扣15分。4合计100正面侧面双排落地扣件式钢管脚手架构造示意图4.2.1.3安全操作步骤(1)摆放垫木、底座。垫木平整,地面无杂物;底座与垫木摆放平稳。(2)搭设立杆和纵、横向扫地杆。立杆应与地面垂直,纵向扫地杆距地面高度不大于200mm,横向扫地杆应在纵向扫地杆的下方。(3)搭设纵、横向水平杆。纵向水平杆应保持水平,且与立杆连接牢固,横向水平杆距主节点不得大于150_。(4)安装连墙件。连墙件应水平牢固。(5)搭设剪刀撑。剪刀撑角度应为45-60°。(6)铺设脚手板。脚手板应铺平铺严。(7)搭设防护栏杆。防护栏杆上杆高度应为1.2m。(8)挂设安全网。安全网应平整牢固。(9)设置挡脚板。挡脚板高度不应低于180mm。(10)拆除作业。先搭后拆、后搭先拆。4.2.1.4评分标准K21双排落地扣件式钢管脚手架搭设与拆除考试时间:30分钟------------------------------;-----------------------------------------------,-----------------------*------------------------------------------------------------------------序号考试项目------------------------------------------------!考试内容—配分扣分标准1双排落地扣件式钢管脚手架搭设与拆除摆放垫木、底座6未设置垫木的,扣6分;设置不正确的,每处扣2分;未设置底座的,每处扣2分2搭设立杆________________________________________I6____________________杆件间距尺寸偏差超过规定值的,每处扣2分;立杆垂直度偏差超过规定值的,每处扣2分;连接不正确的,每处扣2分4.2.2双排钢管跨越架搭设与拆除4.2.2.1考试方式实际操作。4.2.2.2考试时间30分钟。4.2.2.3安全操作步骤(1)摆放垫木、底座。垫木平整,地面无杂物;底座与垫木摆放平稳。(2)搭设立杆和纵、横向扫地杆。立杆应与地面垂直,纵向扫地杆距地面高度不大于200mm,横向扫...

1、当您付费下载文档后,您只拥有了使用权限,并不意味着购买了版权,文档只能用于自身使用,不得用于其他商业用途(如 [转卖]进行直接盈利或[编辑后售卖]进行间接盈利)。
2、本站所有内容均由合作方或网友上传,本站不对文档的完整性、权威性及其观点立场正确性做任何保证或承诺!文档内容仅供研究参考,付费前请自行鉴别。
3、如文档内容存在违规,或者侵犯商业秘密、侵犯著作权等,请点击“违规举报”。

碎片内容

登高架设作业安全技术实际操作考试标准

您可能关注的文档

状元书阁+ 关注
实名认证
内容提供者

爱好英语教学和互联网行业,热爱教育事业,兢兢业业

确认删除?
VIP
微信客服
  • 扫码咨询
会员Q群
  • 会员专属群点击这里加入QQ群
客服邮箱
回到顶部