电脑桌面
添加小米粒文库到电脑桌面
安装后可以在桌面快捷访问

中专电气控制实训大纲与考核标准VIP免费

中专电气控制实训大纲与考核标准_第1页
1/9
中专电气控制实训大纲与考核标准_第2页
2/9
中专电气控制实训大纲与考核标准_第3页
3/9
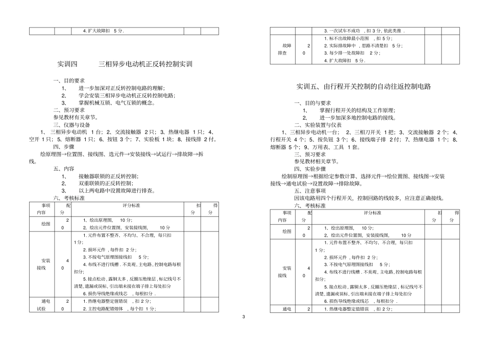
1电气控制实训大纲与考核标准实训一、控制电路中常用电器元件的装拆一、目的与要求1、掌握接触器、热继电器、时间继电器的结构和工作原理;2、掌握按钮、倒顺开关、刀开关、熔断器的结构与工作原理;3、熟悉以上电器的型号标法及含义。二、预习要求教材中有关章节。三、仪器与设备1、接触器1只,2、按钮1只,3、热继电器1只,4、时间继电器1只,5、熔断器1只,6、空开1只,7、倒顺开关1只。四、步骤对以上各器件分别进行拆,画草图→装→检查完好性。五、注意事项:1、在拆之前预习相关元件结构原理等内容;2、注意装、拆顺序,防漏装或装错。六、考核标准工时:2小时。项目内容配分考核标准扣分得分接触器301、绘制草图正确,10分;2、口述结构与工作原理,10分;3、装、拆顺序正确,保持完好,10分;热继电器201、绘制草图正确,5分;2、口述结构与工作原理,10分;3、装、拆顺序正确,保持完好,5分;按钮101、绘制草图正确,2分;2、口述结构与工作原理,5分;3、装、拆顺序正确,保持完好,3分;时间继电器201、绘制草图正确,5分;2、口述结构与工作原理,10分;3、装、拆顺序正确,保持完好,5分;空气断21、绘制草图正确,5分;路器02、口述结构与工作原理,10分;3、装、拆顺序正确,保持完好,5分;实训二、三相异步电动机起动、连续运行控制实训一、目的要求1、进一步理解接触器、热继电器按负载、熔断器的结构和作用;2、了解电气控制主电路和控制电路的工作情况;3、学会连接三相异步电动机起动控制小电路;4、学会连接三相异步电动机连续运行控制线路。二、预习内容教材有关章节。三、仪器与设备1、三相异步电动机1台,2、交流接触器1只,3、热继电器1只,4、刀开关1只,5、熔断器5只,6、实训安装板1块,7、万用表1块,8、接线端子排2付,9、按钮2个,10、线号管若干。四、内容与步骤1、异步电动机的点动控制画出原理图→电器布置图→接线图→安装→检查→通电试验→查故障→拆线。2、异步电动机连续运行控制画出原理图→电器布置图→接线图→安装→检查→通电试验→查故障→拆线。3、三相异步电动机点动连续控制。4、设置主电路一处,控制回路两处故障,让学生试排除。五、注意事项1、装拆时用力不过猛,以名损坏元件;2、注意送停电顺序。六、考核标准(点动控制)工时3小时。事项内容配分评分标准扣分得分绘图201、绘出原理图,10分;2、绘出元件位置图,安装接线图,10分安装接线401、元件布置不整齐、不均匀、不合理,每只扣1分;2、损坏元件,每件扣2分;3、不按电气原理图接线扣5分;4、布线不进行线槽.不美观,主电路,控制电路每根扣分;25、接点松动,露铜太多,反圈压绝缘层,标记线号不清楚,遗漏或误标,引出端未接在端子排上每处扣分6、损伤导线绝缘或线芯,每根扣分.通电试验201.热继电器整定值错误,扣2分;2.主控电路配错熔体,每个扣1分;3.一次试车不成功,扣3分,依此类推.故障排查201.标不出故障最小范围,扣5分;2.实际排故障中,思路不清楚扣5分;3.每少排一处故障扣2分;4.扩大故障扣5分.总分:考评员:七、考核标准(连接控制)事项内容配分评分标准扣分得分绘图201、绘出原理图,10分;2、绘出元件位置图,安装接线图,10分安装接线401.元件布置不整齐、不均匀、不合理,每只扣1分;2.损坏元件,每件扣2分;3.不按电气原理图接线扣5分;4.布线不进行线槽.不美观,主电路,控制电路每根扣分;5.接点松动,露铜太多,反圈压绝缘层,标记线号不清楚,遗漏或误标,引出端未接在端子排上每处扣分6.损伤导线绝缘或线芯,每根扣分.通电试验201.热继电器整定值错误,扣2分;2.主控电路配错熔体,每个扣1分;3.一次试车不成功,扣3分,依此类推.故障排查201.标不出故障最小范围,扣5分;2.实际排故障中,思路不清楚扣5分;3.每少排一处故障扣2分;4.扩大故障扣5分.实训三、单接触器、倒顺开关控制的正反转控制电路一、目的与要求1、通过对控制线路的连接和操作,进一步掌握自锁、失压保护的工作原理;2、了解倒顺开关的结构、三相异步电动机反向盍的原理。二、预习要求学习教材有关章节。三、仪器与设备1、三相异步电动机1台;2、交流接触器1只;3、热继电器1只;3、刀开关1只;5、熔断器5只;6、倒...

1、当您付费下载文档后,您只拥有了使用权限,并不意味着购买了版权,文档只能用于自身使用,不得用于其他商业用途(如 [转卖]进行直接盈利或[编辑后售卖]进行间接盈利)。
2、本站所有内容均由合作方或网友上传,本站不对文档的完整性、权威性及其观点立场正确性做任何保证或承诺!文档内容仅供研究参考,付费前请自行鉴别。
3、如文档内容存在违规,或者侵犯商业秘密、侵犯著作权等,请点击“违规举报”。

碎片内容

中专电气控制实训大纲与考核标准

爱的疯狂+ 关注
实名认证
内容提供者

该用户很懒,什么也没介绍

确认删除?
VIP
微信客服
  • 扫码咨询
会员Q群
  • 会员专属群点击这里加入QQ群
客服邮箱
回到顶部