电脑桌面
添加小米粒文库到电脑桌面
安装后可以在桌面快捷访问

保温装饰一体化板技术要求VIP免费

保温装饰一体化板技术要求_第1页
1/17
保温装饰一体化板技术要求_第2页
2/17
保温装饰一体化板技术要求_第3页
3/17
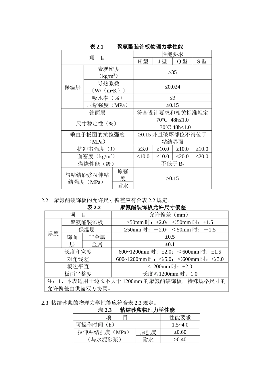
保温装饰一体化板技术要求一、基本规定1.1聚氨酯装饰板外保温系统应满足下列要求:(1)应能适应基层的正常变形而不产生裂缝或空鼓;(2)应能长期承受自重而不产生有害的变形;(3)应能承受风荷载和室外气候的长期反复作用而不产生破坏;(4)应与基层墙体有可靠连接,避免在地震时脱落。1.2聚氨酯装饰板外保温系统的防火、防水、保温、隔热和防潮性能应符合现行国家、行业和山东省有关标准的要求。在可能受到生物侵害(鼠害、虫害等)时,应具有防生物侵害性能。1.3聚氨酯装饰板外保温系统应按照审查合格的设计文件和审查批准的施工方案施工。1.4聚氨酯装饰板外保温系统的验收应符合《建筑节能工程施工质量验收规范》GB50411的规定。1.5在正确使用和正常维护的条件下,聚氨酯装饰板外保温系统的使用年限应不少于25年。二、系统及其组成材料性能要求1、系统性能要求1.1聚氨酯装饰板外保温系统的性能要求应符合表1.1的规定。表1.1聚氨酯装饰板外保温系统性能要求项目性能要求耐候性80次高温-淋水循环和5次加热-冷冻循环后,不得出现饰面层起泡、空鼓或脱落等破坏,不得产生渗水裂缝,外观不得有明显变化。饰面层与保温层的拉伸粘结强度不得小于0.12MPa,并且破坏部位不得位于各层界面。抗风压值不小于工程项目的风荷载设计值抗冲击性建筑物首层墙面以及门窗口等易受碰撞部位:10J级;建筑物二层及以上墙面等不易受碰撞部位:3J级。吸水量水中浸泡1小时,系统的吸水量小于0.5kg/m2热阻复合墙体热阻符合设计要求防火性能符合设计要求和相关标准规定2、组成材料性能要求2.1聚氨酯装饰板的物理力学性能应符合表2.1要求。聚氨酯装饰板出厂成品应有提高粘贴性能的界面层。表2.1聚氨酯装饰板物理力学性能项目性能要求H型J型Q型S型保温层表观密度(kg/m3)≥35导热系数〔W/(m•K)〕≤0.024吸水率(%)≤3压缩强度(MPa)≥0.15饰面层符合设计要求和相关标准规定尺寸稳定性(%)7048h≤1.0℃-3048h≤1.0℃垂直于板面的抗拉强度(MPa)≥0.15并且破坏部位不得位于粘结界面抗冲击强度(J)≥3.0≥10.0≥10.0≥10.0面密度(kg/m2)≤10.0≤10.0≤20.0≤20.0燃烧性能(级)不低于B2与粘结砂浆拉伸粘结强度(MPa)原强度≥0.15耐水2.2聚氨酯装饰板的允许尺寸偏差应符合表2.2规定。表2.2聚氨酯装饰板允许尺寸偏差项目允许偏差(mm)厚度聚氨酯装饰板≥50mm时:±2.0;<50mm时:±1.5保温层≥50mm时:+2.0;<50mm时:+1.5饰面层非金属±0.5金属±0.1长度和宽度600~1200mm时:±2.0;<600mm时:±1.5对角线差600~1200mm时:≤5.0;<600mm时:≤3.0板边平直≤1200mm时:±2.0板面平整度长度≤1200mm时:1.0注:1、本表适用于边长不大于1200mm的聚氨酯装饰板,特殊规格尺寸的允许偏差由供需双方协商。2.3粘结砂浆的物理力学性能应符合表2.3规定。表2.3粘结砂浆物理力学性能项目性能要求可操作时间(h)1.5~4.0拉伸粘结强度(MPa)(与水泥砂浆)原强度≥0.60耐水≥0.402.4单个机械固定件技术性能应符合表2.4的规定。表4.3.4单个机械固定件技术性能项目性能要求抗拉承载力标准值≥0.30kN对系统传热增加值≤0.004W/(m2·K)2.5硅酮建筑密封胶的理化性能应符合表2.5的规定。表2.5硅酮建筑密封胶理化性能项目技术指标25LM20LM外观细腻、均匀膏状物,不应有气泡、结皮和凝胶密度(g/cm3)规定值±0.1下垂度(mm)垂直≤3水平无变形表干时间(h)≤3挤出性(mL/min)≥80弹性恢复率(%)≥80拉伸模量(MPa)23℃≤0.4-20℃≤0.6定伸粘结性无破坏紫外线辐照后粘结性无破坏冷拉-热压后粘结性无破坏浸水后定伸粘结性无破坏质量损失率(%)≤102.6单组分聚氨酯泡沫填缝剂的物理性能应符合表2.6的规定。表2.6单组分聚氨酯泡沫填缝剂的物理性能项目指标密度(kg/m³)≥10导热系数,35℃〔W/(m·K)〕≤0.050尺寸稳定性,23±2℃℃,48h(%)≤5燃烧性能(级)B2拉伸粘结强度(kPa)铝板标准条件,7d≥80浸水,7d≥60PVC塑料板标准条件,7d≥80浸水,7d≥60水泥砂浆板标准条件,7d≥60剪切强度(kPa)≥80发泡倍数(倍)≥(标示值-10)三、技术要求3.1一般规定3.1.1设计不得更改系统构造和组成材...

1、当您付费下载文档后,您只拥有了使用权限,并不意味着购买了版权,文档只能用于自身使用,不得用于其他商业用途(如 [转卖]进行直接盈利或[编辑后售卖]进行间接盈利)。
2、本站所有内容均由合作方或网友上传,本站不对文档的完整性、权威性及其观点立场正确性做任何保证或承诺!文档内容仅供研究参考,付费前请自行鉴别。
3、如文档内容存在违规,或者侵犯商业秘密、侵犯著作权等,请点击“违规举报”。

碎片内容

保温装饰一体化板技术要求

您可能关注的文档

确认删除?
VIP
微信客服
  • 扫码咨询
会员Q群
  • 会员专属群点击这里加入QQ群
客服邮箱
回到顶部