电脑桌面
添加小米粒文库到电脑桌面
安装后可以在桌面快捷访问

钢板桩围堰施工危险源清单VIP免费

钢板桩围堰施工危险源清单_第1页
1/5
钢板桩围堰施工危险源清单_第2页
2/5
钢板桩围堰施工危险源清单_第3页
3/5
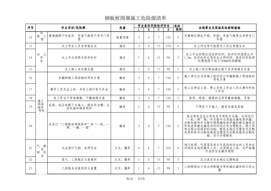
钢板桩围堰施工危险源清单第1页共5页序号危害作业条件风险性评价法法规要求及现场具体控制措施LECD1起重伤害36712632起重伤害36712633起重钢丝绳磨损、断丝超标起重伤害36712634起重刹车装置失灵起重伤害6672524起重刹车装置必须灵敏可靠5起重伤害36712636起重伤害36712637吊点位置不合理或不符合设计规定起重伤害36712638吊重超载起重伤害6672524超载或物体重量不清时不应操作9吊物重量不明时起吊,吊拔埋在地下的物品起重伤害667252410起吊时歪拉斜拽起重伤害3671263禁止起吊时歪拉斜拽11吊物上站人或有其它浮置物起重伤害6672524被吊物体上有人或浮置物禁止操作作业活动/危险源危险级别起重吊装工程起重吊装作业无信号指挥或信号不明确,对指挥信号辨不清时盲目操作;司机不按指挥信号进行操作;司机操作前不发音响信号起重吊装的指挥人员必须持证上岗,作业时应与操作人员密切配合,执行规定的指挥信号,操作人员应按照指挥人员的信号进行作业,当信号不清或错误时,操作人员可拒绝执行;操作人员进行起重机回转、变幅、行走和吊钩升降等动作前,应发出音响信号示意起重机无超高和力矩限位器,吊钩没保险装置起重机的变幅指示器、力矩限制器、起重量限制器以及各种行程限位开关等安全保护装置,应完好齐全、灵敏可靠,不得随意调整或拆除;吊钩宜设有防止吊重意外脱钩的保险装置当磨损断丝达到报废标准时,应及时更换合格钢丝绳索具使用不合理、绳径倍数不合理;索具钢丝绳锈蚀、磨损、断丝应根据构件的重量、长度及吊点合理制作吊索,工作中吊索的水平夹角宜在45~60ºº之间,不得小于30º;吊索钢丝绳安全系数6~7;钢丝绳出现磨损断丝时,应减载使用,当磨损断丝达到报废标准时,应及时更换合格钢丝绳吊钩有永久变形或裂纹;吊钩断面磨损10%未重新验算;吊钩未定期探伤检查吊钩出现裂纹、危险断面磨损达原尺寸的10%、开口度比原尺寸增加15%、扭转变形超过10°、危险断面或吊钩颈部产生塑性变形时应报废;采用一个吊点起吊时,吊点必须选择在构件重心以上,使吊点与构件重心的连线和构件的横截面呈垂直;采用多个吊点起吊时,应使各吊点吊索拉力的合力作用点置于构件的重心以上,使各吊索的汇交点(起重机的吊钩位置)与构件重心的连线,和构件的支座面垂直超载或物体重量不清不应操作。如吊拔起重量或拉力不清的埋置物体,及斜拉斜吊等起重吊装工程钢板桩围堰施工危险源清单第2页共5页序号危害作业条件风险性评价法法规要求及现场具体控制措施LECD作业活动/危险源危险级别12起重伤害367126313水上作业人员未穿救生衣溺水36152704水上作业有可能落水人员应穿救生衣14水上平台四周无防护栏杆溺水161590315水上施工未设救生船溺水1615903水上施工时应配备救生船只及其他救生设备16未编制施工现场临时用电方案触电367126317操作人员无证上岗,非电工进行电气作业触电367126318电工作业不穿绝缘鞋、不戴绝缘手套触电3671263使用、检查、维修时必须穿戴绝缘鞋、手套19触电1615903不得在下方施工,搭设设施及其他20触电367126321无证进行气割、电焊作业火灾、爆炸667252422氧气、乙炔瓶压力表损坏火灾、爆炸1615903压力表及安全阀应定期校验23乙炔瓶未安装防回火装置火灾、爆炸1615903起重吊装工程重物捆绑不牢起吊,吊装气瓶等不用专门吊篮吊重物应绑扎平稳、牢固;吊装气瓶等必须用专门吊篮水上作业水上平台四周应设防护栏杆;防护栏杆高度应为1.2m;防护栏杆应用安全立网封闭,或在栏杆底部设置高度不低于180mm的挡脚板施工现场临时用电施工单位应当在施工组织设计中编制施工现场临时用电方案电工应持证上岗,禁止非电工作业人员从事任何电工作业在高、低压线路下方施工、搭设作业棚、生活设施和堆放构件未实行“三级配电两级保护”和“一机、一闸、一漏、一箱”每台用电设血应有各自专用的开关箱,必须实行“一机一闸”制;开关箱中必须装设漏电保护器;总配电箱和开关箱中两级漏电保护器的额定漏电动作电流和额定漏电动作时间应作合理配合,使之具有分级分段保护的功能;配电系统应设置室内总配电屏和室外分配电箱或设置室外总配电箱和分配电箱,实行分级配电气割电焊作业进行...

1、当您付费下载文档后,您只拥有了使用权限,并不意味着购买了版权,文档只能用于自身使用,不得用于其他商业用途(如 [转卖]进行直接盈利或[编辑后售卖]进行间接盈利)。
2、本站所有内容均由合作方或网友上传,本站不对文档的完整性、权威性及其观点立场正确性做任何保证或承诺!文档内容仅供研究参考,付费前请自行鉴别。
3、如文档内容存在违规,或者侵犯商业秘密、侵犯著作权等,请点击“违规举报”。

碎片内容

钢板桩围堰施工危险源清单

您可能关注的文档

确认删除?
VIP
微信客服
  • 扫码咨询
会员Q群
  • 会员专属群点击这里加入QQ群
客服邮箱
回到顶部