电脑桌面
添加小米粒文库到电脑桌面
安装后可以在桌面快捷访问

优质结构创优方案VIP免费

优质结构创优方案_第1页
1/30
优质结构创优方案_第2页
2/30
优质结构创优方案_第3页
3/30
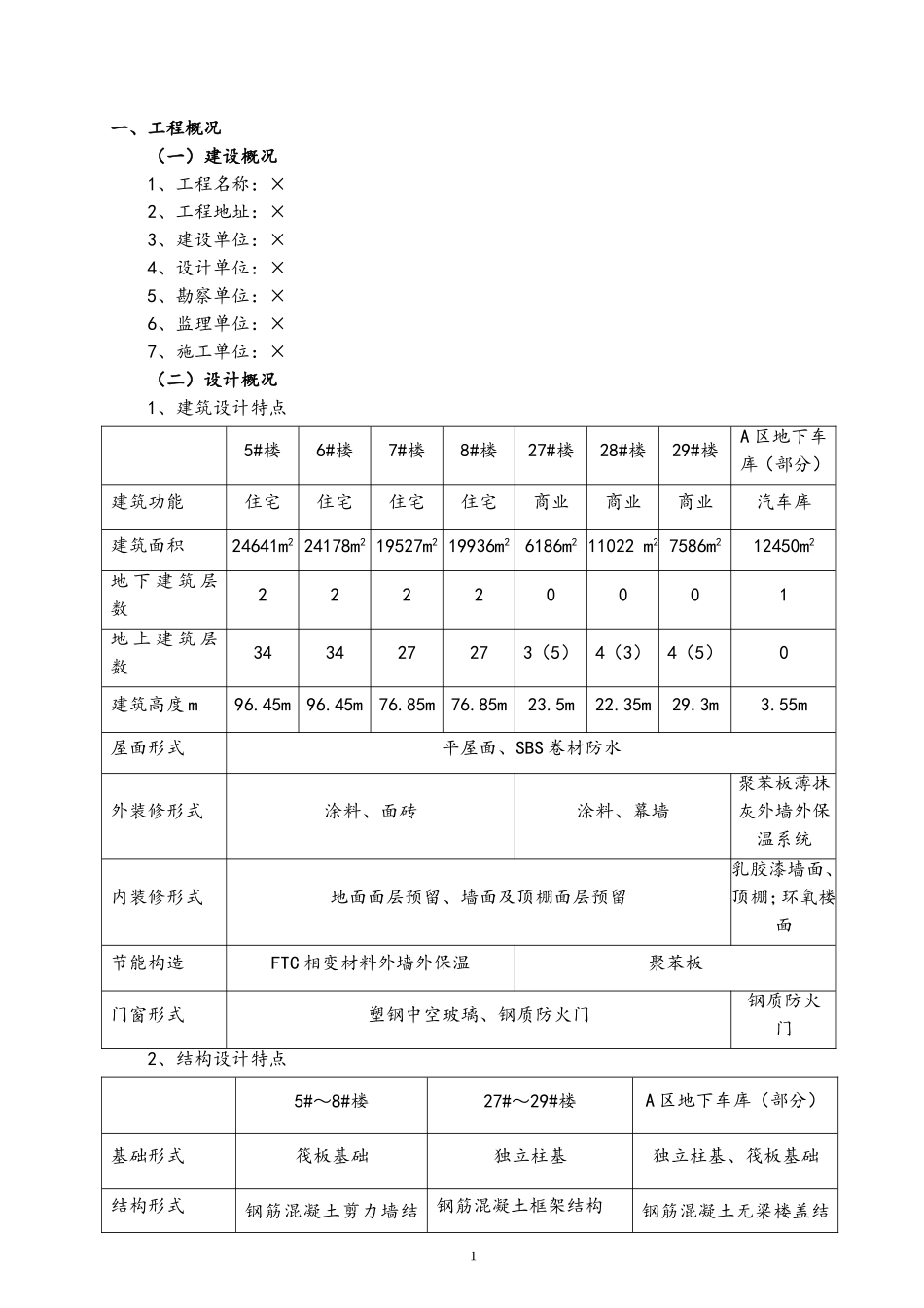
一、工程概况(一)建设概况1、工程名称:×2、工程地址:×3、建设单位:×4、设计单位:×5、勘察单位:×6、监理单位:×7、施工单位:×(二)设计概况1、建筑设计特点5#楼6#楼7#楼8#楼27#楼28#楼29#楼A区地下车库(部分)建筑功能住宅住宅住宅住宅商业商业商业汽车库建筑面积24641m224178m219527m219936m26186m211022m27586m212450m2地下建筑层数22220001地上建筑层数343427273(5)4(3)4(5)0建筑高度m96.45m96.45m76.85m76.85m23.5m22.35m29.3m3.55m屋面形式平屋面、SBS卷材防水外装修形式涂料、面砖涂料、幕墙聚苯板薄抹灰外墙外保温系统内装修形式地面面层预留、墙面及顶棚面层预留乳胶漆墙面、顶棚;环氧楼面节能构造FTC相变材料外墙外保温聚苯板门窗形式塑钢中空玻璃、钢质防火门钢质防火门2、结构设计特点5#~8#楼27#~29#楼A区地下车库(部分)基础形式筏板基础独立柱基独立柱基、筏板基础结构形式钢筋混凝土剪力墙结钢筋混凝土框架结构钢筋混凝土无梁楼盖结1构构钢筋等级Ⅰ级、Ⅲ级Ⅰ级、Ⅱ级、Ⅲ级混凝土等级垫层C15、基础底板混凝土为C30、地下二层~十一层墙体混凝土为C35、十二层~二十二层墙体混凝土为C30、其余墙体混凝土为C25、地下室~六层楼板为C30、其余楼板混凝土为C25垫层C20、独立柱基及框架柱C30、梁板C30、其他C25垫层C15、独立柱基及基础底板混凝土为C30、车库顶板、地下车库柱混凝土为C40、墙混凝土为C40、楼梯及车库顶板以上通风竖井混凝土为C30、高层住宅范围内的地下室楼板混凝土为C30地下混凝土防水等级底板为P8、其他为P6/底板为P8、其他为P6砌体结构设计陶粒混凝土空心砌块、M5.0混合砂浆加气混凝土砌块,M5专用砂浆陶粒混凝土空心砌块、M5.0混合砂浆钢筋连接竖向电渣压力焊接、横向搭接和直螺纹机械连接二、结构工程质量创优标准(一)模板工程质量创优标准1、模板制作,保证规格尺寸准确,棱、角平直光洁,面层平整,拼缝严密。新制作的模板进行检查验收和试组装,并按规格类型编号标识。钢模板及其支架、零部件有防锈蚀措施。2、模板安装,依据施工方案确保模板的位置线、轴线、标高、垂直度、结构构件尺寸、门窗、孔洞位置等符合设计要求。跨度等于或大于4m的粱板模板按设计要求起拱,起拱高度宜为跨度的1/1000至3/1000。起拱线要顺直,不得有折线。3、高层结构工程,采取分层分段支模方法,模板的竖向支架、支柱底部支承在土层地基时,基土必须坚实,并铺设垫板;雨期施工有排水和防基土沉陷措施。底部支承在下层楼板顶面时,铺设垫板。4、模板安装拼缝严密平整,不漏浆、不错台、不跑模,不涨模、不变形。封堵缝隙的胶条、压缝软管或塑料泡沫条等物,不得突出模板表面,严防浇入混凝土内。预埋件、螺栓、插铁、水、电管线、箱盒,埋设位置尺寸准确,固定牢靠。5、结构工程后浇带或施工缝模板安装的位置、留置形式符合规范和设计要求,并安装牢固,确保留茬截面齐整和钢筋位置准确。节点、板墙与顶板交角和楼梯、阳台、檐口、腰线、滴水槽等模板,确保尺寸准确,棱角顺直、拼缝平整。6、混凝土接茬处施工缝模板安装前,预先将己硬化混凝土表面层的水泥薄膜或松散混凝土及其砂浆软弱层剔凿、清理干净。7、模板拆除时,结构混凝土强度符合规范和设计要求:A、侧模板拆除时,混凝土强度以能保证其表面及棱角不因拆模而受损坏,预埋件或外露钢筋插铁不因拆模碰挠而松动。B、底模及其支架拆除,混凝土强度符合下表规定。2底模拆除时的混凝土强度要求构件类型构件跨度(m)达到设计的混凝土立方体抗压强度标准值的百分率(%)板≤2≥50>2,≤8≥75>8≥100梁、拱、壳≤8≥75>8≥100悬臂构件-≥1008、结构拆除底模、支架依据施工技术方案对其结构上部荷载及堆放料具进行严格控制或经验算在结构底部增设临时支撑。悬挑结构均加临时支撑。9、模板的制做、安装和拆除,均建立自检、互检和专业检查验收制度。拆除的模板,及时维修保养,清理干净,涂刷隔离剂,并分类整齐堆放。(二)钢筋工程质量创优标准1、钢筋原材料符合现行规范、标准和设计要求。并按有关规定具备产品出厂合格证明,检验报告和进场复检报告。2、钢筋原材料入出库有管理制...

1、当您付费下载文档后,您只拥有了使用权限,并不意味着购买了版权,文档只能用于自身使用,不得用于其他商业用途(如 [转卖]进行直接盈利或[编辑后售卖]进行间接盈利)。
2、本站所有内容均由合作方或网友上传,本站不对文档的完整性、权威性及其观点立场正确性做任何保证或承诺!文档内容仅供研究参考,付费前请自行鉴别。
3、如文档内容存在违规,或者侵犯商业秘密、侵犯著作权等,请点击“违规举报”。

碎片内容

优质结构创优方案

确认删除?
VIP
微信客服
  • 扫码咨询
会员Q群
  • 会员专属群点击这里加入QQ群
客服邮箱
回到顶部