电脑桌面
添加小米粒文库到电脑桌面
安装后可以在桌面快捷访问

高压喷射注浆法(旋喷桩法)施工工艺标准VIP免费

高压喷射注浆法(旋喷桩法)施工工艺标准_第1页
1/7
高压喷射注浆法(旋喷桩法)施工工艺标准_第2页
2/7
高压喷射注浆法(旋喷桩法)施工工艺标准_第3页
3/7
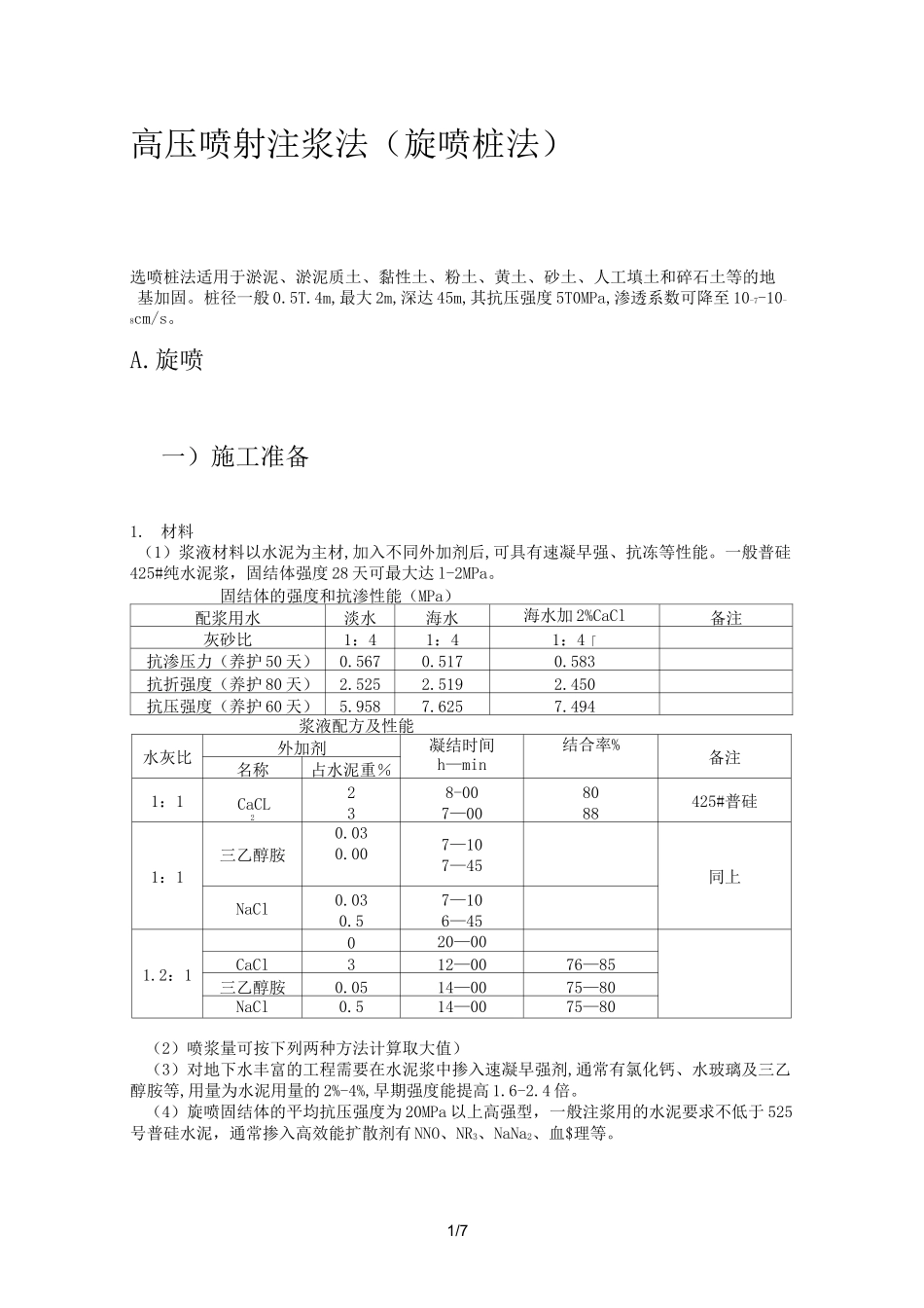
1/7高压喷射注浆法(旋喷桩法)选喷桩法适用于淤泥、淤泥质土、黏性土、粉土、黄土、砂土、人工填土和碎石土等的地基加固。桩径一般0.5T.4m,最大2m,深达45m,其抗压强度5T0MPa,渗透系数可降至10-7-10-8cm/s。A.旋喷一)施工准备1.材料(1)浆液材料以水泥为主材,加入不同外加剂后,可具有速凝早强、抗冻等性能。一般普硅425#纯水泥浆,固结体强度28天可最大达l-2MPa。固结体的强度和抗渗性能(MPa)配浆用水淡水海水海水加2%CaClC备注灰砂比1:41:41:4「抗渗压力(养护50天)0.5670.5170.583抗折强度(养护80天)2.5252.5192.450抗压强度(养护60天)5.9587.6257.494浆液配方及性能水灰比外加剂凝结时间h—min结合率%备注名称占水泥重%1:1CaCL2238-007—008088425#普硅1:1三乙醇胺0.030.007—107—45同上NaCl0.030.57—106—451.2:1020—00CaCl312—0076—85三乙醇胺0.0514—0075—80NaCl0.514—0075—80(2)喷浆量可按下列两种方法计算取大值)(3)对地下水丰富的工程需要在水泥浆中掺入速凝早强剂,通常有氯化钙、水玻璃及三乙醇胺等,用量为水泥用量的2%-4%,早期强度能提高1.6-2.4倍。(4)旋喷固结体的平均抗压强度为20MPa以上高强型,一般注浆用的水泥要求不低于525号普硅水泥,通常掺入高效能扩散剂有NNO、NR3、NaNa2、血$理等。2/7钻孔喷射结束(5)对于有抗渗要求的旋喷固体,不宜使用矿渣水泥,如仅要求抗渗而无抗冻要求的可使用火山灰水泥,在水泥浆中掺入2%-4%的水玻璃,注浆用的水玻璃模数要求在2.4-3.4较为合适,浓度要在30-45波美度为宜。(6)对改善型,在水泥浆中掺入膨润土,使浆液悬浮性增加,微减小水泥颗粒沉淀量,以至浆液的析水率减小,稳定性强,其配方为:水:水泥:陶土:碱(水玻璃)=1:1:3:0.0009(7)在水泥浆中掺入其它外加剂,如铝酸钠、三乙醇胺(NR3)、B-萘磺酸盐甲醛缩合物(NF)、氧节一一节树脂磺酸盐(CRS)、亚甲基二萘磺酸钠(NNO)、沸石粉等,按不土要求的流定性和稳定度凝结时间或提高抗压强度作适当选择。2.作业条件选喷注浆加固方案拟定前需要进行试验性调查及工作准备。(1)工程地质资料,各钻孔柱状图及地质剖面图,有各土层的物理力学特性,化学成分,各种要求参数齐全。(2)旋喷体作端承桩时,应注意持力层顶面的起伏变化情况,用作摩擦桩的注意土层不均匀性,有无软弱夹层。(3)室内配方,为了解喷射注浆后桩体可能有的强度和决定浆液合理配合比,必须取现场各层土样,在室内按不同的含水量和配合比进行配方试验,优选出最合理的浆液配方。(4)根据估算喷射直径来选用喷射注浆的种类和喷射方式。(5)旋喷桩其桩距L以旋喷直径2-3倍为宜,布置形式按工程需要而定。(二)操作工艺旋喷桩是在普通化学注浆法的基础上发展起来的加固土体的一种新方法,是采用高压射水掘削岩土的一项技术。用高压泵(一般为15-25MPa)把水泥系或水玻璃系浆液通过钻杆端头的特殊喷嘴,以高速喷入土层,喷嘴在喷浆液时,一面缓慢旋转20r/min)、一面徐徐提升(一般为15-30cm/min)高压浆液的水平射流,不断切削土层,并使强制切削下来的土与浆液进行混合,最后在喷射力的有效射程范围内形成一个由圆状混合物连续堆积成圆形凝柱体。1.旋喷是高压射浆中的一种,在土中可能形成圆柱状、盘状、壁状和扇状等单一形状或两种综合固结体(水泥-土体)、旋喷注浆旋工工艺流程如下图:2.一般都是先把浆液管下(打)到预定加固范围最深点,然后自上而下进行高压喷射注浆(加凝固剂)切割土体,将开孔和灌注桩体同时进行,一次成桩,其工作步骤为:(1)钻机就位:钻机需平置于牢固坚实的地方,钻杆(注浆管)对准孔位中心,偏差不超过10cm,打斜管时需按设计调整钻架角度。泥浆的排池处理作3/7(2)钻孔下管或打管:钻孔的目的是将注浆管顺利置入预定位置,可先钻孔后下管,亦可直接打管,在下(打)管过程中,需防止管外泥砂或管内水泥浆小块堵塞喷嘴。(3)试管:当注浆管置入土层预定深度后应用清水试压,若注浆设备和高压管路安全正常,则可搅拌制作水泥浆开始高压注浆作业。(4)高压注浆作业:浆液的材料、种类和配合比,要视加固对象而定,在一般...

1、当您付费下载文档后,您只拥有了使用权限,并不意味着购买了版权,文档只能用于自身使用,不得用于其他商业用途(如 [转卖]进行直接盈利或[编辑后售卖]进行间接盈利)。
2、本站所有内容均由合作方或网友上传,本站不对文档的完整性、权威性及其观点立场正确性做任何保证或承诺!文档内容仅供研究参考,付费前请自行鉴别。
3、如文档内容存在违规,或者侵犯商业秘密、侵犯著作权等,请点击“违规举报”。

碎片内容

高压喷射注浆法(旋喷桩法)施工工艺标准

您可能关注的文档

确认删除?
VIP
微信客服
  • 扫码咨询
会员Q群
  • 会员专属群点击这里加入QQ群
客服邮箱
回到顶部