电脑桌面
添加小米粒文库到电脑桌面
安装后可以在桌面快捷访问

[教程]结构力学求解器VIP免费

[教程]结构力学求解器_第1页
1/9
[教程]结构力学求解器_第2页
2/9
[教程]结构力学求解器_第3页
3/9
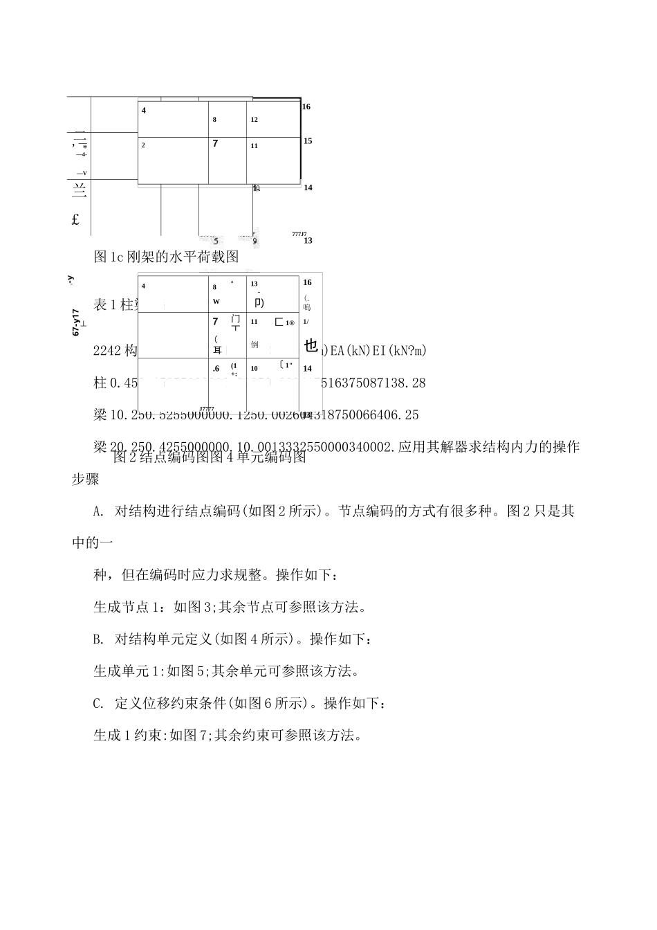
[教程]结构力学求解器建筑工程专业毕业设计应用结构力学求解器指导书一、概述以往建筑工程专业毕业设计中结构设计的手算部分(以一榀框架为主要计算单元,分层法求解竖向荷载作用下的内力及D值法求解水平方向荷载作用下的内力),大部分计算为复杂的重复计算。其方法简单,但在复杂计算部分耗费学生大量的时间,其最后结果并不理想。把繁琐交给结构力学求解器,我们留下创造力。把以往结构设计中复杂的手算交给结构力学求解器,我们在毕业设计中留下更多的创造力。结构力学求解器(SMSolverforWindows)是一个面向教师、学生以及工程技术人员的计算机辅助分析计算软件。其软件界面方便友好、内容体系完整、功能完备通用,可作为毕业设计结构计算部分之用。它能够有效地解决计算过程中的繁琐,将重复计算变为简单的计算机计算,为毕业设计中的关键部分掌握提更多的空间。二、软件使用介绍本指导书只建筑工程专业毕业设计中结构设计中的计算部分作简单介绍。软件使用步骤如下:1.输入一榀框架的平面结构体系。A.问题定义,给定项目的文件名。B.输入节点,输入前应先对结构的整体节点进行编号,编号应具有一定的规则。C.单元输入。D.位移约束输入,输入支座的约束情况。E.输入作用在单元或节点上的荷载。F.输入材料性质,输入梁或柱的抗压刚度和抗弯刚度。2.对结构求解针对毕业设计的要求,我们在此仅对其内力进行计算。3.保存文件,给文件命名。4.注意:输入的单位应按国际单位。力:kN;力偶kN?m;均布荷载kN/m;2EA:kN;EA:kN?m。三、实例1.初始数据本指导书以一榀框架(3跨3层)在水平和竖向荷载作用下内力计算为例。其结构如图la、b、c所示。截面特性如表1所示。6.003.304-.503:003:003.D06.003.3Q4-.504皿6:003.30+.504JD4J&4.50川嵌曲油関Mi加阳葩紡沐2^.6314.咒22.63'wf川I州川11出■增r14.兀14血『认■IVFZ'.丿/也图1a刚架的结构尺寸图图1b刚架的竖向荷载图3.004.004.50JW7ZP77710.510.510.5二,—*―4-―V兰£—图1c刚架的水平荷载图表1柱梁的截面特性2242构件名B(m)h(m)E(kN/m)A(m)I(m)EA(kN)EI(kN?m)柱0.450.45255000000.20250.003417516375087138.28梁10.250.5255000000.1250.002604318750066406.25梁20.250.4255000000.10.0013332550000340002.应用其解器求结构内力的操作步骤A.对结构进行结点编码(如图2所示)。节点编码的方式有很多种。图2只是其中的一种,但在编码时应力求规整。操作如下:生成节点1:如图3;其余节点可参照该方法。B.对结构单元定义(如图4所示)。操作如下:生成单元1:如图5;其余单元可参照该方法。C.定义位移约束条件(如图6所示)。操作如下:生成1约束:如图7;其余约束可参照该方法。-y667-y17丄1648122711101514777J71348Wa13-卩)16(.嗚7门丁11匚1®1/(耳倒也.6(1+:10〔1"14J777713'图2结点编码图图4单元编码图冶蕤直建夏迤旷站.总埴充⑹广结.克生磅蔚:=]“图6约束生成A&13-711'2'5id16y图3结点1生成D.定义荷载条件(如图1所示)。操作如下:输入结点荷载和单元荷载:如图8a、b;其余荷载输入可参照该方法。(0-结点荷裁定宝帮助血I荷载条件(.1)锻岡M⑸㈤V:CA比蠢』©里中幻坐申音特M病力対將克萝.蛍峰出逋忏言序-选城i「翹^冇式空鲤吁单雀J|e搦理m睜畔单元码®:|13T釦口&_|趣裁沖旨向单述)二||知海)'.络曲二||杆方呵019图9节点、单元荷载输入实E.定义材料(如图10所示)。操作如下:输入材料性质:如图11;其余材料输入可参照该方法。苟载类型:-选项:-定史方我尬皓点璽厂单元⑥逆艘类型r通玄曙(1)(可[©他肅舌特蛭杆古荷载类型单元商载矩义起点距杆端(11,杆畏应用逼W)【100m佝门4:强M鳩俪詁图11材料性质输入实例图10材料性质图F.输出结果(本例中只给出毕业设计中所需要的内力结果)内力计算结果如图所示(本例只给出在竖向与水平荷载下的M图)77?77JTO77^7?-57.91■36.50-22.50A-60.8'芦'51.49圖%胡-2E谕駅ioj㈣岸-46.航毎-63J4口gwr(1也fc.io39:13■35-.0855-20.894-.S7ua.-si-8.OScn2.85(10)图12竖向荷载下的M图图13水平荷载下的M图

1、当您付费下载文档后,您只拥有了使用权限,并不意味着购买了版权,文档只能用于自身使用,不得用于其他商业用途(如 [转卖]进行直接盈利或[编辑后售卖]进行间接盈利)。
2、本站所有内容均由合作方或网友上传,本站不对文档的完整性、权威性及其观点立场正确性做任何保证或承诺!文档内容仅供研究参考,付费前请自行鉴别。
3、如文档内容存在违规,或者侵犯商业秘密、侵犯著作权等,请点击“违规举报”。

碎片内容

[教程]结构力学求解器

wxg+ 关注
实名认证
内容提供者

该用户很懒,什么也没介绍

相关文档

确认删除?
VIP
微信客服
  • 扫码咨询
会员Q群
  • 会员专属群点击这里加入QQ群
客服邮箱
回到顶部