电脑桌面
添加小米粒文库到电脑桌面
安装后可以在桌面快捷访问

污水处理厂顶管施工方案VIP免费

污水处理厂顶管施工方案_第1页
1/42
污水处理厂顶管施工方案_第2页
2/42
污水处理厂顶管施工方案_第3页
3/42
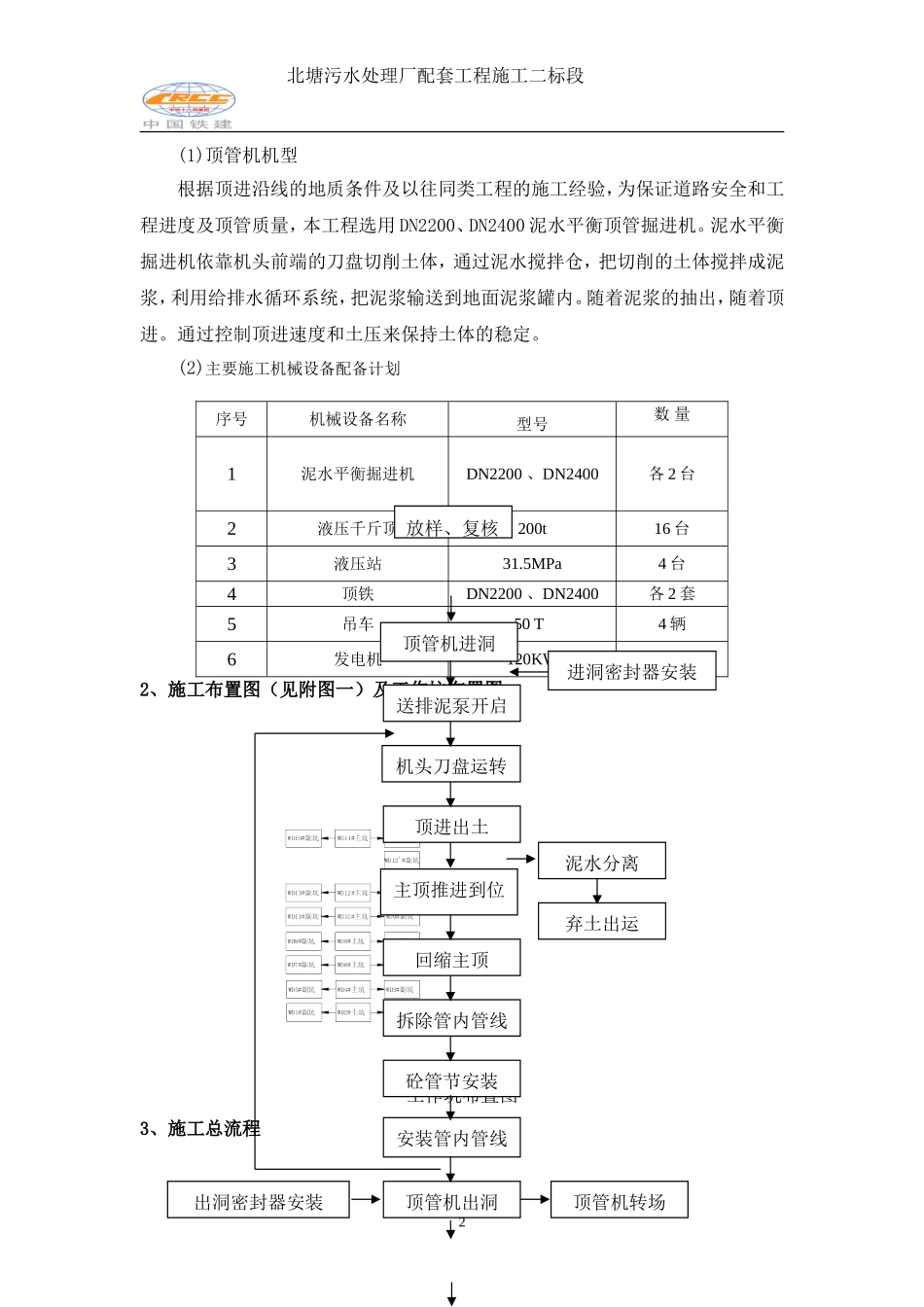
北塘污水处理厂配套工程施工二标段一、编制依据(1)北塘污水处理厂配套工程施工二标段中标通知书、施工图纸、合同协议书。(2)根据工程特点、施工现场实际情况、施工环境、施工条件和自然条件的分析。(3)现行的设计规范、施工规范、验收标准及国家、部委及天津市颁发的其它规范和标准。主要有:《工程测量规范》(CB50026-2007)《城市道路工程施工与质量验收规范》(CJJ1-2008)《天津市市政工程施工技术规范(排水工程部分)》(J10407-2004)《城市排水工程质量检验标准》(DB29-52-2003)《给水排水管道工程施工及验收规范》GB50268-97《泥水平衡顶管掘进机作业指导书》Z/GJS011-2001《建筑施工安全检查标准》(JGJ59-1999)《施工现场临时用电安全技术规范》(JGJ46-2005)《用电安全导则》(GB/T13869-2008)国家、部委和地方政府颁布的与本工程相关的技术规范及检验评定标准。本工程项目专用技术规范中所列承包商应遵守的其他技术标准和规范、其他适用规范、规程、规定等。本企业颁发ISO9001企业质量标准文件及标准化现场施工管理的有关细则。二、工程概况北塘污水处理厂配套工程施工二标段,规划为城市次干路,起自现状新河干渠以西约290m处,止于现状塘汉路,红线宽度为30-40m,全长约2406.074m,桩号为K0+440-K2+846.074,道路面积约为7.5万m2,北塘污水处理厂进水管道,最大管径为2.4米,管道总长为1270米。污水管道WD-11~WD-15井段管径为d2400mm,总长286米。WD-11~WD-15排水管原地面高程为2.290米~2.950米,流水面高程-4.347米~-4.490米。槽深由6.867米~7.670米不等。三、施工部署1、顶管机型及配套设备1北塘污水处理厂配套工程施工二标段(1)顶管机机型根据顶进沿线的地质条件及以往同类工程的施工经验,为保证道路安全和工程进度及顶管质量,本工程选用DN2200、DN2400泥水平衡顶管掘进机。泥水平衡掘进机依靠机头前端的刀盘切削土体,通过泥水搅拌仓,把切削的土体搅拌成泥浆,利用给排水循环系统,把泥浆输送到地面泥浆罐内。随着泥浆的抽出,随着顶进。通过控制顶进速度和土压来保持土体的稳定。(2)主要施工机械设备配备计划序号机械设备名称型号数量1泥水平衡掘进机DN2200、DN2400各2台2液压千斤顶200t16台3液压站31.5MPa4台4顶铁DN2200、DN2400各2套5吊车50T4辆6发电机120KW4台2、施工布置图(见附图一)及工作坑布置图工作坑布置图3、施工总流程2顶管机出洞机头刀盘运转顶管机进洞送排泥泵开启顶进出土泥水分离主顶推进到位回缩主顶拆除管内管线砼管节安装安装管内管线弃土出运顶管机转场进洞密封器安装出洞密封器安装放样、复核北塘污水处理厂配套工程施工二标段四、施工方法1、放样及复核根据提供的测量基准点,按设计图纸要求进行工作坑及管轴线的放样工作,放出顶管起点及终点的位置及顶进的高程,建立测量控制点,并保护好控制点。⑴、控制测量平面控制测量:利用设计勘测部门的点位精度较高的导线点为起始控制点,沿管路主线走向布设附合导线,并在结构施工范围内加设控制点位布设三角控制3工作坑、接收坑施工工作坑、接收坑回填全线复核、竣工验收北塘污水处理厂配套工程施工二标段网,从而建立本标段的平面测量控制网。埋设点位采用砼浇注,避免遭受破坏。采用全站仪进行外业测量,并对成果运用坐标法进行点位平差。高程控制测量:按线路走向布设附合水准线路,按照四等水准测量要求进行施测。把地面上建立的测量控制网引至工作井内,并建立相应的地面控制点,便于顶进施工时复测。⑵、放样测量采用极坐标法进行放样测量,具体实施过程为:利用偏角法和支距法的计算公式,根据线路要素点的坐标值,计算出所需放样的坐标数据。在平面控制点上支设全站仪,后视另一控制点,将测站点、后视点、放样点的坐标数据输入全站仪,然后放样所需点位。工作坑内精确测放轴线。测量管理工作施工现场必须坚持数据对算,施测点位必须复测。项目部放样点位必须上报监理工程师,经监理测量工程师复合后,方可投入使用。2、对支撑和周边环境的监测⑴、地面沉降监控施工前,以精度指标较高的全站仪或电子经纬仪对设计图纸提供的控制桩点和控制桩等进行复测、校核,定出管线中线、起止位置...

1、当您付费下载文档后,您只拥有了使用权限,并不意味着购买了版权,文档只能用于自身使用,不得用于其他商业用途(如 [转卖]进行直接盈利或[编辑后售卖]进行间接盈利)。
2、本站所有内容均由合作方或网友上传,本站不对文档的完整性、权威性及其观点立场正确性做任何保证或承诺!文档内容仅供研究参考,付费前请自行鉴别。
3、如文档内容存在违规,或者侵犯商业秘密、侵犯著作权等,请点击“违规举报”。

碎片内容

污水处理厂顶管施工方案

您可能关注的文档

确认删除?
VIP
微信客服
  • 扫码咨询
会员Q群
  • 会员专属群点击这里加入QQ群
客服邮箱
回到顶部