电脑桌面
添加小米粒文库到电脑桌面
安装后可以在桌面快捷访问

伺服电机直角行星减速机-伺服电机蜗轮蜗杆减速机VIP免费

伺服电机直角行星减速机-伺服电机蜗轮蜗杆减速机_第1页
1/9
伺服电机直角行星减速机-伺服电机蜗轮蜗杆减速机_第2页
2/9
伺服电机直角行星减速机-伺服电机蜗轮蜗杆减速机_第3页
3/9
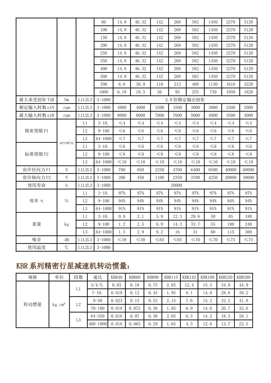
伺服电机直角行星减速机,伺服电机蜗轮蜗杆减速机上海枫信精密伺服直角行星减速机:特点:为方形法兰转角式结构,具有精度高、钢性好、承载能力大、效率高、寿命长、体积轻小、外形美观、安装方便、可解决轴向空间限制、定位精准等特点,适用于交流伺服马达、直流伺服马达、步进马达、液压马达的增速与减速传动。适合于全球任何厂商所制造的驱动产品连接.KBR系列精密伺服直角行星减速机:分KBR40、KBR60、KBR90、KBR115、KBR142、KBR180、KBR220、KBR280直角式常用机座型号,速比:3~1000有20多种比速可选择;分一级、二级和三级减速传动;精度:一级传动精度在5-8弧分,二级传动精度在7-10弧分;三级传动精度在9-12弧分;有数百种规格。产品型号例如:KBR142-32-S2-P2。应用领域:伺服减速机可直接安装到交流和直流伺服马达上,广泛应用于精密机床、军工设备、半导体设备、印刷包装设备,太阳能、工业机器人、精密测试仪器等高精度场合的应用。性能及特点:1、行星齿轮的传动介面采用不含保持器之满针滚针轴承,增加接触面积以提高结构刚性及输出扭矩;2、采用3D/PORE的设计分析技术,分别对螺旋齿面作齿形及导程修整,以降低齿轮对啮入及啮出的冲击和噪音,增加齿轮系的使用寿命;3、齿轮材料选用高级的铬钼钒合金钢,经调质热处理至基材硬度30HRC,再利用本厂先进的离子氮化设备将齿轮表面的硬度氮化至840HV,以获得最佳的耐磨耗和耐冲击韧性;4、行星臂架与输出轴采用一体式的结构设计,且输出轴的轴承配置采用大跨距设计确保最大的扭转刚性和输出负载能力;5、使用NYOGEL792D合成润滑油脂,并采用IP65防护等级的密封设计,润滑油不泄露,免维护;6、输入端与马达的连接采用筒夹式的锁紧机构并经动平衡分析,以确保在高输入转速下结合介面的同心度和零背隙的动力传递;7、整支齿轮棒材制作出的太阳齿轮,刚性强,同心度准确;8、独特的马达连接板和轴衬的模组化设计,适用于任何伺服马达;9、齿轮箱表面利用无电解镍处理,马达连接板采用黑色阳极处理,提高环境的耐受性和抗腐蚀能力;10、齿轮箱和内环齿轮采用一体式的设计,结构紧凑、精密度高、输出扭矩.KBR系列精密行星减速机性能参数:规格单位段数速比KBR40KBR60KBR90KBR115KBR142KBR180KBR220KBR280额定承受扭矩T2NNmL139.227.8115212470122617304230414.846.32142268582145022705120514.846.3214226858214502270512078.638.9110212468113016103220106.1818.5569525573010501820L299.2527.81152124701226173042301514.846.321422685821450227051202014.846.321422685821450227051202514.846.321422685821450227051203014.846.321422685821450227051203514.846.321422685821450227051204014.846.321422685821450227051205014.846.32142268582145022705120708.638.91102124681130161033201006.1818.5569525573010501820L36414.846.321422685821450227051208014.846.3214226858214502270512010014.846.3214226858214502270512015014.846.3214226858214502270512020014.846.3214226858214502270512025014.846.3214226858214502270512035014.846.3214226858214502270512040014.846.3214226858214502270512050014.846.321422685821450227051207008.638.911021246811301610322010006.1818.5569525573010501820最大承受扭矩T2BNmL1L2L33-10002.0倍额定输出扭矩额定输入转数n1NrpmL1L2L33-100040004000350035003000300025002000最大输入转数n1BrpmL1L2L33-100080008000700070005000400035003000精密背隙P1arcminL13-10.≤4≤4≤4≤4≤4≤4≤4≤4L29-100≤6≤6≤6≤6≤6≤6≤6≤6L364-1000≤7≤7≤7≤7≤7≤7≤7≤7标准背隙P2L13-10.≤6≤6≤6≤6≤6≤6≤6≤6L29-100≤8≤8≤8≤8≤8≤8≤8≤8L364-1000≤10≤10≤10≤10≤10≤10≤10≤10容许径向力F1NL1L2L33-100078085022504700640085004000060000容许轴向力F2NL1L2L33-100039045011002350370042502000030000使用寿命hL1L2L33-100020000效率η%L13-10.97%97%97%97%97%97%97%97%L29-10094%94%94%94%94%94%94%94%L364-100091%91%91%91%91%91%91%91%重量kgL13-10.0.92.15.912.329.65085...

1、当您付费下载文档后,您只拥有了使用权限,并不意味着购买了版权,文档只能用于自身使用,不得用于其他商业用途(如 [转卖]进行直接盈利或[编辑后售卖]进行间接盈利)。
2、本站所有内容均由合作方或网友上传,本站不对文档的完整性、权威性及其观点立场正确性做任何保证或承诺!文档内容仅供研究参考,付费前请自行鉴别。
3、如文档内容存在违规,或者侵犯商业秘密、侵犯著作权等,请点击“违规举报”。

碎片内容

伺服电机直角行星减速机-伺服电机蜗轮蜗杆减速机

文章天下+ 关注
实名认证
内容提供者

各种文档应有尽有

确认删除?
VIP
微信客服
  • 扫码咨询
会员Q群
  • 会员专属群点击这里加入QQ群
客服邮箱
回到顶部