电脑桌面
添加小米粒文库到电脑桌面
安装后可以在桌面快捷访问

道砟购销合同VIP免费

道砟购销合同_第1页
1/19
道砟购销合同_第2页
2/19
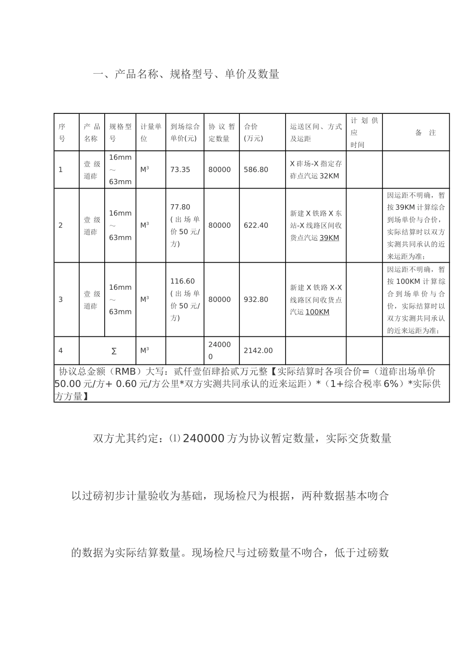
道砟购销协议买受方(买方):XXXX铁路铺架项目部出卖方(卖方):XXX石场根据新建XX铁路工程项目招标号为XXX号的物资采购招标文献、中标告知书和出卖方对此新建XX铁路工程项目物资招标的投标及有关保证和承诺,参照《中华人民共和国协议法》及有关法律法规的规定,就壹级道砟买卖事宜,双方同意按如下协议条款签订买卖协议,共同遵照执行。本协议自20XX年06月22日签订起,协议双方将受本协议约束并执行协议条款至20XX年09月30日协议结束,货款结清之日本协议自动失效。一、产品名称、规格型号、单价及数量序号产品名称规格型号计量单位到场综合单价(元)协议暂定数量合价(万元)运送区间、方式及运距计划供应时间备注1壹级道砟16mm~63mmM373.3580000586.80X砟场-X指定存砟点汽运32KM2壹级道砟16mm~63mmM377.80(出场单价50元/方)80000622.40新建X铁路X东站-X线路区间收货点汽运39KM因运距不明确,暂按39KM计算综合到场单价与合价,实际结算时以双方实测共同承认的近来运距为准;3壹级道砟16mm~63mmM3116.60(出场单价50元/方)80000932.80新建X铁路X-X线路区间收货点汽运100KM因运距不明确,暂按100KM计算综合到场单价与合价,实际结算时以双方实测共同承认的近来运距为准;4∑M32400002142.00协议总金额(RMB)大写:贰仟壹佰肆拾贰万元整【实际结算时各项合价=(道砟出场单价50.00元/方+0.60元/方公里*双方实测共同承认的近来运距)*(1+综合税率6%)*实际供方方量】双方尤其约定:⑴240000方为协议暂定数量,实际交货数量以过磅初步计量验收为基础,现场检尺为根据,两种数据基本吻合的数据为实际结算数量。现场检尺与过磅数量不吻合,低于过磅数量,以现场检尺数据为结算数量;若检尺数量高于过磅数量,以过磅数量为结算数量,买卖双方现场数量交接无异议后,开具一式四联的道砟验收单,卖方凭此有效单据与买方结算发生材料款。若因卖方自身原因导致协议物资数量减少,买方不承担任何责任;假如买方道砟需求量增长,本协议数量可对应增长,卖方应在生产能力许可的状况下无任何条件积极组织生产满足供应。⑵表中道砟到场单价包括道砟出场单价、装车费、平车费、运送费、保险费及与买卖双方所指标的物有关的一切税金等运送到买方指定卸车点的所有费用。⑶道砟到场单价=出场单价+运费+税金,税金由道砟材料税金(包括资源税、营业税、个人所得税等一切税费)和汽车运送税金两部分构成。⑷未明确汽车运距的道砟计费,由买卖双方实地勘测共同确认近来运距后,按0.60元/(M3•KM)的单价计算运费,但道砟材料出场单价在市场价格浮动不不小于3%时仍维持原价不变。⑸协议签订后,卖方暂按壹级道砟供料;若发生工程材料变更,买方有权规定卖方立即停止壹级道砟供应,按变更后的道砟物资材质和等级规定组织生产,继续履行本协议内剩余数量物资的供应义务,变更后的道砟物资销售单价买卖双方另行商议。⑹上表2、3两项中“到场综合单价”和“合价”栏中所述数值为暂估数值,实际结算时按双方实测共同承认的近来运距计费。二、质量原则及规定卖方所供的道砟产品质量应满足新建XX铁路工程施工的技术原则及规定,并符合现行《铁路碎石道砟》(TB/T2140-)之规定。卖方应向买方提供营业执照、税务登记证、采矿许可证、铁科院道砟检查汇报、道砟上道准入批文、道砟批量出场所格证以及其他业重规定的与质量和使用有关的证件和批文。在道砟生产和供应过程中发生的质量问题,由卖方负所有责任,所发生的费用及导致的一切损失均由卖方承担。在竣工验收中提出的质量问题,卖方不负责任,协助买方验收合格。三、供货时间卖方必须保证在6月25日前正式出道砟,上表“序号1”项所述物资供应周期暂定为6月26日至10月31日,其他项物资供应周期暂按计划供应时间执行。四、交付及验收4.1供货协议签订后,卖方要尽快完善供货前的各项准备工作,保证买方铺架工程生产之需要;买方应做好道砟接受准备工作,保证卖方可以有计划均匀供砟。4.2卖方应在货运到买方指定地点前告知买方,抵达现场后由双方按部颁原则在卸砟地共同对货品外观质量、数量验收。同步,卖方按有关原则及文献规定提交铁科院检查的汇报、批次产品出场...

1、当您付费下载文档后,您只拥有了使用权限,并不意味着购买了版权,文档只能用于自身使用,不得用于其他商业用途(如 [转卖]进行直接盈利或[编辑后售卖]进行间接盈利)。
2、本站所有内容均由合作方或网友上传,本站不对文档的完整性、权威性及其观点立场正确性做任何保证或承诺!文档内容仅供研究参考,付费前请自行鉴别。
3、如文档内容存在违规,或者侵犯商业秘密、侵犯著作权等,请点击“违规举报”。

碎片内容

道砟购销合同

您可能关注的文档

确认删除?
VIP
微信客服
  • 扫码咨询
会员Q群
  • 会员专属群点击这里加入QQ群
客服邮箱
回到顶部