电脑桌面
添加小米粒文库到电脑桌面
安装后可以在桌面快捷访问

2018年自行监测方案VIP免费

2018年自行监测方案_第1页
1/5
2018年自行监测方案_第2页
2/5
2018年自行监测方案_第3页
3/5
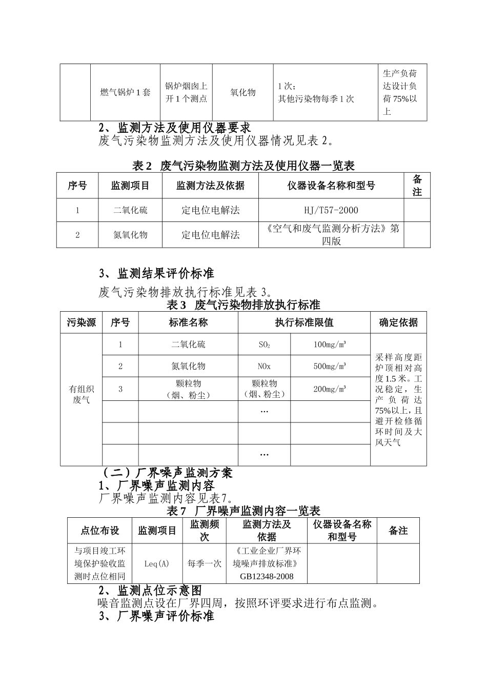
2018年自行监测方案企业名称:利津德达顺工贸有限公司编制时间:2018年1月16日一、企业概况利津德达顺工贸有限公司成立于2006年1月,公司注册资金3000万元,现有固定资产5000万元,位于利津县盐窝镇薄村北,永馆路北侧,占地面积13056m3,员工20人。主要生产规模:现有5万吨/年溶剂油装置一套及其配套设施,主要产品有120#、200#溶剂油、精制石脑油。主要原料有石脑油。为降低原料中硫组分对设备设施的腐蚀和满足产品质量要求,原料进行分馏前进行脱硫处理,原料石脑油经过脱硫、碱洗、水洗后进入生产装置进行分馏。原料油首先与200#溶剂油换热,再由塔底再沸器加热后,进入精馏塔进行常规物理分馏,塔项120#溶剂油蒸气经冷凝冷却后进入塔顶回流罐,由塔顶回流泵抽出分成两路,一路作为回流返回塔顶,另一路作为产品送往产品储罐储存。塔底物料即200#溶剂油,经塔底泵抽出与原料油换热后,再经200#溶剂油产品冷却器冷却后作为200#溶剂油产品送往产品储罐储存。塔底再沸器热源采用导热油,冷却介质采用循环冷却水。公司同淄博禹科环保科技有限公司签订污水处理合同并由该公司设计施工建造了污水处理站。2017年7月8日同滨州福平环境有限公司签订了危险废物处置合同,固体废物的处置由该公司负责。二、企业自行监测开展情况简介根据利津德达顺工贸有限公司溶剂油项目基本情况及生产工艺,污染物产生及排放情况,特筛选本方案中需监测的污染源类别废气、噪声。利津德达顺工贸有限公司噪音监测采用手动监测的方式,监测点布置按照环评要求进行。三、自动监测方案(一)废气监测方案1、废气监测点位、监测项目及监测频次废气监测是自动监测为主,对于二氧化硫、氮氧化物,实行每周监测一次。颗粒物每月进行一次监测。对于噪音,则每季度进行一次监测。表1废气污染源监测内容一览表序号污染源名称监测点位监测项目监测频次测试要求有组织废气二氧化硫、氮二氧化硫、氮氧化物每周工况正常,氧化物1次;其他污染物每季1次生产负荷达设计负荷75%以上燃气锅炉1套锅炉烟囱上开1个测点2、监测方法及使用仪器要求废气污染物监测方法及使用仪器情况见表2。表2废气污染物监测方法及使用仪器一览表序号监测项目监测方法及依据仪器设备名称和型号备注1二氧化硫定电位电解法HJ/T57-20002氮氧化物定电位电解法《空气和废气监测分析方法》第四版3、监测结果评价标准废气污染物排放执行标准见表3。表3废气污染物排放执行标准污染源序号标准名称执行标准限值确定依据有组织废气1二氧化硫SO2100mg/m³采样高度距炉顶相对高度1.5米。工况稳定,生产负荷达75%以上,且避开检修循环时间及大风天气2氮氧化物NOx500mg/m³3颗粒物(烟、粉尘)颗粒物(烟、粉尘)200mg/m³……(二)厂界噪声监测方案1、厂界噪声监测内容厂界噪声监测内容见表7。表7厂界噪声监测内容一览表点位布设监测项目监测频次监测方法及依据仪器设备名称和型号备注与项目竣工环境保护验收监测时点位相同Leq(A)每季一次《工业企业厂界环境噪声排放标准》GB12348-20082、监测点位示意图噪音监测点设在厂界四周,按照环评要求进行布点监测。3、厂界噪声评价标准厂界噪声执行GB12348-2008《工业企业厂界环境噪声排放标准》三类标准,昼间:65dB(A),夜间55dB(A)。(三)手工监测质量保证1、机构和人员要求:企业自测机构有2名人员,负责检测。2、监测分析方法要求:首先采用国家标准方法,在没有国标方法时,可采用行业标准方法或国家环保部推荐方法(尽可能与监督性监测方法一致)。3、仪器要求:所有监测仪器、量具均经过质检部门检定合格并在有效期内使用。4、环境空气、废气监测要求:按照《环境空气质量手工监测技术规范》(HJ/T194—2005)、《固定源废气监测技术规范》(HJ/T397-2007)和《固定污染源监测质量保证与质量控制技术规范》(HJ/T373-2007)中的要求进行。5、噪声监测要求:布点、测量、气象条件按照《工业企业厂界环境噪声排放标准》(GB12348-2008)中的要求进行,声级计在测量前、后必须在测量现场进行声学校准。6、记录报告要求:现场监测和实验室分析原始记录应详细、准确、不得随意涂改。四、自动监测方案(一)自...

1、当您付费下载文档后,您只拥有了使用权限,并不意味着购买了版权,文档只能用于自身使用,不得用于其他商业用途(如 [转卖]进行直接盈利或[编辑后售卖]进行间接盈利)。
2、本站所有内容均由合作方或网友上传,本站不对文档的完整性、权威性及其观点立场正确性做任何保证或承诺!文档内容仅供研究参考,付费前请自行鉴别。
3、如文档内容存在违规,或者侵犯商业秘密、侵犯著作权等,请点击“违规举报”。

碎片内容

2018年自行监测方案

金钥匙书屋+ 关注
实名认证
内容提供者

热爱教育事业,爱好互联网行业

确认删除?
VIP
微信客服
  • 扫码咨询
会员Q群
  • 会员专属群点击这里加入QQ群
客服邮箱
回到顶部