电脑桌面
添加小米粒文库到电脑桌面
安装后可以在桌面快捷访问

IATF 产品安全管理规定 (2)VIP免费

IATF 产品安全管理规定 (2)_第1页
1/8
IATF 产品安全管理规定 (2)_第2页
2/8
IATF 产品安全管理规定 (2)_第3页
3/8
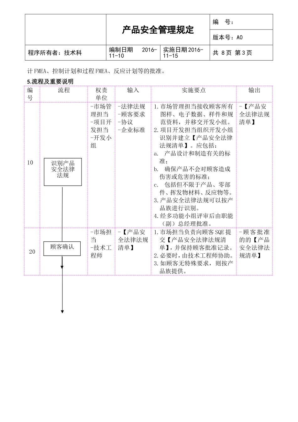
产品安全管理规定编号:版本号:A0程序所有者:技术科编制日期2016-11-10实施日期2016-11-15共8页第1页修订记录版本号修订日期(年-月-日)修订人修订简述A02016-11-15刘双全初版过程绩效项次测量指标测量方法监视周期目标值01特殊殊性评审一次通过率%特殊特性评审份数/需评审份数每月详见过程绩效监控目标及记录表编制审核批准日期日期日期产品安全管理规定编号:版本号:A0程序所有者:技术科编制日期2016-11-10实施日期2016-11-15共8页第2页1.目的识别产品和过程的产品安全,确保所有产品和过程,包括服务件及外包的产品和过程,符合一切适用的顾客和法律法规要求。2.适用范围适用于所有顾客和公司确认的涉及产品和过程的安全的特殊特性控制和防护。3.定义或术语产品安全:与产品设计和制造有关的标准,确保产品不会对顾客造成伤害或危害。主要包括但不限于产品、零部件、挥发物材料、反应物等。特殊特性:可能影响产品的安全性或法规符合性、配合、功能、性能或其后续过程的产品特性或制造过程参数。在APQP中,特殊特性指由顾客指定的产品和过程特性,包括政府法规和安全特性,和/或由供方通过产品和过程的了解选出的特性。4.职责4.1市场管理担当:负责顾客资料的接收和传递,并与顾客进行产品安全性相关的沟通。4.2项目开发担当:负责主导组织对产品安全法律法规、产品安全相关特性、产品及制造时安全相关特性等的识别,设计FMEA、控制计划和过程FMEA、反应计划的建立。4.3开发小组:负责参与组织对产品安全法律法规、产品安全相关特性、产品及制造时安全相关特性等的识别,设计FMEA、控制计划和过程FMEA、反应计划的建立,制造批次中产品可追溯性的控制。4.4采购担当:负责通过采购合同、质量协议和技术/验收规定中将产品的安全性传递到供应链。并要求供应链保持对制造批(至少)的产品可追溯性。4.4人事担当:负责组织对从事与产品/过程安全性有关的技术开发、采购、生产过程、检测等人员的培训。4.5多功能小组:负责产品安全法律法规、产品安全相关特性、产品及制造时安全相关特性、设计FMEA、控制计划和过程FMEA、反应计划等的评审。4.6(副)总经理:负责产品安全法律法规、产品安全相关特性、产品及制造时安全相关特性、设产品安全管理规定编号:版本号:A0程序所有者:技术科编制日期2016-11-10实施日期2016-11-15共8页第3页计FMEA、控制计划和过程FMEA、反应计划等的批准。5.流程及重要说明编号流程权责单位输入实施要点输出10-市场管理担当-项目开发担当-开发小组-法律法规-顾客要求-协议-企业标准1.市场管理担当接收顾客所有图样、电子数据、样件和规范资料,并移交开发小组。2.项目开发担当组织开发小组识别并建立【产品安全法律法规清单】。应包括:a.产品设计和制造有关的标准;b.确保产品不会对顾客造成伤害或危害的标准;c.包括但不限于产品、零部件、挥发物材料、反应物等。3.产品安全法律法规可以按产品族进行识别。4.经多功能小组评审后由职能(副)总经理批准。-【产品安全法律法规清单】20-市场担当-技术工程师-【产品安全法律法规清单】1.市场担当负责向顾客SQE提交【产品安全法律法规清单】,并保持顾客批准记录。2.必要时,由技术工程师协助。3.如顾客无特殊要求,则按产品族提供。-顾客批准的的【产品安全法律法规清单】识别产品安全法律法规顾客确认产品安全管理规定编号:版本号:A0程序所有者:技术科编制日期2016-11-10实施日期2016-11-15共8页第4页30-项目开发担当-开发小组-(副)总经理-顾客要求-协议-企业标准1.开发小组按《产品设计与开发管理程序》进行产品设计。2.遵循《DFMEA管理规定》进行【DFMEA】开发,详细参考AIAG工具手册《FMEA》。3.并结合顾客要求、协议、【产品安全法律法规清单】以及DFMEA之S、O、D、RPN识别设计特性要求,并在DFMEA用符号注明。4.多功能小组依据【DFMEA检查表】进行审核【DFMEA】,审核结果应记录5.DFMEA评审后由职能(副)总经理批准。必要时,需经顾客批准。-【DFMEA】-【DFMEA检查表】40-市场担当-技术工程师-【DFMEA】-设计资料-顾客要求-协议1.项目小组成员根据产品设计资料、【DFMEA】、顾客要求、协议...

1、当您付费下载文档后,您只拥有了使用权限,并不意味着购买了版权,文档只能用于自身使用,不得用于其他商业用途(如 [转卖]进行直接盈利或[编辑后售卖]进行间接盈利)。
2、本站所有内容均由合作方或网友上传,本站不对文档的完整性、权威性及其观点立场正确性做任何保证或承诺!文档内容仅供研究参考,付费前请自行鉴别。
3、如文档内容存在违规,或者侵犯商业秘密、侵犯著作权等,请点击“违规举报”。

碎片内容

IATF 产品安全管理规定 (2)

您可能关注的文档

确认删除?
VIP
微信客服
  • 扫码咨询
会员Q群
  • 会员专属群点击这里加入QQ群
客服邮箱
回到顶部