电脑桌面
添加小米粒文库到电脑桌面
安装后可以在桌面快捷访问

《机械制图》试卷及答案VIP免费

《机械制图》试卷及答案_第1页
1/8
《机械制图》试卷及答案_第2页
2/8
《机械制图》试卷及答案_第3页
3/8
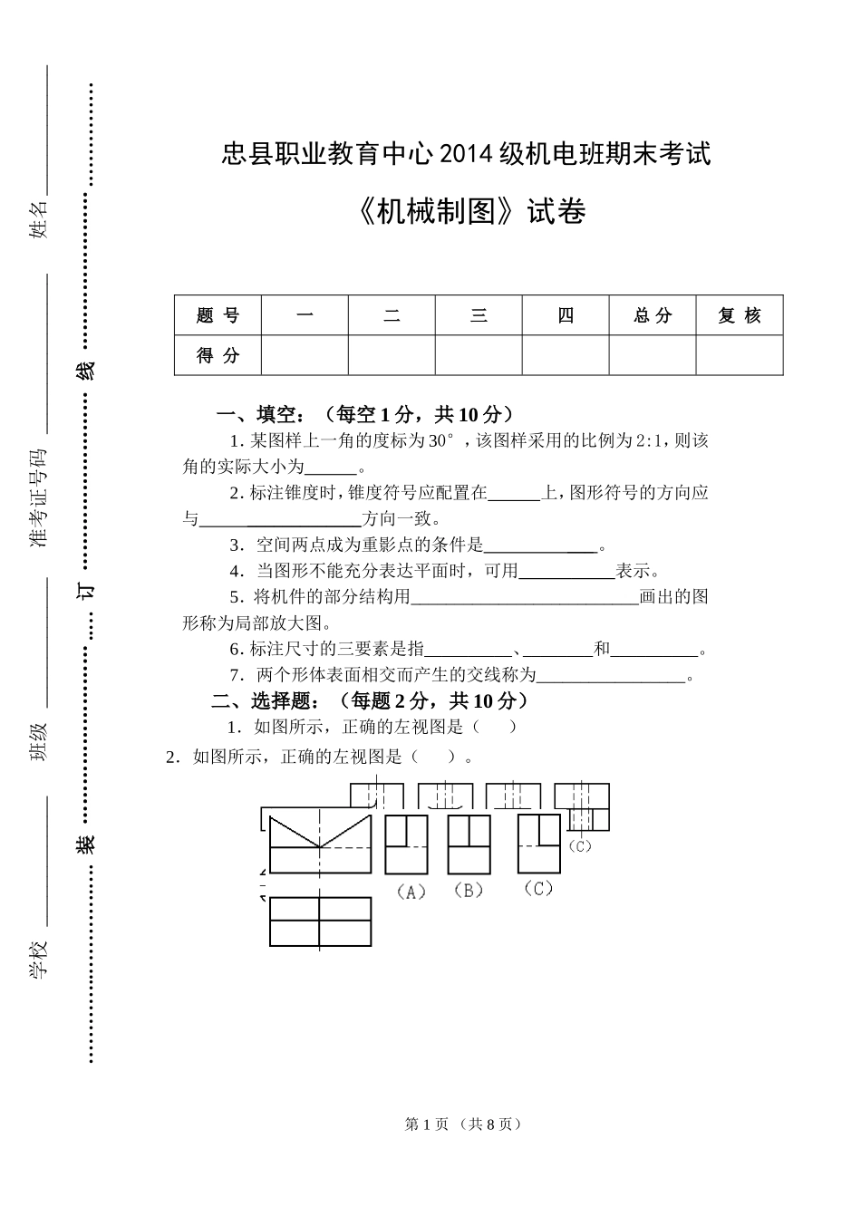
忠县职业教育中心2014级机电班期末考试《机械制图》试卷题号一二三四总分复核得分一、填空:(每空1分,共10分)1.某图样上一角的度标为30°,该图样采用的比例为2:1,则该角的实际大小为。2.标注锥度时,锥度符号应配置在上,图形符号的方向应与_____________方向一致。3.空间两点成为重影点的条件是___。4.当图形不能充分表达平面时,可用____表示。5.将机件的部分结构用__________________________画出的图形称为局部放大图。6.标注尺寸的三要素是指__________、________和__________。7.两个形体表面相交而产生的交线称为_________________。二、选择题:(每题2分,共10分)1.如图所示,正确的左视图是()2.如图所示,正确的左视图是()。第1页(共8页)学校_____________班级_____________准考证号码________________姓名_____________…………..………….….装………………………..…订………………………线…………………….……………3.如图所示,图形正确的左视图是()4.关于图示尺寸φ20的哪种说法是正确的?()A.公差为0B.公差为0.14C.偏差为±0.07D.公差为0.075.哪种符号表示表面可用任意方法获得?()三、补图题:(40分)1.已知主、俯视图,画第三视图。(5分)第2页(共8页)2.根据组合体的两个视图,补画第三视图。(5分)3.根据所给组合体的主、俯视图,构想三种不同的组合体并画其左视图。(10分)4.指出下列螺纹画法中的错误,并将正确的画在指定位置。(10分)第3页(共8页)5.在指定位置画出剖面图(键槽深为3mm)。(10分)第4页(共8页)学校_____________班级_____________准考证号码________________姓名_____________…………..………….….装………………………..…订………………………线…………………….……………四、读图题(40分)(一)看懂起动轴零件图,并回答下列问题。(共12分)1.主视图是____________剖视图,用于表达_________及__________的内部结构。2.剖面图没有任何标注,因为它的位置是在____________,而且图形是_________。3.采用B向展开,是为了表达清楚沟槽的_____________,及____________,沟槽数量可由__________反映。4.退刀槽2.5×1的含义:2.5表示槽的______________,1表示槽的__________。5.轴键槽槽底的表面粗糙度为________________。6._____________端是零件轴向尺寸的主要基准。第5页(共8页)(二)读懂零件图,完成下列填空。(共28分)1.该零件图所表达的零件为___________类零件,长度方向基准是:___________宽度方向基准是:_________,高度方向基准是:_______________。2.该零件的毛坯是用________加工方法制造的,热处理的方式是__________,处理后硬度为________________。3.解释的含义:_____________________________。4.该零件顶板的厚度是________mm,侧板的厚度是________mm。锥销孔是在_____时再进行加工,零件上一共有____个,其作用是___________________________。5.右视图上部的四个同心圆,从大到小,直径分别为__________________。主视图采用了____________________________表达方法。6.右视图中有些地方的虚线没有画出,这是为什么?答:____________________________________________________。7.右视图四角的圆孔尺寸为______________________。8.零件的总长、总宽、总高分别为_______________________________。第6页(共8页)⊥φ0.04A机械制图答案一、填空:1、30°;2、基准线上、圆锥方向;3、空间两点必须有两对同名坐标对应相等,另一对同名坐标不相等;4、平面符号;5、大于原图形所采用的比例6、尺寸线尺寸界线尺寸数字;7、相贯线二、选择题1.C2.C3.C4.B5.D三23、4四、读图题:第7页(共8页)12(一):1.局部;孔ф21;键槽2.剖切面迹线延长线上;对称图形3.形状;尺寸;左视图4.宽度;深度5.12.56.左(二)1、盘盖、右端面、¢25孔的轴线、¢25孔的轴线2、铸造、时效处理、170—230HBS3、¢25孔的轴线对侧板的右端面的垂直度公差为¢0.044、8、10、装配、2、定位作用5、¢45、¢40、¢27、¢25、阶梯剖的全剖视图6、因为在剖视图及尺寸标注中已经表达清楚,采用了简化画法。7、4-¢9/沉孔¢15深108、50mm、135mm、180mm第8页(共8页)

1、当您付费下载文档后,您只拥有了使用权限,并不意味着购买了版权,文档只能用于自身使用,不得用于其他商业用途(如 [转卖]进行直接盈利或[编辑后售卖]进行间接盈利)。
2、本站所有内容均由合作方或网友上传,本站不对文档的完整性、权威性及其观点立场正确性做任何保证或承诺!文档内容仅供研究参考,付费前请自行鉴别。
3、如文档内容存在违规,或者侵犯商业秘密、侵犯著作权等,请点击“违规举报”。

碎片内容

《机械制图》试卷及答案

您可能关注的文档

确认删除?
VIP
微信客服
  • 扫码咨询
会员Q群
  • 会员专属群点击这里加入QQ群
客服邮箱
回到顶部