电脑桌面
添加小米粒文库到电脑桌面
安装后可以在桌面快捷访问

文件和记录控制程序VIP免费

文件和记录控制程序_第1页
1/7
文件和记录控制程序_第2页
2/7
文件和记录控制程序_第3页
3/7
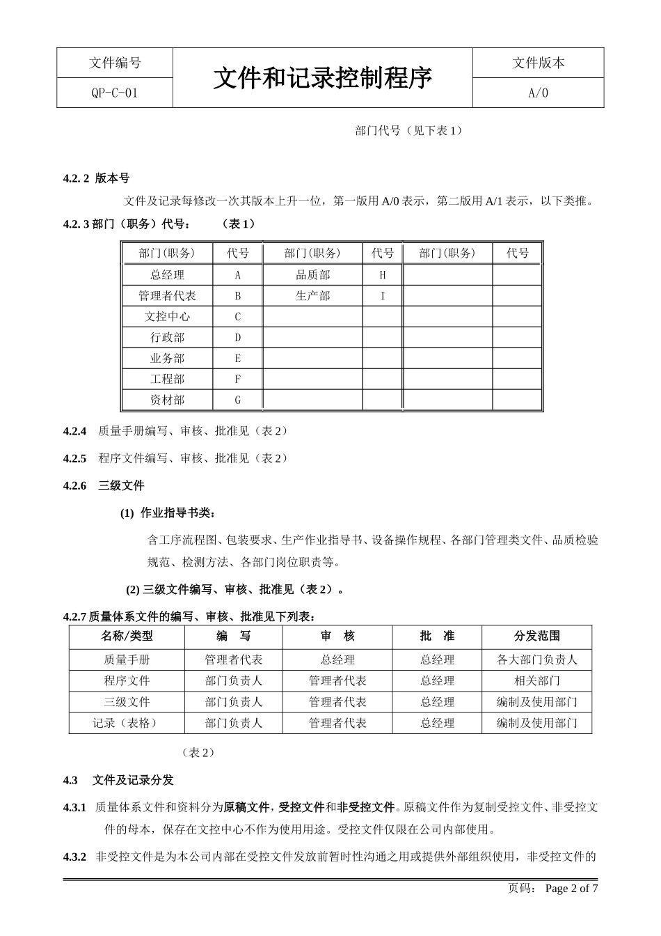
文件编号文件和记录控制程序文件版本QP-C-01A/01目的制定并保持本程序,旨在确保使用有效文件,防止使用作废文件或失效文件。2适用范围适用于公司所有质量体系文件和记录的控制。3职责和权限3.1文控中心负责文件的控制。3.2各部门负责本部门文件和资料的保管、维护,并协助文控中心进行文件管理。4工作程序4.1文件分类:(1)质量手册(2)程序文件(各部门运作程序)(3)三级文件(检验规范及检验标准、产品工艺标准、图纸类)(4)外来文件(外部书籍、法规书籍、客户提供的资料、供方提供的资料)(5)记录(表格,客户提供的表格)4.2文件编写、编号与核准4.2.1文件及记录编号方法:1)质量手册QM-0012)程序文件QP--XXXXX顺序号(用01,02,03,……表示)部门代号(见下表1)3)三级文件WI-XX-XXX顺序号(用01,02,03,……表示)部门代号(见下表1)4)外来文件OUT-XXXXX顺序号(用01,02,03,……表示)部门代号(见下表1)5)品质记录(表格)编号方法QR---XX—XXX—A/0版本号(用A/0,A/1,……表示)顺序号(用01,02,03,……表示)页码:Page1of7文件编号文件和记录控制程序文件版本QP-C-01A/0部门代号(见下表1)4.2.2版本号文件及记录每修改一次其版本上升一位,第一版用A/0表示,第二版用A/1表示,以下类推。4.2.3部门(职务)代号:(表1)部门(职务)代号部门(职务)代号部门(职务)代号总经理A品质部H管理者代表B生产部I文控中心C行政部D业务部E工程部F资材部G4.2.4质量手册编写、审核、批准见(表2)4.2.5程序文件编写、审核、批准见(表2)4.2.6三级文件(1)作业指导书类:含工序流程图、包装要求、生产作业指导书、设备操作规程、各部门管理类文件、品质检验规范、检测方法、各部门岗位职责等。(2)三级文件编写、审核、批准见(表2)。4.2.7质量体系文件的编写、审核、批准见下列表:名称/类型编写审核批准分发范围质量手册管理者代表总经理总经理各大部门负责人程序文件部门负责人管理者代表总经理相关部门三级文件部门负责人管理者代表总经理编制及使用部门记录(表格)部门负责人管理者代表总经理编制及使用部门(表2)4.3文件及记录分发4.3.1质量体系文件和资料分为原稿文件,受控文件和非受控文件。原稿文件作为复制受控文件、非受控文件的母本,保存在文控中心不作为使用用途。受控文件仅限在公司内部使用。4.3.2非受控文件是为本公司内部在受控文件发放前暂时性沟通之用或提供外部组织使用,非受控文件的页码:Page2of7文件编号文件和记录控制程序文件版本QP-C-01A/0发放须加盖蓝色“参考文件”印章,且不会得到更新。4.3.4因某种需要须将文件提供给客户或公司以外的人员使用时须在文件正面盖蓝色“参考文件”印章。4.35文控员将收到的经审批的质量体系文件和资料,按要求份数复制后,按【文件发放与回收记录表】统一发放。4.36表格的发放:所有文件在发放时如文件后附有表格,则表格与文件同时发放,为方便各部门使用,表格在发放时不得盖“受控文件”印章。4.3.8因文件破损、遗失或增加需补领文件时,需求单位需填写【文件申请书】经管理者代表审批后向文控员索取,文控按第4.3.5条发放。4.4文件和记录保存及保存期限4.4.1质量体系文件和记录的原稿由文控员负责登录于【文件总表】、【记录清单】中并统一保存(保存期如下表(表3)、(表4),同时进行各部门沟通,沟通时无须加盖受控文件印章。名称/类型原稿保存部门保存期限质量手册文控中心取消或更新后3年程序文件文件中心取消或更新后3年三级文件文控中心取消或更新后3年外来文件文控中心取消或更新后3年记录(表格)文控中心取消或更新后3年(表3)序号记录类型保存部门保存期限消毁部门1产品生产记录及其它产品记录/生产设备管理记录生产部3年生产部2产品检验记录品质部3年品质部3顾客订单及评审记录业务部3年业务部4人事档案、培训记录行政部3年行政部5计量、客诉、客退记录品质部3年品质部6文件管理记录文控中心3年文控中心7采购、仓储记录采购/仓库3年采购/仓库8样品制作记录工程部3年工程部9供方调查及供方档案采购3年采购页码:Page3of7文件编号文件和记录控制程序文件版本QP-C-01A/010顾客满意调查业务部...

1、当您付费下载文档后,您只拥有了使用权限,并不意味着购买了版权,文档只能用于自身使用,不得用于其他商业用途(如 [转卖]进行直接盈利或[编辑后售卖]进行间接盈利)。
2、本站所有内容均由合作方或网友上传,本站不对文档的完整性、权威性及其观点立场正确性做任何保证或承诺!文档内容仅供研究参考,付费前请自行鉴别。
3、如文档内容存在违规,或者侵犯商业秘密、侵犯著作权等,请点击“违规举报”。

碎片内容

文件和记录控制程序

确认删除?
VIP
微信客服
  • 扫码咨询
会员Q群
  • 会员专属群点击这里加入QQ群
客服邮箱
回到顶部