电脑桌面
添加小米粒文库到电脑桌面
安装后可以在桌面快捷访问

电动机振动、温度诊断标准(整理篇)VIP免费

电动机振动、温度诊断标准(整理篇)_第1页
1/3
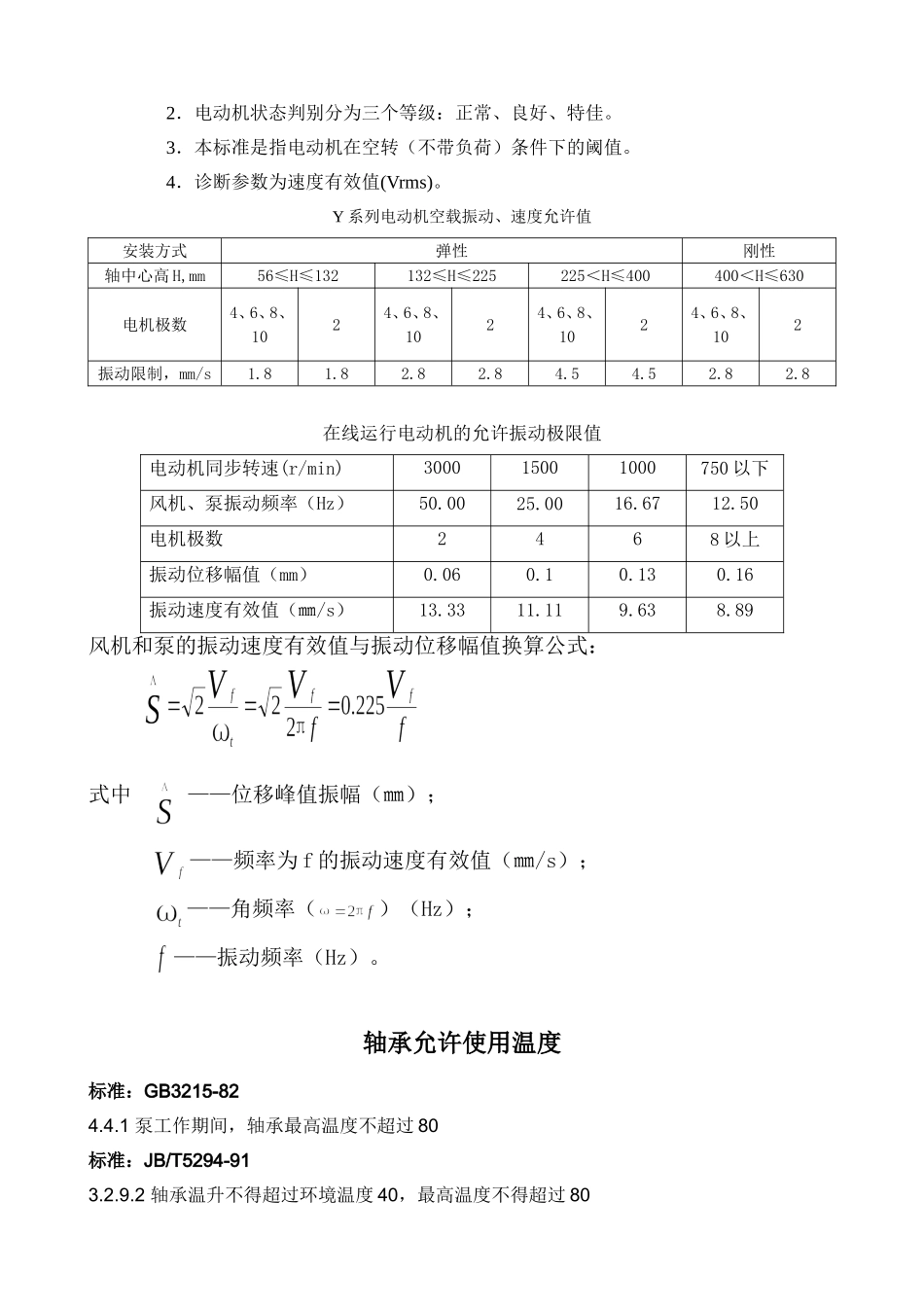
电动机振动、温度诊断标准(整理篇)_第2页
2/3
电动机振动、温度诊断标准(整理篇)_第3页
3/3
ISO2372和ISO3945机械振动诊断标准标准ISO2372ISO3945振动强度分级范围速度有效值mm/sⅠ级Ⅱ级Ⅲ级Ⅳ级刚性基础挠性基础0.280.280.450.711.121.802.804.57.1011.2182845AAAA优优0.450.711.12B1.80B2.80CB良4.50CB良7.10DC可11.2DC可18D不可28D不可4571在10~1000Hz的频段内,振动速度均方根值相同的振动,被认为具有相同的烈度,为使不同的旋转机械使用同一烈度标准进行评定,本标准根据机器的尺寸及功能(振动体质量、尺寸机械的输出功率等)、机器——支承系统的刚性等将旋转机械分为如下4类:Ⅰ——小型转机,如15kW以下的电动机;Ⅱ——安装在刚性基础上的中型转机,功率300kW以下;Ⅲ——大型转机,机器—支承系统为刚性状态;Ⅳ——大型转机,机器—支承系统为挠性支承状态。每类旋转机械分4个区段作振动状态评定:A区——新交付使用的机器应达到的状态或优良状态;B区——机器可以长期运行或合格状态;C区——机器尚可短期运行但必须采取相应补救措施,或不合格状态;D区——不允许状态。ISO32373和DIN45665(德)电动机空载振动标准质量等级电机极数电动机中心高H=80~400mm,中心高﹥400mm的参照225

1、当您付费下载文档后,您只拥有了使用权限,并不意味着购买了版权,文档只能用于自身使用,不得用于其他商业用途(如 [转卖]进行直接盈利或[编辑后售卖]进行间接盈利)。
2、本站所有内容均由合作方或网友上传,本站不对文档的完整性、权威性及其观点立场正确性做任何保证或承诺!文档内容仅供研究参考,付费前请自行鉴别。
3、如文档内容存在违规,或者侵犯商业秘密、侵犯著作权等,请点击“违规举报”。

碎片内容

电动机振动、温度诊断标准(整理篇)

慧源书苑+ 关注
实名认证
内容提供者

热爱教育事业,爱好互联网行业

确认删除?
微信客服
  • 扫码咨询
会员Q群
  • 会员专属群点击这里加入QQ群