电脑桌面
添加小米粒文库到电脑桌面
安装后可以在桌面快捷访问

光伏双轴跟踪装置VIP免费

光伏双轴跟踪装置_第1页
1/6
光伏双轴跟踪装置_第2页
2/6
光伏双轴跟踪装置_第3页
3/6
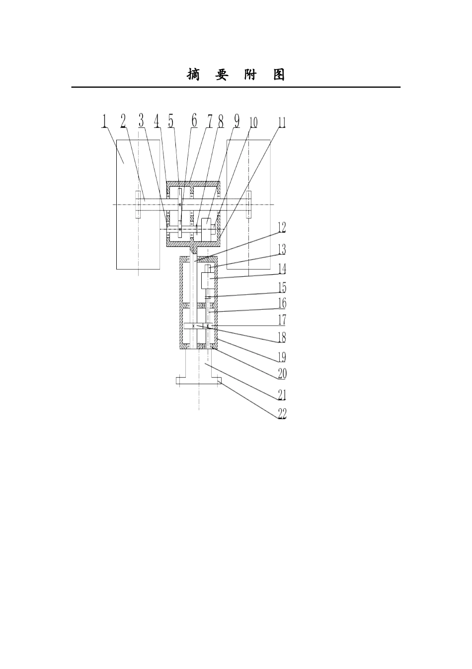
说明书摘要一种光伏双轴跟踪装置,主要内容为:水平电机固定安装在水平蜗轮蜗杆减速器上,而水平蜗轮蜗杆减速器固定安装在水平壳体上,水平蜗轮蜗杆减速器输出轴通过水平联轴器与水平小齿轮轴连接,水平大齿轮与水平小齿轮啮合带动水平大齿轮轴的转动,来调整太阳能电池板在经度方向上的跟踪;竖直电机固定安装在竖直蜗轮蜗杆减速器上,而竖直蜗轮蜗杆减速器固定安装在竖直壳体上,竖直蜗轮蜗杆减速器输出轴通过竖直联轴器与竖直小齿轮轴连接,竖直大齿轮与竖直小齿轮啮合带动竖直轴的转动,来调整太阳能电池板在纬度方向上的跟踪。本装置可在经度和纬度方向上进行调整,使其与太阳光线时刻保持垂直,提高了光伏发电装置的发电能力。摘要附图权利要求书1.一种光伏双轴跟踪机构,其特征在于,该系统包括水平电机(10)固定安装在水平蜗轮蜗杆减速器(9)上,而水平蜗轮蜗杆减速器(9)固定安装在水平下壳体(11)上,水平蜗轮蜗杆减速器(9)输出轴通过水平联轴器(8)与水平小齿轮轴(3)连接,水平大齿轮(5)与水平小齿轮(6)啮合带动水平大齿轮轴(2)的转动,水平大齿轮轴(2)、水平小齿轮轴(3)采用水平轴承(4)支撑,来调整太阳能电池板(1)在经度方向上的跟踪;竖直电机(13)固定安装在竖直蜗轮蜗杆减速器(14)上,而竖直蜗轮蜗杆减速器(14)固定安装在竖直壳体(19)上,竖直蜗轮蜗杆减速器(14)输出轴通过竖直联轴器(15)与竖直小齿轮轴(16)连接,竖直大齿轮(18)与竖直小齿轮(17)啮合带动竖直轴(12)的转动,竖直轴(12)、竖直小齿轮轴(17)采用竖直轴承(20)支撑,来调整太阳能电池板(1)在纬度方向上的跟踪。2.如权利要求1所述的一种光伏双轴跟踪机构,其特征在于采用水平涡轮蜗杆减速器(9)带动水平齿轮传动副(5,6)实现水平方向高的传动比,竖直涡轮蜗杆减速器(14)带动竖直齿轮传动副(17,18)实现竖直方向高的传动比。3.如权利要求1所述的一种光伏双轴跟踪机构,其特征在于竖直轴(12)采用三对竖直轴承(,20)支撑,水平大齿轮轴(2)采用三对水平轴承(4)支撑。4.如权利要求1所述的一种光伏双轴跟踪机构,其特征在于整体支座(10)采用多个地脚螺栓(11)固定。说明书一种光伏双轴跟踪机构技术领域本实用新型涉及一种跟踪系统技术领域,提供一种双轴跟踪机构。背景技术世界能源日趋枯竭,可再生能源的开发和利用前景广阔,全方位、高效率地利用太阳能是相关人士追求的目标。光伏发电装置利用太阳能电池板接受太阳光照射,将光能转换为电能。太阳能电池板发电能力与其接收的光强成正比,并且入射阳光垂直于太阳能电池板时的发电能力最强,现有设备中,有很多跟踪太阳的光伏发电系统存在结构复杂、跟踪精度低、故障率高、成本高等缺点,很难推广到实际生活中应用。实用新型内容针对现有技术存在的问题,本实用新型提供了一种结构稳定、接收光强高的光伏双轴跟踪机构。为实现上述目的,本实用新型光伏双轴跟踪机构,包括:电机、蜗轮蜗杆减速器、太阳能电池板、齿轮传动副、整体支座、轴承、地脚螺栓和竖直轴,其中水平电机固定安装在水平蜗轮蜗杆减速器上,而水平蜗轮蜗杆减速器固定安装在水平壳体上,水平蜗轮蜗杆减速器输出轴通过水平联轴器与水平小齿轮轴连接,水平大齿轮与水平小齿轮啮合带动水平大齿轮轴的转动,来调整太阳能电池板在经度方向上的跟踪;竖直电机固定安装在竖直蜗轮蜗杆减速器上,而竖直蜗轮蜗杆减速器固定安装在竖直壳体上,竖直蜗轮蜗杆减速器输出轴通过竖直联轴器与竖直小齿轮轴连接,竖直大齿轮与竖直小齿轮啮合带动竖直轴的转动,来调整太阳能电池板在纬度方向上的跟踪。本装置可在经度和纬度方向上进行调整,使其与太阳光线时刻保持垂直,提高了光伏发电装置的发电能力。附图说明图1为本实用新型的示意图。附图标记说明:1—太阳能电池板2—水平大齿轮轴3—水平小齿轮轴4—水平轴承7—水平上壳体10—水平电机13—竖直电机16—竖直小齿轮轴5—水平大齿轮8—水平联轴器11—水平下壳体14—竖直蜗轮蜗杆减速器17—竖直小齿轮6—水平小齿轮9—水平蜗轮蜗杆减速器12—竖直轴15—竖直联轴器18—竖直大齿轮19—竖直壳...

1、当您付费下载文档后,您只拥有了使用权限,并不意味着购买了版权,文档只能用于自身使用,不得用于其他商业用途(如 [转卖]进行直接盈利或[编辑后售卖]进行间接盈利)。
2、本站所有内容均由合作方或网友上传,本站不对文档的完整性、权威性及其观点立场正确性做任何保证或承诺!文档内容仅供研究参考,付费前请自行鉴别。
3、如文档内容存在违规,或者侵犯商业秘密、侵犯著作权等,请点击“违规举报”。

碎片内容

光伏双轴跟踪装置

您可能关注的文档

确认删除?
VIP
微信客服
  • 扫码咨询
会员Q群
  • 会员专属群点击这里加入QQ群
客服邮箱
回到顶部