电脑桌面
添加小米粒文库到电脑桌面
安装后可以在桌面快捷访问

供应商评价表(同名18129)VIP专享VIP免费

供应商评价表(同名18129)_第1页
1/5
供应商评价表(同名18129)_第2页
2/5
供应商评价表(同名18129)_第3页
3/5
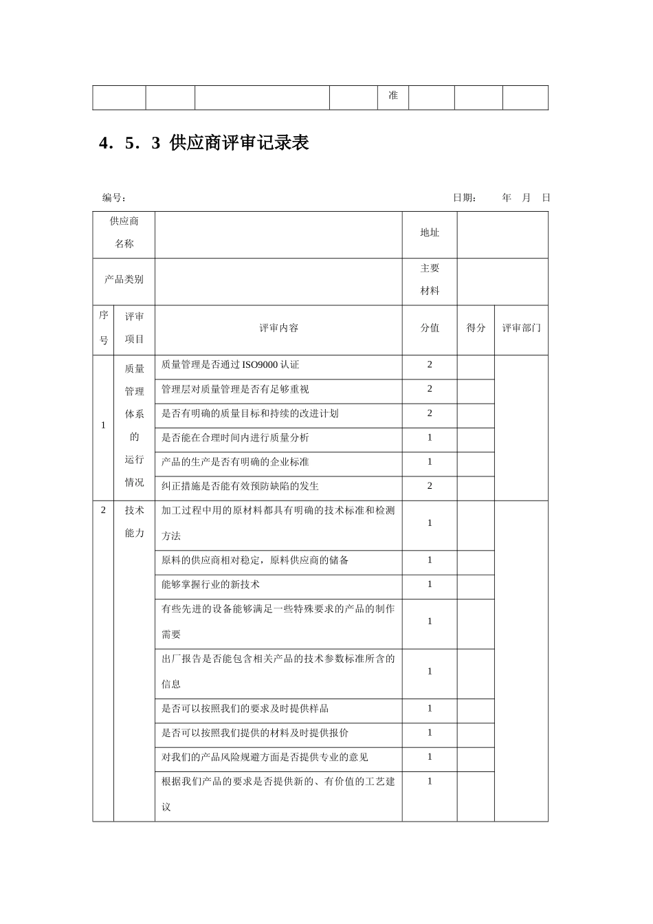
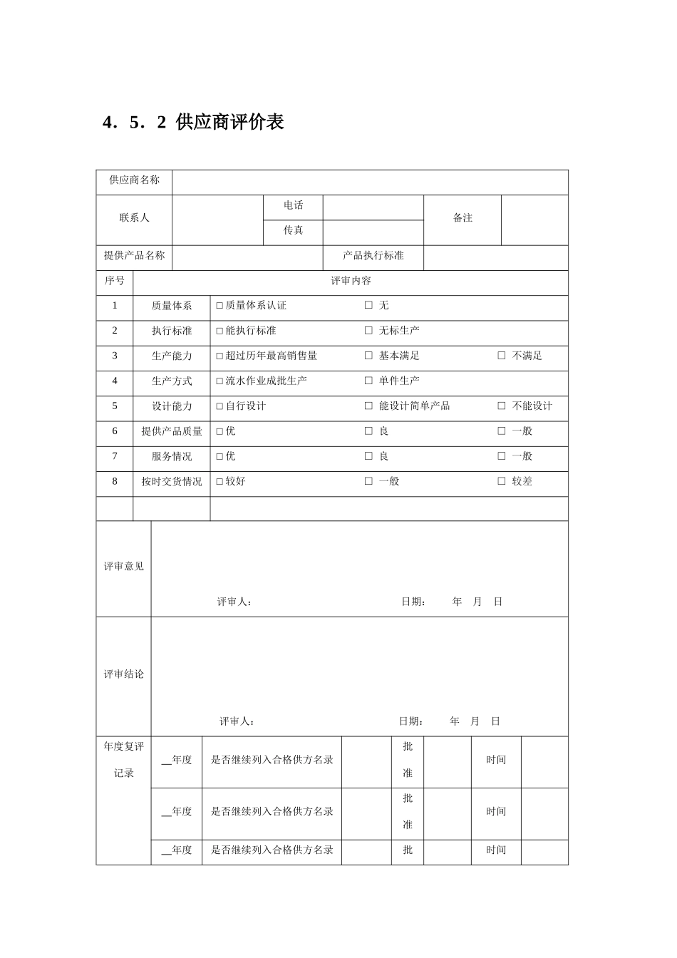
4.5.2供应商评价表供应商名称联系人电话备注传真提供产品名称产品执行标准序号评审内容1质量体系□质量体系认证□无2执行标准□能执行标准□无标生产3生产能力□超过历年最高销售量□基本满足□不满足4生产方式□流水作业成批生产□单件生产5设计能力□自行设计□能设计简单产品□不能设计6提供产品质量□优□良□一般7服务情况□优□良□一般8按时交货情况□较好□一般□较差评审意见评审人:日期:年月日评审结论评审人:日期:年月日年度复评记录年度是否继续列入合格供方名录批准时间年度是否继续列入合格供方名录批准时间年度是否继续列入合格供方名录批时间准4.5.3供应商评审记录表编号:日期:年月日供应商名称地址产品类别主要材料序号评审项目评审内容分值得分评审部门1质量管理体系的运行情况质量管理是否通过ISO9000认证2管理层对质量管理是否有足够重视2是否有明确的质量目标和持续的改进计划2是否能在合理时间内进行质量分析1产品的生产是否有明确的企业标准1纠正措施是否能有效预防缺陷的发生22技术能力加工过程中用的原材料都具有明确的技术标准和检测方法1原料的供应商相对稳定,原料供应商的储备1能够掌握行业的新技术1有些先进的设备能够满足一些特殊要求的产品的制作需要1出厂报告是否能包含相关产品的技术参数标准所含的信息1是否可以按照我们的要求及时提供样品1是否可以按照我们提供的材料及时提供报价1对我们的产品风险规避方面是否提供专业的意见1根据我们产品的要求是否提供新的、有价值的工艺建议1是否提供一些具有特殊性能的新材料以及新颖的结构13检验机构检验机构是否独立运作2是否有足够独立的检验人员2是否有足够的检测设备1每一生产工艺是否都有明确的检验标准和检验负责人2有关质量反馈是否能触发改进行动1操作人员是否参与持续质量改进1有关检验设备是否定期由专门机构校验14作业检验文件是否有明确的原料、材料出入库检验标准2原料、材料、产品的出入库是否有记录2每一工艺或工序是否有详细的作业指导书2生产过程是否有详细的质量检验记录2相关操作人员是否有培训记录和上岗资质25不合格产品不合格品是否有明确的处理程序4采购或生产过程中的不合格品是否分开存放4采购或生产过程中的不合格品是否有处理记录26生产设备及维护设备服役年限1.5设备管理制度及其执行情况2.5设备运行状况2.5设备维护保养状况2设备设计制造质量1.57生产现场管理情况车间人员工服,违规行为以及员工精神面情况4车间现场物料摆放、标识情况,人流物流的整体情况3机器设备情况2工作环境以及工作秩序情况4各种备用工具的摆放、标识以及工具清洁情况2生产过程有无完善控制方法以及过程控制记录58仓储条件有足够仓库储存货物4所有材料堆在垫板上2仓库贮存区内留有合理的通道2仓贮区内未有昆虫、鼠类29供应商现场评估技术能力管理技术人员文化水平2生产人员文化水平2样品制作达标水平2技术标准制作水平2生产设备配备先进性2总分100——等级A()B()C()D()分数得分≥90分(优秀)90>得分≥80分(合格)80>得分≥70分(试用)得分<70分(不合格)总体评价评审小组制表人:质量管理部经理:采购经理:采购总监:4.5.4供应商不良行为记录表编号:日期:年月日供应商名称物资类别供应商类别项目名称不良行为类别不良行为编号不良行为认定内容整改建议检查人签字检查人签字供应商现场负责人检查时间确认签字检查认定部门备注

1、当您付费下载文档后,您只拥有了使用权限,并不意味着购买了版权,文档只能用于自身使用,不得用于其他商业用途(如 [转卖]进行直接盈利或[编辑后售卖]进行间接盈利)。
2、本站所有内容均由合作方或网友上传,本站不对文档的完整性、权威性及其观点立场正确性做任何保证或承诺!文档内容仅供研究参考,付费前请自行鉴别。
3、如文档内容存在违规,或者侵犯商业秘密、侵犯著作权等,请点击“违规举报”。

碎片内容

供应商评价表(同名18129)

确认删除?
VIP
微信客服
  • 扫码咨询
会员Q群
  • 会员专属群点击这里加入QQ群
客服邮箱
回到顶部