电脑桌面
添加小米粒文库到电脑桌面
安装后可以在桌面快捷访问

光缆敷设要求VIP免费

光缆敷设要求_第1页
1/8
光缆敷设要求_第2页
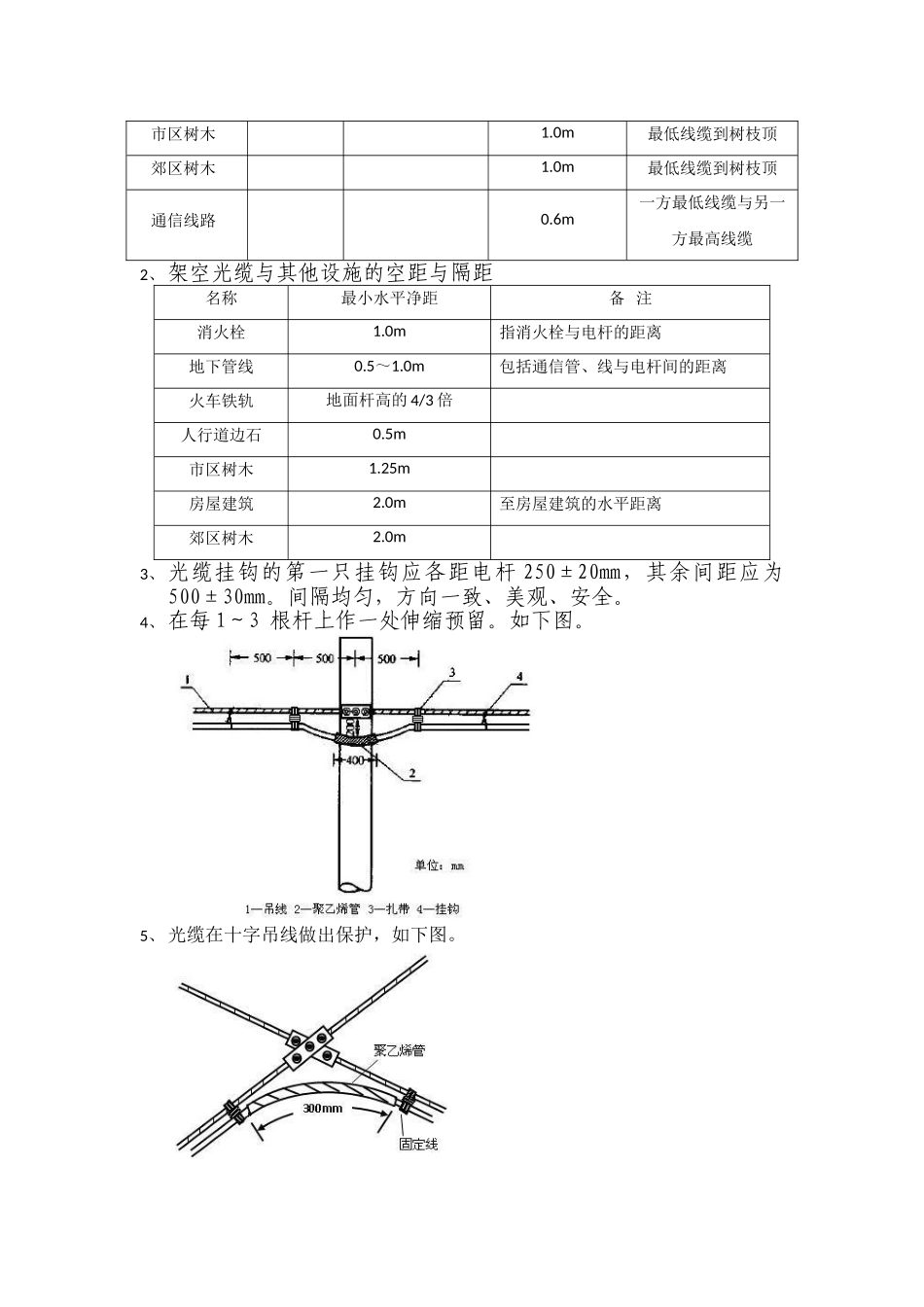
2/8
光缆敷设要求_第3页
3/8
管道光缆的敷设1、按要求布放子管,不得跨人(手)孔敷设,子管在管道内不得有接头。子管在人(手)孔内伸出长度一般为200~400mm。按要求封堵管孔。2、人工敷设光缆不得超过1000m。光缆气流敷设单向一般不超过2000m。3、光缆出管孔150mm以内不得做弯曲处理。4、光缆接头按设计做预留,接续后盘放。按设计做预留盘放。每个人手孔做好标牌。直埋光缆的敷设1、直埋深度要求2、直埋光缆的曲率半径应大于光缆外径的20倍。同沟应平行敷设光电缆,净距应≥100mm。3、注意直埋深度和表面加固,防止雨水冲刷露出。做好各种标志。4、直埋光缆进入人(手)孔处应设置保护管。光缆铠装保护层应延伸至人孔内距第一个支撑点约100mm处。5、直埋通信线路与其他建筑物间最小净距表单位:m设施名称种类最小间隔距离平行时交越时给水管直径300mm及以下0.50.5直径300~500mm1.00.5直径500mm以上1.50.5排水管1.00.5热力管1.00.5煤气管压力小于或等于300KPa1.00.5压力大于300KPa2.00.5通信管道0.750.25建筑红线1.0-排水沟0.30.5市外大树2.0-市内大树0.75-电力电缆35KV以下0.50.5电力电缆35KV及以上2.00.56、路面开槽敷设是,根据光缆大小确定槽宽,一般应小于20mm;槽道内最上层光缆顶部距路面高度宜大于80mm,槽道总深度宜小于路面厚度的2/3。槽底平整,敷设前填充缓冲材料(细沙或泡沫)。架空光缆的敷设1、架空光缆与其他建筑物的最小垂直净距名称与线路平行时与线路交越时垂直净距备注垂直净距备注市区街道4.5m最低线缆到地面5.5m最低线缆到地面胡同(里弄)4.0m最低线缆到地面5.0m最低线缆到地面铁路3.0m最低线缆到地面7.5m最低线缆到地面公路3.0m最低线缆到地面5.5m最低线缆到地面土路3.0m最低线缆到地面5.0m最低线缆到地面房屋建筑距脊0.6m距顶1.5m最低线缆距屋脊或平顶河流通航河流2.0m不通航河流1.0m最低线缆距最高水位时最高桅杆顶市区树木1.0m最低线缆到树枝顶郊区树木1.0m最低线缆到树枝顶通信线路0.6m一方最低线缆与另一方最高线缆2、架空光缆与其他设施的空距与隔距名称最小水平净距备注消火栓1.0m指消火栓与电杆的距离地下管线0.5~1.0m包括通信管、线与电杆间的距离火车铁轨地面杆高的4/3倍人行道边石0.5m市区树木1.25m房屋建筑2.0m至房屋建筑的水平距离郊区树木2.0m3、光缆挂钩的第一只挂钩应各距电杆250±20mm,其余间距应为500±30mm。间隔均匀,方向一致、美观、安全。4、在每1~3根杆上作一处伸缩预留。如下图。5、光缆在十字吊线做出保护,如下图。6、架空光缆在吊线接头处的吊扎方式应符合下图。7、光缆引上要求应如下图。墙壁光缆的敷设1、不宜在墙壁上敷设铠装或油麻光缆。墙壁光缆离地面高度应≥3m,跨越街坊、院内通路等应采用钢绞线吊挂。2、墙壁光缆与其他管线的最小间距管线种类平行净距(m)垂直交叉净距(m)电力线0.200.10避雷引下线1.000.30保护地线0.200.10热力管(不包封)0.500.50热力管(包封)0.300.30给水管0.150.10煤气管0.300.10电缆线路0.150.103、吊线式墙壁光缆,墙上支撑的间距应为8~10m,终端固定物与第一只中间支撑的距离不应大于5m。4、吊线在墙壁上的水平敷设,其终端固定、吊线中间支撑应符合下图。5、光缆卡钩间距为500±50mm。转弯两侧的卡钩距离为150~250mm,两侧距离须相等。楼道及入户光缆的敷设1、预埋或密封线槽的截面利用率应为30%~50%。暗管布放4芯以上光缆时,直线管道的管径利用率应为50%~60%,弯管道应为40%~50%。暗管布放4芯及以下光缆时,管道的截面利用率应为25%~30%。2、缆线桥架内缆线垂直敷设时,在缆线的上端和每间隔1.5m处应固定在桥架的支架上;水平敷设时,在缆线的首、尾、转弯及每间隔5~l0m处进行固定。不交叉敷设。3、楼道缆线与其它机房最小净距名称最小净距(m)名称小净距(m)配电箱1电梯机房2变电室2空调机房24、楼道缆线及管线与其它管线的间距管线种类平行净距(mm)垂直交叉净距(mm)避雷引下线1000300保护地线5020热力管(不包封)500500热力管(包封)300300给水管15020煤气管30020压缩空气管150205、光缆的弯曲半径应至少为光缆外径的10倍。穿墙时,注意封堵。6、注意在始末端等地方做好标牌。方便...

1、当您付费下载文档后,您只拥有了使用权限,并不意味着购买了版权,文档只能用于自身使用,不得用于其他商业用途(如 [转卖]进行直接盈利或[编辑后售卖]进行间接盈利)。
2、本站所有内容均由合作方或网友上传,本站不对文档的完整性、权威性及其观点立场正确性做任何保证或承诺!文档内容仅供研究参考,付费前请自行鉴别。
3、如文档内容存在违规,或者侵犯商业秘密、侵犯著作权等,请点击“违规举报”。

碎片内容

光缆敷设要求

确认删除?
VIP
微信客服
  • 扫码咨询
会员Q群
  • 会员专属群点击这里加入QQ群
客服邮箱
回到顶部