电脑桌面
添加小米粒文库到电脑桌面
安装后可以在桌面快捷访问

临时用电工程施工设计方案最终版VIP免费

临时用电工程施工设计方案最终版_第1页
1/13
临时用电工程施工设计方案最终版_第2页
2/13
临时用电工程施工设计方案最终版_第3页
3/13
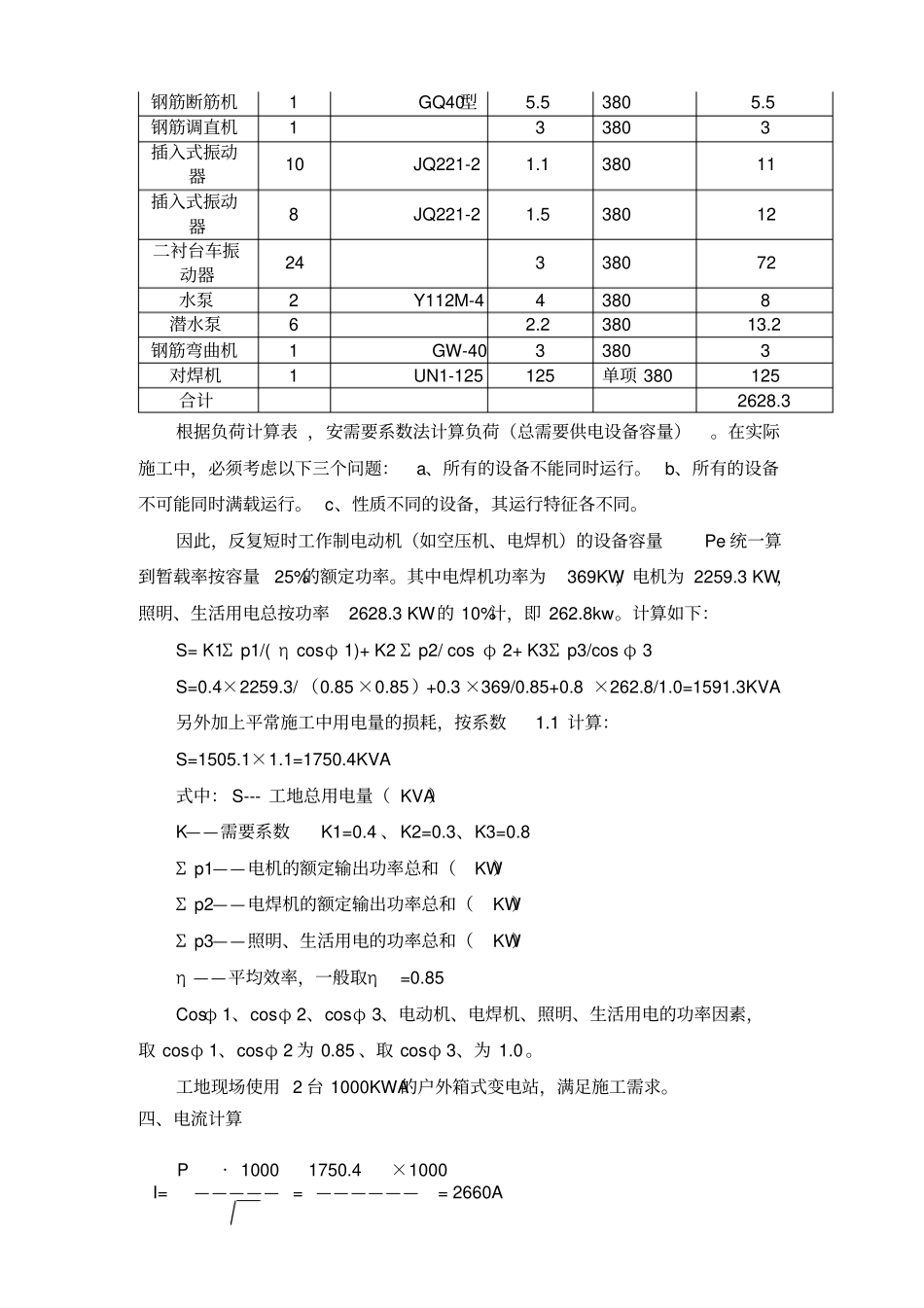
临时用电施工方案一、工程概况抢风岭隧道左线出口、右线进口段地处大同市浑源县境内,左线全长2785米(右线2785米),属特长隧道。采用双洞单向行车双车道(上下行分离)形式,由我单位施工抢风岭隧道出口段左洞ZK75+750~ZK78+535,长2785m,右洞K75+750~K78+535长2785m。隧道纵断面设计左线为1.914%的下坡,右线为0.424%的下坡。二、适用范围与目的适用于灵山高速公路第七B合同段工程施工现场及临时建筑物的安全用电控制。目的是通过该方案的实行,对施工现场及生活、照明线路进行有效的验算,有效地指导现场施工安全用电,以及将工程施工中电对人的伤害或设备财产的损失风险降至可容许的程度。三、编制依据1、《施工现场临时用电安全技术规范》(JGJ46@2005)2、《民用建筑电气设计规范》(JGJ/T16-92)3、《建筑电气工程施工质量验收规范》(GB50303一2002)4、《建筑机械使用安全技术规程》(JGJ33@2001)(J119@2001)5、《电气装置安装工程电缆线路施工及验收规范》(GB50168-92)四、负荷计算表用电设备名称数量(台)型号及名牌技术数据合计功率Pe(kw)型号功率(KW)电压(V)空压机5Y315M2-84L-25/7132380660空压机3L-20/8132380396空压机1L-3.5-20/7132380132通风机3SSF-N0103038090通风机2YOK60-A75380150砼输送泵机3HBT60C110380330砼搅拌机1PLY1000型150380150砼搅拌机2JS500型56.8380113.6砼喷浆机4ZSP-61238048砼喷浆机5838040挤压注浆泵1GHB25.53805.5挤压注浆泵1GJB25.53805.5液压注浆泵1YZB-50L/D1138011电焊机8B×1-50020单项380160电焊机7B×1-31512单项38084钢筋断筋机1GQ40型5.53805.5钢筋调直机133803插入式振动器10JQ221-21.138011插入式振动器8JQ221-21.538012二衬台车振动器24338072水泵2Y112M-443808潜水泵62.238013.2钢筋弯曲机1GW-4033803对焊机1UN1-125125单项380125合计2628.3根据负荷计算表,安需要系数法计算负荷(总需要供电设备容量)。在实际施工中,必须考虑以下三个问题:a、所有的设备不能同时运行。b、所有的设备不可能同时满载运行。c、性质不同的设备,其运行特征各不同。因此,反复短时工作制电动机(如空压机、电焊机)的设备容量Pe统一算到暂载率按容量25%的额定功率。其中电焊机功率为369KW,电机为2259.3KW,照明、生活用电总按功率2628.3KW的10%计,即262.8kw。计算如下:S=K1Σp1/(ηcosφ1)+K2Σp2/cosφ2+K3Σp3/cosφ3S=0.4×2259.3/(0.85×0.85)+0.3×369/0.85+0.8×262.8/1.0=1591.3KVA另外加上平常施工中用电量的损耗,按系数1.1计算:S=1505.1×1.1=1750.4KVA式中:S---工地总用电量(KVA)K——需要系数K1=0.4、K2=0.3、K3=0.8Σp1——电机的额定输出功率总和(KW)Σp2——电焊机的额定输出功率总和(KW)Σp3——照明、生活用电的功率总和(KW)η——平均效率,一般取η=0.85Cosφ1、cosφ2、cosφ3、电动机、电焊机、照明、生活用电的功率因素,取cosφ1、cosφ2为0.85、取cosφ3、为1.0。工地现场使用2台1000KWA的户外箱式变电站,满足施工需求。四、电流计算P·10001750.4×1000I=—————=——————=2660A3·U1.732×380总开关选用了640A×4个,640×4=3360A,大于2660A,方案可行。五、施工电路图接地与防雷(专用变压器供电时-接零保护系统示意图)-工作接地;2-线重复接地;3-电气设备金属外壳(正常不带电的外漏可导电部分);1、2、3--相线;工作零线;保护零线;总电源隔离开关;总漏电保护器(兼有短路、过线、漏电保护功能的漏电短路器);变压器接地与防雷(专用变压器供电时-接零保护系统示意图)-工作接地;2-线重复接地;3-电气设备金属外壳(正常不带电的外漏可导电部分);1、2、3--相线;—工作零线;—保护零线;总电源隔离开关;—总漏电保护器(兼有短路、过线、漏电保护功能的漏电短路器);—变压器接线系统三相220/380V接零保护系统专用变压器供电TN-S系统三相四线制电局部TN-S系统漏电保护器使用接线方法示意、、—相线;—工作接零、保护线;—工作接零;—重复接零;—变压器;RCD—漏电保护器;H—照明器;W—电焊机;M—电动机总配电箱分配电箱分配电箱开关箱开关箱开关箱开关箱用电设备用电设...

1、当您付费下载文档后,您只拥有了使用权限,并不意味着购买了版权,文档只能用于自身使用,不得用于其他商业用途(如 [转卖]进行直接盈利或[编辑后售卖]进行间接盈利)。
2、本站所有内容均由合作方或网友上传,本站不对文档的完整性、权威性及其观点立场正确性做任何保证或承诺!文档内容仅供研究参考,付费前请自行鉴别。
3、如文档内容存在违规,或者侵犯商业秘密、侵犯著作权等,请点击“违规举报”。

碎片内容

临时用电工程施工设计方案最终版

爱的疯狂+ 关注
实名认证
内容提供者

该用户很懒,什么也没介绍

确认删除?
VIP
微信客服
  • 扫码咨询
会员Q群
  • 会员专属群点击这里加入QQ群
客服邮箱
回到顶部