电脑桌面
添加小米粒文库到电脑桌面
安装后可以在桌面快捷访问

临时设施建设与施工场地围挡专项方案VIP免费

临时设施建设与施工场地围挡专项方案_第1页
1/15
临时设施建设与施工场地围挡专项方案_第2页
2/15
临时设施建设与施工场地围挡专项方案_第3页
3/15
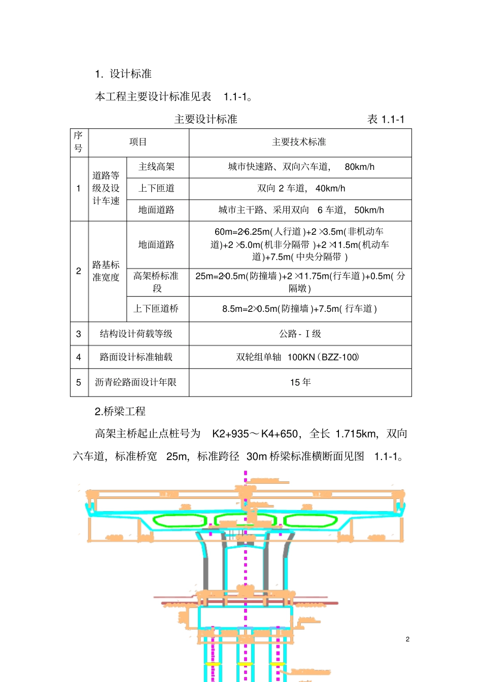
1杭州市德胜东路改造提升工程江干段03标临时设施建设及施工场地围挡施工专项方案一、编制目的及依据临时设施建设及施工场地围挡,应以尽可能的节约土地资源,确保道路畅通及交通安全,最大限度地减少对周边地区居民和企事业单位的生产、生活、出行的影响,保证工程建设顺利进行为目的。根据招标文件、施工合同及杭州市建委、质安总站关于建设工地临时设施建设、施工场地围挡的相关规定和要求,结合现场实地考察情况进行精心布置和编制。二、工程概况杭州市德胜东路(沪杭高速~文汇路)改造提升工程江干段03标西起久福路,沿现状德胜东路向东,至胜稼路以东(与东湖立交相接处),采用“高架+地面”的形式。地面道路、高架桩号范围为K2+935~K4+650,全长1.715km(含九堡六号河桥),包括久福路东侧一对高架上下匝道和胜东路西侧一高架上下匝道等。本工程合同工期:400日历天。参建单位建设单位:杭州市七格污水处理厂工程建设指挥部监督单位:杭州市建设工程质量安全监督总站设计单位:上海市政工程设计研究总院(集团)有限公司监理单位:浙江天成项目管理有限公司勘察单位:杭州市勘测设计研究院施工单位:腾达建设集团股份有限公司21.设计标准本工程主要设计标准见表1.1-1。主要设计标准表1.1-1序号项目主要技术标准1道路等级及设计车速主线高架城市快速路、双向六车道,80km/h上下匝道双向2车道,40km/h地面道路城市主干路、采用双向6车道,50km/h2路基标准宽度地面道路60m=2×6.25m(人行道)+2×3.5m(非机动车道)+2×5.0m(机非分隔带)+2×11.5m(机动车道)+7.5m(中央分隔带)高架桥标准段25m=2×0.5m(防撞墙)+2×11.75m(行车道)+0.5m(分隔墩)上下匝道桥8.5m=2×0.5m(防撞墙)+7.5m(行车道)3结构设计荷载等级公路-Ⅰ级4路面设计标准轴载双轮组单轴100KN(BZZ-100)5沥青砼路面设计年限15年2.桥梁工程高架主桥起止点桩号为K2+935~K4+650,全长1.715km,双向六车道,标准桥宽25m,标准跨径30m桥梁标准横断面见图1.1-1。3图1.1-1桥梁标准横断面图主线高架桥梁采用3~4跨一联的预应力砼连续梁,箱梁采用大挑臂斜腹板断面,单箱三室,标准跨径30m,梁高2m,顶、底横坡2%,最大跨径50m,支点局部加高至3.0m。;匝道桥采用2~4跨一联的预应力砼连续梁,箱梁采用弧形斜腹板断面,标准跨径30m,梁高1.7m,顶、底横坡2%。主线桥墩采用双柱弧形墩,匝道桥墩采用独柱弧形墩,横向、纵向墩顶微展,桩基采用1.0m、1.2m、1.5m钻孔灌注桩,持力层为中等风化钙质石英粉砂岩,每根桩进行桩底注浆。本标段主线共二十联,其中四联为单跨叠合梁。高架桥在pm071墩~pm072墩(跨久福路)、pm085墩~pm086墩(跨久盛路)、pm98墩~pm99墩(跨胜稼路)部结构采用一跨55m的钢-砼叠合梁,在pm120墩~pm121墩(跨地铁1号线)上部结构采用一跨40m的钢-砼叠合梁。叠合梁整幅宽度25米,全幅有5个箱室,底板宽度为2.5m,底板平坡,每个箱室的叠合梁钢梁由U型主梁、横隔板及加劲肋组成,钢梁上翼缘及顶面设置剪力键与砼桥面板连为整体,钢主梁梁高2.7m。钢筋砼桥面板为现场浇筑,桥面板全宽为23.9m,砼板厚为0.27m。本标段有一条现状河道,即九堡六号河,为非通航河道,已建设一座地面桥梁,结构形式为一跨空心板+重力式桥台结构。跨径为10米。根据地面道路总体布置,该地面桥不作拼宽,上部结构(包括桥面系)拆除重建。保留下部结构,重新预制上部的C40砼梁板,重新浇筑桥面系。桥面铺装结构为7CM沥青砼+防水层+8cmC50钢筋砼。3.道路工程4地面道路起止桩号为K2+935~K4+650,全长1715m,同高架桥梁桩号相同。快速路地面道路施工需拆除原德胜东路路面结构层至土路基,重新铺筑路面结构层,侧石采用高湖石,平石采用芝麻青花岗岩材质,人行道板采用仿石条纹砖材质;路桥衔接段地基深层处理采用钉型双向水泥搅拌桩、PHC预制管桩处理;匝道落地桥台后设置悬臂式钢筋砼L型挡土墙。路面结构布置见图1.1-2,标准横断面见图1.1-3,路面结构见表1.1-2。图1.1-2路面结构图图1.1-3道路标准横断面图表1.1-2项目路面结构总厚度高架桥道路4cmSMA-13沥青玛蹄脂碎石(SBS改性沥青)+6cmAC-20C中粒式沥青砼(SBS改性沥青)+0.2cm桥面防水层+8cmC4...

1、当您付费下载文档后,您只拥有了使用权限,并不意味着购买了版权,文档只能用于自身使用,不得用于其他商业用途(如 [转卖]进行直接盈利或[编辑后售卖]进行间接盈利)。
2、本站所有内容均由合作方或网友上传,本站不对文档的完整性、权威性及其观点立场正确性做任何保证或承诺!文档内容仅供研究参考,付费前请自行鉴别。
3、如文档内容存在违规,或者侵犯商业秘密、侵犯著作权等,请点击“违规举报”。

碎片内容

临时设施建设与施工场地围挡专项方案

确认删除?
VIP
微信客服
  • 扫码咨询
会员Q群
  • 会员专属群点击这里加入QQ群
客服邮箱
回到顶部