电脑桌面
添加小米粒文库到电脑桌面
安装后可以在桌面快捷访问

三、常见气体的实验室制备VIP免费

三、常见气体的实验室制备_第1页
1/6
三、常见气体的实验室制备_第2页
2/6
三、常见气体的实验室制备_第3页
3/6
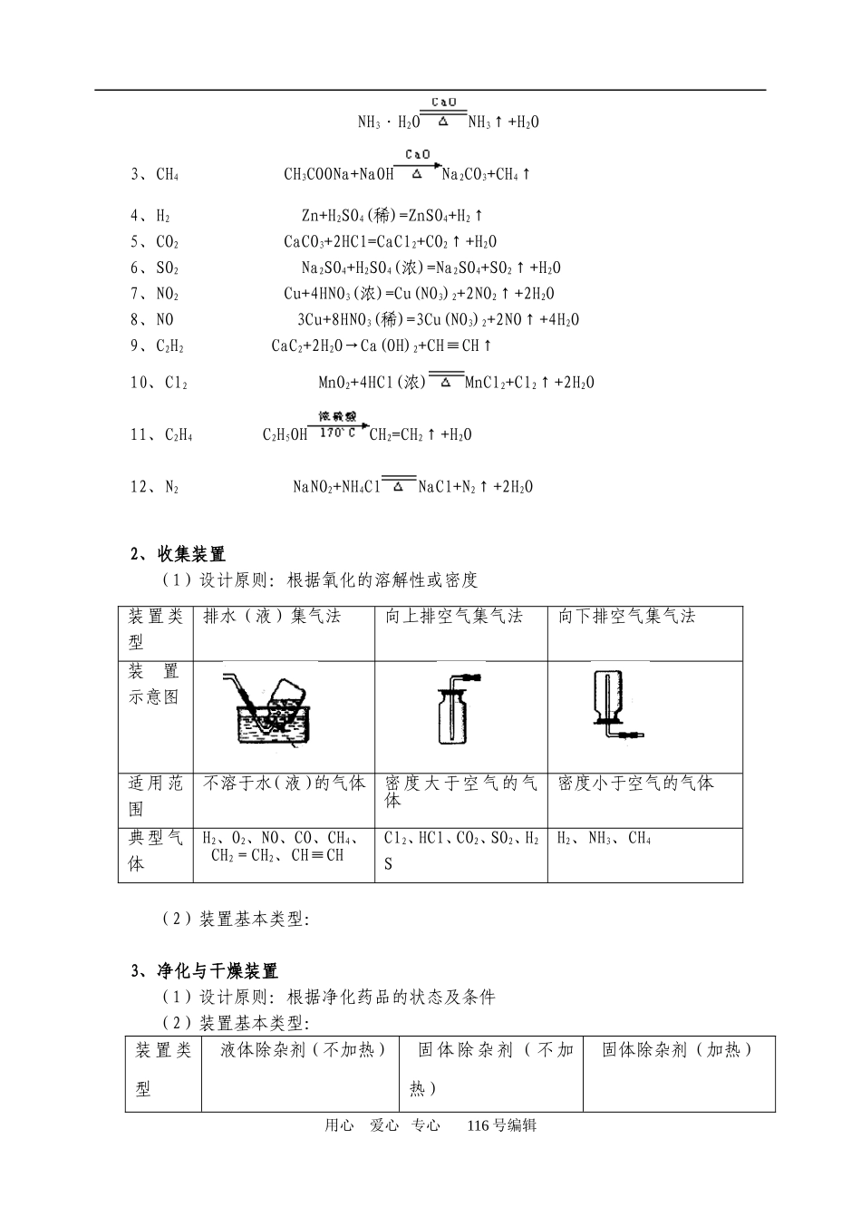
三、常见气体的实验室制备1、气体发生装置的类型(1)设计原则:根据反应原理、反应物状态和反应所需条件等因素来选择反应装置。(2)装置基本类型:装置类型固体反应物(加热)固液反应物(不加热)固液反应物(加热)装置示意图主要仪器典型气体O2、NH3、CH4等H2、CO2、H2S等。Cl2、HCl、CH2=CH2等操作要点(l)试管口应稍向下倾斜,以防止产生的水蒸气在管口冷凝后倒流而引起试管破裂。(2)铁夹应夹在距试管口l/3处。(3)胶塞上的导管伸入试管里面不能太长,否则会妨碍气体的导出。(1)在用简易装置时,如用长颈漏斗,漏斗颈的下口应伸入液面以下,否则起不到液封的作用;(2)加入的液体反应物(如酸)要适当。(3)块状固体与液体的混合物在常温下反应制备气体可用启普发生器制备。(1)先把固体药品加入烧瓶,然后加入液体药品。(2)要正确使用分液漏斗。几种气体制备的反应原理1、O22KClO32KCl+3O2↑2KMnO4K2MnO4+MnO2+O2↑2H2O22H2O+O2↑2、NH32NH4Cl+Ca(OH)2CaCl2+2NH3↑+2H2O用心爱心专心116号编辑NH3·H2ONH3↑+H2O3、CH4CH3COONa+NaOHNa2CO3+CH4↑4、H2Zn+H2SO4(稀)=ZnSO4+H2↑5、CO2CaCO3+2HCl=CaCl2+CO2↑+H2O6、SO2Na2SO4+H2SO4(浓)=Na2SO4+SO2↑+H2O7、NO2Cu+4HNO3(浓)=Cu(NO3)2+2NO2↑+2H2O8、NO3Cu+8HNO3(稀)=3Cu(NO3)2+2NO↑+4H2O9、C2H2CaC2+2H2O→Ca(OH)2+CH≡CH↑10、Cl2MnO2+4HCl(浓)MnCl2+Cl2↑+2H2O11、C2H4C2H5OHCH2=CH2↑+H2O12、N2NaNO2+NH4ClNaCl+N2↑+2H2O2、收集装置(1)设计原则:根据氧化的溶解性或密度(2)装置基本类型:3、净化与干燥装置(1)设计原则:根据净化药品的状态及条件(2)装置基本类型:装置类型液体除杂剂(不加热)固体除杂剂(不加热)固体除杂剂(加热)用心爱心专心116号编辑装置类型排水(液)集气法向上排空气集气法向下排空气集气法装置示意图适用范围不溶于水(液)的气体密度大于空气的气体密度小于空气的气体典型气体H2、O2、NO、CO、CH4、CH2=CH2、CH≡CHCl2、HCl、CO2、SO2、H2SH2、NH3、CH4适用范围装置示意图(3)气体的净化剂的选择选择气体吸收剂应根据气体的性质和杂质的性质而确定,所选用的吸收剂只能吸收气体中的杂质,而不能与被提纯的气体反应。一般情况下:①易溶于水的气体杂质可用水来吸收;②酸性杂质可用碱性物质吸收;③碱性杂质可用酸性物质吸收;④水分可用干燥剂来吸收;⑤能与杂质反应生成沉淀(或可溶物)的物质也可作为吸收剂。(4)气体干燥剂的类型及选择常用的气体干燥剂按酸碱性可分为三类:①酸性干燥剂,如浓硫酸、五氧化二磷、硅胶。酸性干燥剂能够干燥显酸性或中性的气体,如CO2、SO2、NO2、HCI、H2、Cl2、O2、CH4等气体。②碱性干燥剂,如生石灰、碱石灰、固体NaOH。碱性干燥剂可以用来干燥显碱性或中性的气体,如NH3、H2、O2、CH4等气体。③中性干燥剂,如无水氯化钙等,可以干燥中性、酸性、碱性气体,如O2、H2、CH4等。在选用干燥剂时,显碱性的气体不能选用酸性干燥剂,显酸性的气体不能选用碱性干燥剂。有还原性的气体不能选用有氧化性的干燥剂。能与气体反应的物质不能选作干燥剂,如不能用CaCI2来干燥NH3(因生成CaCl2·8NH3),不能用浓H2SO4干燥NH3、H2S、HBr、HI等。气体净化与干燥注意事项一般情况下,若采用溶液作除杂试剂,则是先除杂后干燥;若采用加热除去杂质,则是先干燥后加热。对于有毒、有害的气体尾气必须用适当的溶液加以吸收(或点燃),使它们变为无毒、无害、无污染的物质。如尾气Cl2、SO2、Br2(蒸气)等可用NaOH溶液吸收;尾气H2S可用CuSO4或NaOH溶液吸收;尾气CO可用点燃法,将它转化为CO2气体。4、气体实验装置的设计(1)装置顺序:制气装置→净化装置→反应或收集装置→除尾气装置(2)安装顺序:由下向上,由左向右(3)操作顺序:装配仪器→检验气密性→加入药品用心爱心专心116号编辑典型例题[例1]下列反应适用于实验室制氢气的是()。①锌与稀硫酸反应②甲烷热分解③电解稀硫酸④赤热的炭与水蒸气反应A.只有①B.①②C.①③D.①②④(1994年全国高考题)分析与解答:实验室里制备气体要操作简单,容易分离,经济实惠,切实可行。甲烷在高...

1、当您付费下载文档后,您只拥有了使用权限,并不意味着购买了版权,文档只能用于自身使用,不得用于其他商业用途(如 [转卖]进行直接盈利或[编辑后售卖]进行间接盈利)。
2、本站所有内容均由合作方或网友上传,本站不对文档的完整性、权威性及其观点立场正确性做任何保证或承诺!文档内容仅供研究参考,付费前请自行鉴别。
3、如文档内容存在违规,或者侵犯商业秘密、侵犯著作权等,请点击“违规举报”。

碎片内容

三、常见气体的实验室制备

您可能关注的文档

状元书店+ 关注
实名认证
内容提供者

热爱教学事业,对互联网知识分享很感兴趣

确认删除?
VIP
微信客服
  • 扫码咨询
会员Q群
  • 会员专属群点击这里加入QQ群
客服邮箱
回到顶部