电脑桌面
添加小米粒文库到电脑桌面
安装后可以在桌面快捷访问

九年级物理电路测试题VIP免费

九年级物理电路测试题_第1页
1/5
九年级物理电路测试题_第2页
2/5
九年级物理电路测试题_第3页
3/5
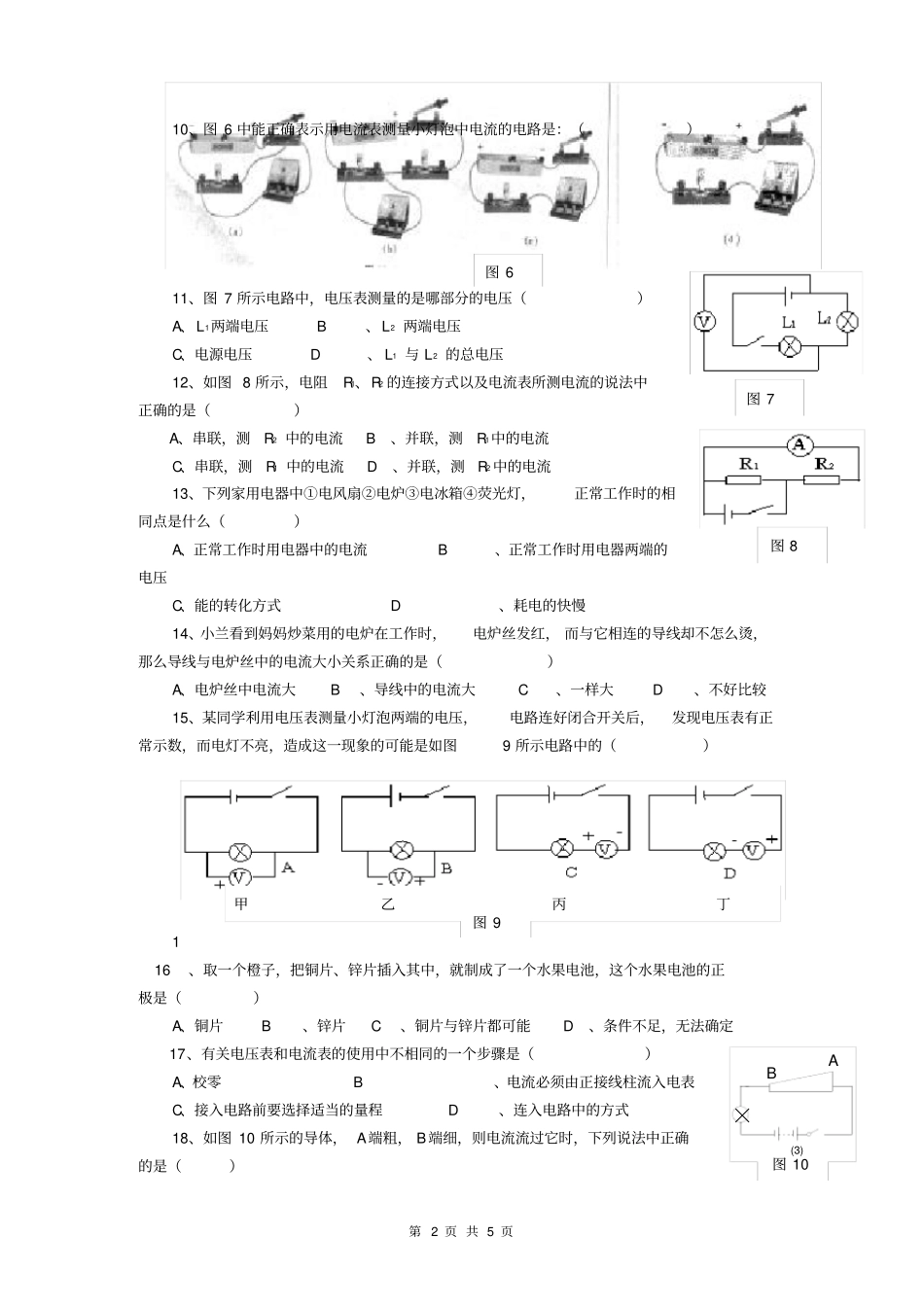
第1页共5页九年级物理电路初探测试题一、填空题1.随着人们物质生活水平的不断提高,家用电器已经越来越多地进入家庭生活之中。在家用电器中有很大一部分是将电能转化为内能的,请举三例说明:如:电饭煲、、、。2.如图1所示电路,要使灯L1、L2组成串联电路,应闭合开关;要使L1、L2组成并联电路应闭合开关,同时闭合是绝对不允许的。3.完成单位换算:150μA=mA=A220V=KV=mV4.为了增加节日的气氛,商店门前的节日彩灯中每一串有35只,接入家庭电路中使用,这35只彩灯应该是(串/并)联的,所以每只灯泡两端的电压应为伏。5.小明在探究并联电路中的电流时,在如图2乙所示电路中,当用电流表正确测量图中A、B两点处的电流时,小明发现电流表的指针均如图2甲所示,因而他得出并联电路中干路(>、<或=)支路电流,这一结论是(正确/错误)的,形成这种结论的原因是;你能由此得出C点处的电流IC=A。6.如图3所示,设电压表、、的示数分别为U1、U2、U3,当U1=3V,U2=4.6V,则U3=V,当U1=30V,U3=46V时,U2=。7、如图4所示,当S接a,S1闭合时,电路中亮,它们是联的,电流表测中的电流,当S接b,S1断开时灯亮,此时电流表示数为0.5A,则通过L1、L2、L3的电流分别为、、。8、在图5所示电路中,电源是由4节新的铅蓄电池串联组成,当开关S闭合后,两只电流表示数分别为1.2A和0.8A,那么L1灯的电流I1=,L2灯的电流I2=,电压表示数为,L1灯两端电压U1=,L2灯两端U2=。二、选择题9、陈宇同学发现教室里一共有九盏日光灯,分别由3个开关控制,即一只开关同时控制3盏日光灯,这三盏日光灯的连接方式是:()A、串联B、并联C、可能串联D、一定串联V1V2V3图1V3V1V2图3图2乙甲A1L1S2L3LabS图4AVALL图5第2页共5页10、图6中能正确表示用电流表测量小灯泡中电流的电路是:()11、图7所示电路中,电压表测量的是哪部分的电压()A、L1两端电压B、L2两端电压C、电源电压D、L1与L2的总电压12、如图8所示,电阻R1、R2的连接方式以及电流表所测电流的说法中正确的是()A、串联,测R2中的电流B、并联,测R1中的电流C、串联,测R1中的电流D、并联,测R2中的电流13、下列家用电器中①电风扇②电炉③电冰箱④荧光灯,正常工作时的相同点是什么()A、正常工作时用电器中的电流B、正常工作时用电器两端的电压C、能的转化方式D、耗电的快慢14、小兰看到妈妈炒菜用的电炉在工作时,电炉丝发红,而与它相连的导线却不怎么烫,那么导线与电炉丝中的电流大小关系正确的是()A、电炉丝中电流大B、导线中的电流大C、一样大D、不好比较15、某同学利用电压表测量小灯泡两端的电压,电路连好闭合开关后,发现电压表有正常示数,而电灯不亮,造成这一现象的可能是如图9所示电路中的()116、取一个橙子,把铜片、锌片插入其中,就制成了一个水果电池,这个水果电池的正极是()A、铜片B、锌片C、铜片与锌片都可能D、条件不足,无法确定17、有关电压表和电流表的使用中不相同的一个步骤是()A、校零B、电流必须由正接线柱流入电表C、接入电路前要选择适当的量程D、连入电路中的方式18、如图10所示的导体,A端粗,B端细,则电流流过它时,下列说法中正确的是()图6图7图8×(3)BA图10甲乙丙丁图9第3页共5页A、从A到B,电流逐渐增大B、从A到B,电流逐渐减小C、从A到B,电流大小不变D、无法比较AB两端电流的大小19、如图11所示,L1、L2、L3为三个完全相同的小灯泡,通电后,电流表A1、A2、A3的示数分别是I1、I2、I3,则下列关系中错误的是()A、I1=I2=I3B、I1>I2>I3C、I1=I2+I3D、I1≠I2≠I320、如图12所示电流表刻度盘示数已磨损一部分,若实验时所接的接线柱为“+”和“0.6”,那么,所测电流的实际值为()A、0.17AB、0.34AC、170mAD、0.34mA三、作图题21、请根据如图13(a)所示电路图,将图(b)的实物元件连接起来.22、请用笔画线代替导线,将图14中的两个灯泡连成并联电路,图中A、B、C、D为4个接线柱。23、如图15所示实物图中有一处连接错误,请将错误的导线上打叉,使开关为电路的总开关,并在右边虚线框中画出电路图。(4)A1A2A3××2LL3L1×图110123A图12图13图14图15第4页共5页四、实验题24、根据图16所示的电...

1、当您付费下载文档后,您只拥有了使用权限,并不意味着购买了版权,文档只能用于自身使用,不得用于其他商业用途(如 [转卖]进行直接盈利或[编辑后售卖]进行间接盈利)。
2、本站所有内容均由合作方或网友上传,本站不对文档的完整性、权威性及其观点立场正确性做任何保证或承诺!文档内容仅供研究参考,付费前请自行鉴别。
3、如文档内容存在违规,或者侵犯商业秘密、侵犯著作权等,请点击“违规举报”。

碎片内容

九年级物理电路测试题

文库当当响+ 关注
实名认证
内容提供者

该用户很懒,什么也没介绍

相关文档

确认删除?
VIP
微信客服
  • 扫码咨询
会员Q群
  • 会员专属群点击这里加入QQ群
客服邮箱
回到顶部