电脑桌面
添加小米粒文库到电脑桌面
安装后可以在桌面快捷访问

九物理液体的压强VIP免费

九物理液体的压强_第1页
1/4
九物理液体的压强_第2页
2/4
九物理液体的压强_第3页
3/4
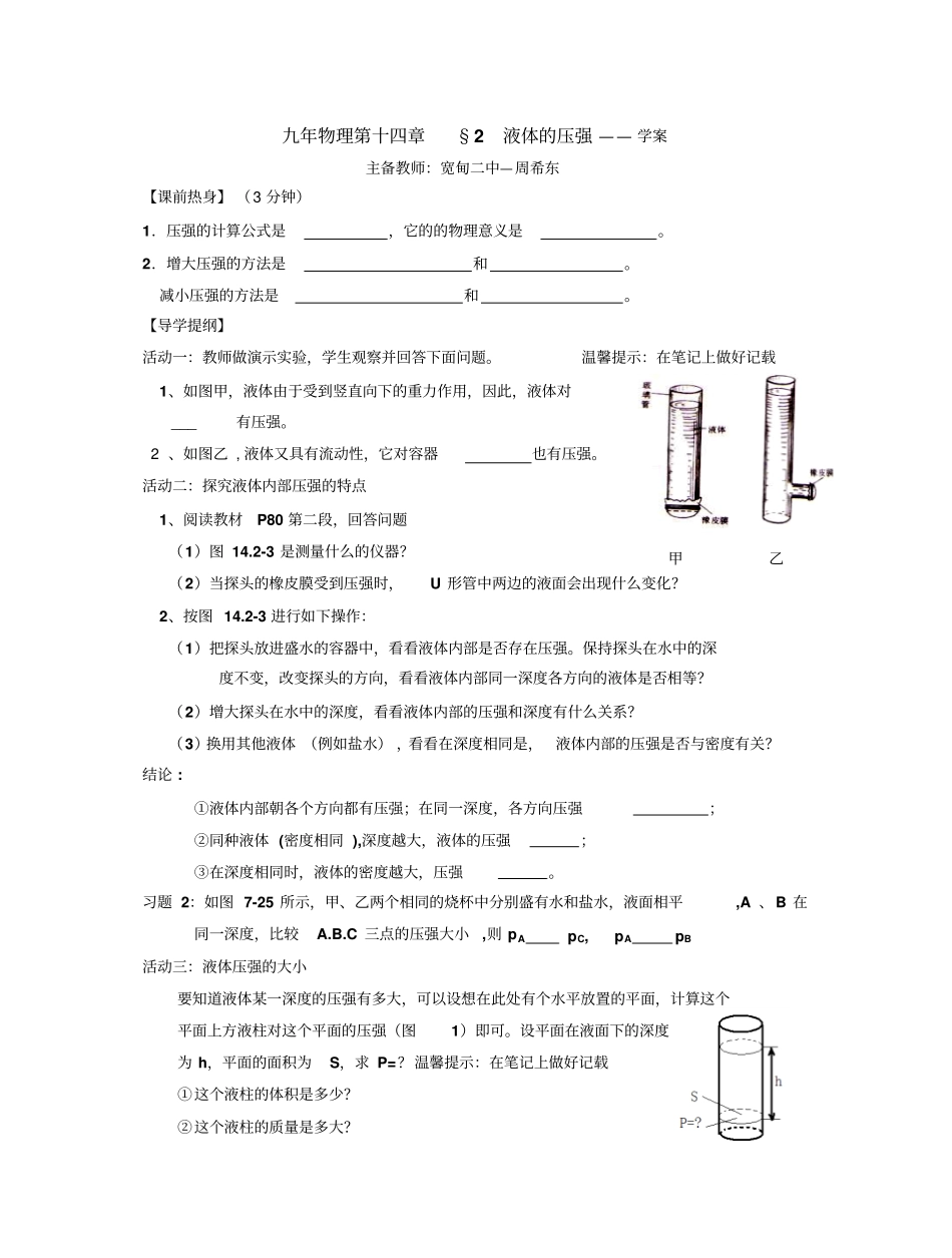
九年物理第十四章§2液体的压强——学案主备教师:宽甸二中—周希东【课前热身】(3分钟)1.压强的计算公式是,它的的物理意义是。2.增大压强的方法是和。减小压强的方法是和。【导学提纲】活动一:教师做演示实验,学生观察并回答下面问题。温馨提示:在笔记上做好记载1、如图甲,液体由于受到竖直向下的重力作用,因此,液体对___有压强。2、如图乙,液体又具有流动性,它对容器也有压强。活动二:探究液体内部压强的特点1、阅读教材P80第二段,回答问题(1)图14.2-3是测量什么的仪器?(2)当探头的橡皮膜受到压强时,U形管中两边的液面会出现什么变化?2、按图14.2-3进行如下操作:(1)把探头放进盛水的容器中,看看液体内部是否存在压强。保持探头在水中的深度不变,改变探头的方向,看看液体内部同一深度各方向的液体是否相等?(2)增大探头在水中的深度,看看液体内部的压强和深度有什么关系?(3)换用其他液体(例如盐水),看看在深度相同是,液体内部的压强是否与密度有关?结论:①液体内部朝各个方向都有压强;在同一深度,各方向压强;②同种液体(密度相同),深度越大,液体的压强;③在深度相同时,液体的密度越大,压强。习题2:如图7-25所示,甲、乙两个相同的烧杯中分别盛有水和盐水,液面相平,A、B在同一深度,比较A.B.C三点的压强大小,则pApC,pApB活动三:液体压强的大小要知道液体某一深度的压强有多大,可以设想在此处有个水平放置的平面,计算这个平面上方液柱对这个平面的压强(图1)即可。设平面在液面下的深度为h,平面的面积为S,求P=?温馨提示:在笔记上做好记载①这个液柱的体积是多少?②这个液柱的质量是多大?甲乙图2图3图4③这个液柱有多重?对平面的压力是多少?④平面受到的压强是多少?因此,计算或判断液体的压强可用公式。习题3:如图2中,一个圆台形容器装了一定质量的水,求A点处水的压强是多大?(ρ水=1.0×103kg/m3,g=l0N/kg)活动四:阅读教材P83页最后一自然段,完成下列问题。温馨提示:在笔记上做好记载1、什么样的容器是连通器?举两个实例2、连通器有什么特点?【达标测评】(测试时间:8分钟,试题满分:10分)1.在图3中,处小孔喷出水的距离最远,说明液体对有压强。深度越_____,液体的压强越。2.往装有水的容器内放入一木球,水没有溢出,此时水对容器的压力、压强与放入木球前比较为:()A、压力、压强都不变,B、压力、压强都变大C、压力不变,压强增大D、压力增大,压强不变3.如图4所示,容器内A,B,C,D,四处所受液体压强相比较()A.PA>PB>PC>PDB.PD>PB=PC>PAC.PB=PC>PD>PAD.PC=PB>PA>PD4.如图5所示,盛有水的试管从竖直位置逐渐倾斜时(水不溢出),水对试管底部的压强将()A.不变B.变大C.变小D.无法判断5.如图6所示,甲、乙两个相同的烧杯中分别盛有水和盐水,液面相平,A、B在同一深度,比较A.B.C三点的压强大小,则pApC,pApB【中考连接】1.(2010.营口)如图7所示,容器中盛满水,那么容器壁AB所受水的压强是()A.0B.ρ水gh1C.ρ水gh2D.ρ水g(h1+h2)2.(2008.昆明)如图8所示,装满水的密闭容器置于水平桌面上,其上下底面积之比是4:1,此时水容器底部的压力为F,压强为p.当把图1图5图7图6容器倒置后放到水平桌面上,水对容器底部的压力和压强分别为()A.F,pB.4F,pC.1/4F,pD.F,4p3.(2009.绵阳)长江三峡大坝上下游水位差最高可达113m,上游的船要在船闸中经过5个闸室使船体逐渐降低,每个闸室水位变化二十多米,因而三峡船闸的闸门非常大。其首级人字闸门每扇高39.5m,宽20.2m。倘若门外的水位高30m,则这扇闸门所受水的最大压强是Pa,已知闸门所受水的平均压强是最大压强的一半,则这扇闸门所受水的压力是N.(g=10N/kg)4.(2010.长春)一个游泳池水深2m,池底收到水的压强是Pa;当向游泳池中继续注水时,随着水面的升高池底所受到水的压强将。(g=10N/kg).5.(2010.盘锦)如图9所示,学习完液体压强知识后,小虎找来了一个空塑料瓶做实验。他先在a、b、c三处各开了一个小孔,在瓶内装满水,发现a、b、c三处都有水流出,则说明了;并且c处水流速最快,这又说明。为了加快小孔处水的流速,他将水瓶向上举起...

1、当您付费下载文档后,您只拥有了使用权限,并不意味着购买了版权,文档只能用于自身使用,不得用于其他商业用途(如 [转卖]进行直接盈利或[编辑后售卖]进行间接盈利)。
2、本站所有内容均由合作方或网友上传,本站不对文档的完整性、权威性及其观点立场正确性做任何保证或承诺!文档内容仅供研究参考,付费前请自行鉴别。
3、如文档内容存在违规,或者侵犯商业秘密、侵犯著作权等,请点击“违规举报”。

碎片内容

九物理液体的压强

爱的疯狂+ 关注
实名认证
内容提供者

该用户很懒,什么也没介绍

相关文档

确认删除?
VIP
微信客服
  • 扫码咨询
会员Q群
  • 会员专属群点击这里加入QQ群
客服邮箱
回到顶部