电脑桌面
添加小米粒文库到电脑桌面
安装后可以在桌面快捷访问

初中升学考试综合试卷物理部分人教版 试题VIP免费

初中升学考试综合试卷物理部分人教版 试题_第1页
1/9
初中升学考试综合试卷物理部分人教版 试题_第2页
2/9
初中升学考试综合试卷物理部分人教版 试题_第3页
3/9
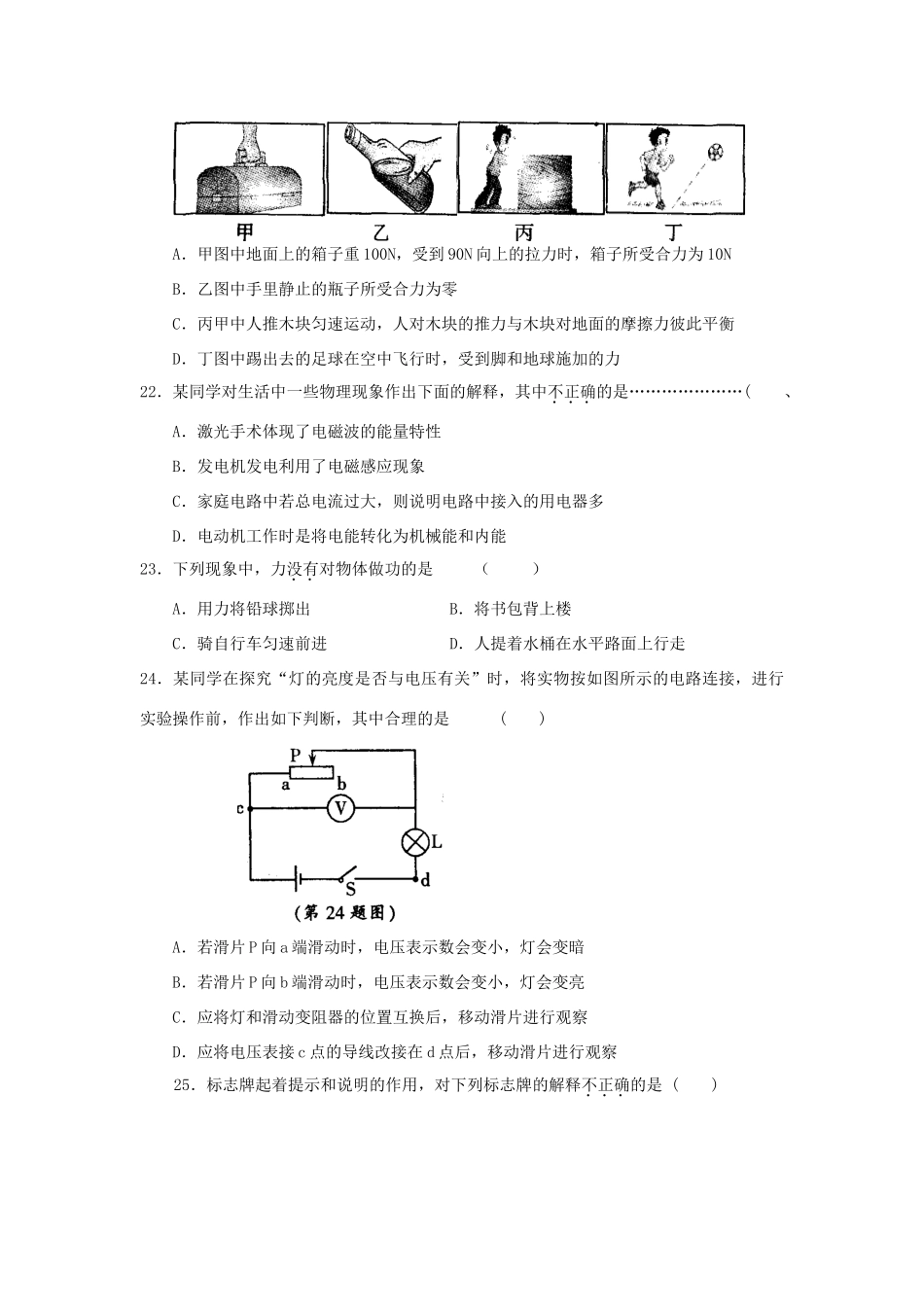
黑龙江省哈尔滨市2007年初中升学考试综合试卷(物理部分)(共80分)一、单项选择题(每题2分,计26分)16.某同学对一些物理量进行估测,其中最接近实际的是()A.两个小鸡蛋重约10NB.冬季我市最低气温约-10℃C.物理课本的宽度约18cmD.电磁波在真空中传播速度约为340m/s17.下列生活实例中属于增大压强的是()A.甲图中滑雪运动员穿滑雪板B.乙图中铁路的钢轨下面放着一根根轨枕C.丙图中箭的前端制作得很尖D.丁图中沙漠里的越野车装有宽大的轮子18.某同学使用手电筒时发现小灯泡不亮,在进行检修前,他对造成该现象的直接原因进行了以下几种判断,其中不可能的是()A.小灯泡灯丝断了B.电池两端电压过低C.小灯泡接触不良D.开关处出现短路19.在研究物质结构时引入了“原子”的概念;在研究磁现象时,引入了“磁感线”的概念;在研究机械运动时,引入了“参照物”的概念;在研究电荷的定向移动时,引入了“电流”的概念。其中是根据客观事实假想,但实际上并不存在的是()A.原子B.磁感线C.参照物D.电流20.下列叙述中正确的是()A.固体很难被压缩,是因为分子间存在斥力B.看上去晶莹剔透的玻璃是晶体C.当燃料没有完全燃烧时,其热值较小D.热机是通过燃料燃烧获取化学能并转化为机械能的装置21.某同学对下列物体进行了受力分析,其中正确的是()A.甲图中地面上的箱子重100N,受到90N向上的拉力时,箱子所受合力为10NB.乙图中手里静止的瓶子所受合力为零C.丙甲中人推木块匀速运动,人对木块的推力与木块对地面的摩擦力彼此平衡D.丁图中踢出去的足球在空中飞行时,受到脚和地球施加的力22.某同学对生活中一些物理现象作出下面的解释,其中不正确的是…………………(、A.激光手术体现了电磁波的能量特性B.发电机发电利用了电磁感应现象C.家庭电路中若总电流过大,则说明电路中接入的用电器多D.电动机工作时是将电能转化为机械能和内能23.下列现象中,力没有对物体做功的是()A.用力将铅球掷出B.将书包背上楼C.骑自行车匀速前进D.人提着水桶在水平路面上行走24.某同学在探究“灯的亮度是否与电压有关”时,将实物按如图所示的电路连接,进行实验操作前,作出如下判断,其中合理的是()A.若滑片P向a端滑动时,电压表示数会变小,灯会变暗B.若滑片P向b端滑动时,电压表示数会变小,灯会变亮C.应将灯和滑动变阻器的位置互换后,移动滑片进行观察D.应将电压表接c点的导线改接在d点后,移动滑片进行观察25.标志牌起着提示和说明的作用,对下列标志牌的解释不正确的是()A.甲图为限重标志牌,其含义是通过此路段车总重不得超过1.96105NB.乙图为限速标志牌,其含义是通过此路段车速不得超过50m/sC.丙图为我国的节能标志牌,提示公民要有节能意识D.丁图为消防安全标志牌,提示此处禁止吸烟26.哈尔滨是一座季节特征分明的城市,雨、雪、雾、霜是自然界描绘的一幅幅壮丽景象,以下分析正确的是()A.春天的雨是熔化现象,形成过程需要放热B.夏天的雾是液化现象,形成过程需要放热C.秋天的霜是凝固现象,形成过程需要吸热D.冬天的雪是汽化现象,形成过程需要吸热27.如图所示,用手拿凸透镜远离书的过程中,通过凸透镜不可能观察到的像是()A.正立放大的像B.正立缩小的像C.倒立放大的像D.倒立缩小的像。28.完全燃烧42g焦炭所放出的热量,若有50%被2kg、30%的水吸收,则水温可升高[c水=4.2103J/(kg·℃)、q焦炭=3.0107J/kg、此时外界为标准大气压]()A.70℃B.75℃C.100℃D.105℃二、非选择题(29—45题,共计44分)(29—38题,每题2分,35题空2分,其余每空1分)29.(2分)如图所示,用于维修汽车的千斤顶利用了__________技术,可以达到_________目的。30.(2分)哈夏音乐会上,优美的琴声是来自于琴弦的_________,根据_________可以听出还有什么乐器在演奏。31.(2分)如图所示,是我国空中加油机正在给歼击机加油的情景,加油机在某一高度匀速飞行,为保证安全,歼击机相对于加油机应处于_________状态,在此过程中,歼击机的动能将_________。(选填“不变”、“增大”或“减小”)32.(2分)如图所示茶壶的容积为600ml,用它最多可装水_______...

1、当您付费下载文档后,您只拥有了使用权限,并不意味着购买了版权,文档只能用于自身使用,不得用于其他商业用途(如 [转卖]进行直接盈利或[编辑后售卖]进行间接盈利)。
2、本站所有内容均由合作方或网友上传,本站不对文档的完整性、权威性及其观点立场正确性做任何保证或承诺!文档内容仅供研究参考,付费前请自行鉴别。
3、如文档内容存在违规,或者侵犯商业秘密、侵犯著作权等,请点击“违规举报”。

碎片内容

初中升学考试综合试卷物理部分人教版 试题

您可能关注的文档

海博书城+ 关注
实名认证
内容提供者

从事历史教学,热爱教育,高度负责。

相关文档

确认删除?
VIP
微信客服
  • 扫码咨询
会员Q群
  • 会员专属群点击这里加入QQ群
客服邮箱
回到顶部