电脑桌面
添加小米粒文库到电脑桌面
安装后可以在桌面快捷访问

九年级物理 (多彩物质世界)单元训练 人教新课标版试卷VIP免费

九年级物理 (多彩物质世界)单元训练 人教新课标版试卷_第1页
1/4
九年级物理 (多彩物质世界)单元训练 人教新课标版试卷_第2页
2/4
九年级物理 (多彩物质世界)单元训练 人教新课标版试卷_第3页
3/4
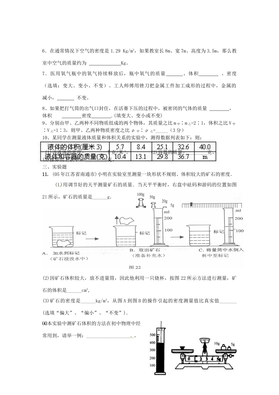
人教版九年级物理《多彩物质世界》单元训练班级姓名小组评价一、选择题1.自从汤姆逊发现了电子,人们开始研究原子内部结构.科学家提出了许多原子结构的模型,在二十世纪上半叶,由卢瑟福提出的、最为大家接受的原于结构模型与图1哪个图最相似?()2.下列物体中,质量为50kg的物体可能是()A.一头大象B.一只鸡C.一个人D.一只蚂蚁()3.1m3的冰和1m3的水相比较A.冰和水的体积相同,水比冰的质量大B.冰的体积跟它全部溶化成水后的体积相同C.水全部结成冰后,与1m3冰的质量相同D.冰的密度比水小,冰的质量比水大4.关于物体的质量和物质的密度,下列说法中正确的是()A.一块冰全部溶化成水后,质量变小,密度不变B.把铜块碾成铜片,质量和密度均不变C.宇航员在太空处于失重状态,故质量和密度均为零D.把铁球加热,质量变大,密度变小5.有一位同学用天平称一块矿石的质量,把天平调好后错把矿石放在右盘,在左盘放50g、20g砝码各一个,又把游码拨至标尺4g处,达到平衡,这块矿石的质量应该是()A.74gB.70gC.66gD.78g6.100g水全部变成水蒸气后,则()A.质量变小,密度也变小B.质量不变,密度也不变C.质量变小,密度不变D.质量不变,密度变小7、密度是物质的一种特性,关于物质的密度,下列说法中错误的是()A、不管质量如何变化,物质的密度不变B、不管体积如何变化,物质的密度不变C、不管温度如何变化,物质的密度不变D、不管物体运动与否,物质的密度不变8、两个同种材料制成的物体,它们的体积之比是3∶1,则这两个物体的密度之比是()A、1∶1B、1∶3C、3∶1D、9∶19、一个瓶子能装1千克的水,用这个瓶子装煤油(ρ煤油=0.8×103千克/米3)时,至多能装A、0.8千克B、1千克C、1.25千克D、0.64千克()10、有四个容量都为500毫升的瓶子,分别装满海水、纯水、酒精和汽油,那么装的质量最多的A、海水B、纯水C、酒精D、汽油()11、一个质量为0.3千克的水壶,装满水后总质量为0.8千克,装满另一种液体时总质量为0.7千克,则这种液体的密度是()A、1.4×103千克/米3B、0.875×103千克/米3C、0.8千克/米3D、0.8×103千克/米312、在三个完全相同的容器里,放有等量的水,分别将铝、铁、铅三块金属放入容器后,水面上升的高度相同,设铝、铁、铅三块金属的质量分别为m1、m2、m3,则()A、m1>m2>m3B、m1<m2<m3C、m1>m2<m3D、m1<m2>m313、有一瓶食用油用掉一半,则剩下的半瓶油()A.密度变为原来的一半B.质量变为原来的一半C.质量不变D.质量、密度都变为原来的一半15、体积为450cm3的水结成冰(ρ冰=0.9×103kg/m3),则冰的体积为()A.400cm3B.450cm3C.550cm3D.500cm3二、填空题1.1mL=______cm3;0.5cm3=______m3;0.05t=____kg;2.7g/cm3________kg/m3水的密度,它表示的物理意义是。2.若用横梁没有调平衡,指针偏向分度盘中央刻度线左侧的托盘天平称量物体的质量,则称得的结果____(填“偏大”“偏小”或“不变”).3.一本书的页码是180,用天平测量其质量是270g,则每张纸的质量是______kg.4.在“探究同种物质的质量和体积关系”的实验中,小明对A、B两种物质进行了探究,对实验数据进行处理,得到如图所示的图象。(1)从所得的图象来看,同种物质的质量和体积具有_______关系。(2)A、B两种物质中,_________________物质的密度较大。5.若天平的砝码被磨损了,用这样的天平称物体的质量,则测量值偏______.6.在通常情况下空气的密度是1.29Kg/m3,如果教室长8m、宽7m、高度为3.5m,那么教室中空气的质量约为Kg。7.医用氧气瓶中的氧气持续释放后,瓶中氧气的质量、体积、密度(选填:变大、变小、不变)。工人师傅用锉刀把金属工件加工成形的过程中,金属的减小,不变。8、如果把打气筒的出气口封住,在活赛下压的过程中,被密闭的气体的质量,体积密度.(填变大、变小或不变)9、分别由甲、乙两种不同物质组成的两个物体,其质量之比m甲∶m乙=2∶1,体积之比V甲∶V乙=1∶3,则甲、乙两种物质密度之比ρ甲∶ρ乙=_____(3分)10、某同学在测量液体质量和体积关系的实验中,测得数据列表如下:则:(1)该液体的密度=_________...

1、当您付费下载文档后,您只拥有了使用权限,并不意味着购买了版权,文档只能用于自身使用,不得用于其他商业用途(如 [转卖]进行直接盈利或[编辑后售卖]进行间接盈利)。
2、本站所有内容均由合作方或网友上传,本站不对文档的完整性、权威性及其观点立场正确性做任何保证或承诺!文档内容仅供研究参考,付费前请自行鉴别。
3、如文档内容存在违规,或者侵犯商业秘密、侵犯著作权等,请点击“违规举报”。

碎片内容

九年级物理 (多彩物质世界)单元训练 人教新课标版试卷

您可能关注的文档

海博书城+ 关注
实名认证
内容提供者

从事历史教学,热爱教育,高度负责。

确认删除?
VIP
微信客服
  • 扫码咨询
会员Q群
  • 会员专属群点击这里加入QQ群
客服邮箱
回到顶部