电脑桌面
添加小米粒文库到电脑桌面
安装后可以在桌面快捷访问

互换性与测量技术题库VIP专享VIP免费

互换性与测量技术题库_第1页
1/17
互换性与测量技术题库_第2页
2/17
互换性与测量技术题库_第3页
3/17
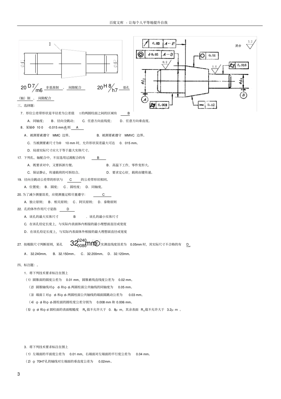
百度文库-让每个人平等地提升自我1互换性与技术测量习题14.一般配合尺寸的公差等级范围为(C)。A.IT1~IT7B.IT2~IT5C.IT5~IT13D.IT8~IT145.当相配孔、轴既要求对准中心,又要求装拆方便时,应选用(C)。A.间隙配合B.过盈配合C.过渡配合D.间隙配合或过渡配合6.形位公差带的形状决定于(D)A.形位公差特征项目B.形位公差标注形式C.被测要素的理想形状D.被测要素的理想形状、形位公差特征项目和标注形式7.在图样上标注形位公差要求,当形位公差前面加注Φ时,则被测要素的公差带形状应为(B)。A.两同心圆B.圆形或圆柱形C.两同轴线圆柱面D.圆形、圆柱形或球形8.径向全跳动公差带的形状和(C)公差带的形状相同。A.同轴度B.圆度C.圆柱度D.位置度9.某实际被测轴线相对于基准轴线的最近点距离为0.04mm,最远点距离为0.08mm,则该实际被测轴线对基准轴线的同轴度误差为(D)。A.0.04mmB.0.08mmC.0.012mmD.0.16mm12.尺寸公差与形位公差采用独立原则时,零件加工后的实际尺寸和形位误差中有一项超差,则该零件(B)。A.合格B.尺寸最大C.不合格D.变形最小14.被测要素的尺寸公差与形位公差的关系采用最大实体要求时,该被测要素的体外作用尺寸不得超出(D)。A.最大实体尺寸B.最小实体尺寸C.实际尺寸D.最大实体实效尺寸15.如果某轴一横截面实际轮廓由直径分别为Φ40.05mm和Φ40.03mm的两个同心圆包容而形成最小包容区域,则该横截面的圆度误差为(C)。A.0.02mmB.0.04mmC.0.01mmD.0.015mm16.选择正确答案,将其序号填入空白处:(2)国家标准规定的尺寸公差等级为D。A1~12共12级B1~18共18级C1~20共20级D01~18共20级17.下列配合中配合性质相同的是A和C。Aφ30H7/g6和φ30G7/h6Bφ30H7/r7和φ30R7/h7Cφ30H8/f8和φ30F8/h8Dφ30K6/h6和φ30H6/k6三、填空题。5.尺寸公差带具有大小和位置两个特性。尺寸公差带的大小,由公差值决定;尺寸公差带的位置由极限偏差决定。7.配合公差带具有大小和位置两个特性。配合公差带的大小,由配合公差值决定;配合公差带的位置由极限间隙或极限过盈决定。9.位置公差可分为:定向、定位和跳动三类。11.某孔的直径为mm03.0050,其轴线的直线度公差在图样上的给定值为01.0mm,则该孔的最大实体尺寸为Φ50mm,最大实体实效尺寸为Φ49.99mm,允许的最大直线度公差为Φ0.04mm。12.体外作用尺寸是工件实际尺寸和形位误差综合的结果,孔的体外作用尺寸总是(大于、等于或小于)孔的实际尺寸,轴的体外尺寸总是(大于、等于或小于)轴的实际尺寸。13.独立原则是指图样上给出被测要素的尺寸公差与形位公差各自独立,彼此无关,分别满足要求的公差原则。这时尺寸公差只控制实际尺寸的变动范围,不控制实际要素的变动。14.孔或轴采用包容要求时,应遵守最大实体边界;最大实体要求应用于被测要素时,被测要素应遵守最大实体实效边界。15.端面全跳动公差带控制端面对基准轴线的垂直度误差,同时它也控制了端面的平面度误差。21.测量表面粗糙度轮廓时,应把测量限制在一段足够短的长度上,这段长度称为取样长度。26.M24×2-5g6g螺纹中,其公称直径为24,大径公差带代号为6g,中径公差带代号为5g,螺距为2mm,旋合长度为N。五.综合题1.按图样021.00720H加工一孔,测得该孔横截面形状正确,实际尺寸处处皆为20.010mm,轴线直线度误差为Φ0.008mm,试述该孔的合格条件,并判断该孔是否合格。百度文库-让每个人平等地提升自我2解:该孔的合格条件:Dfe≥Dmin=20mm,Da≤Dmax=20.021mm,Dfe=Da-f=20.010-0.008=20.002>Dmin故该孔合格4.将下列精度要求标注在图样上。(1)内孔尺寸为Φ30H7,遵守包容要求;(2)圆锥面的圆度公差为0.01mm,母线的直线度公差为0.01mm;(3)圆锥面对内孔的轴线的斜向圆跳动公差为0.02mm;(4)内孔的轴线对右端面垂直度公差为0.01mm。(5)左端面对右端面的平行度公差为0.02mm;(6)圆锥面的表面粗糙度Rz的最大值为6.3μm,其余表面Ra的上限值为3.2μm。互换性与测量技术基础2一、判断题2.30JS6与50JS7的基本偏差是相等的。×∮30G6与∮50G7的基本偏差是相等的。√18.端面全跳动公差和...

1、当您付费下载文档后,您只拥有了使用权限,并不意味着购买了版权,文档只能用于自身使用,不得用于其他商业用途(如 [转卖]进行直接盈利或[编辑后售卖]进行间接盈利)。
2、本站所有内容均由合作方或网友上传,本站不对文档的完整性、权威性及其观点立场正确性做任何保证或承诺!文档内容仅供研究参考,付费前请自行鉴别。
3、如文档内容存在违规,或者侵犯商业秘密、侵犯著作权等,请点击“违规举报”。

碎片内容

互换性与测量技术题库

确认删除?
VIP
微信客服
  • 扫码咨询
会员Q群
  • 会员专属群点击这里加入QQ群
客服邮箱
回到顶部