电脑桌面
添加小米粒文库到电脑桌面
安装后可以在桌面快捷访问

互换性试卷~VIP免费

互换性试卷~_第1页
1/6
互换性试卷~_第2页
2/6
互换性试卷~_第3页
3/6
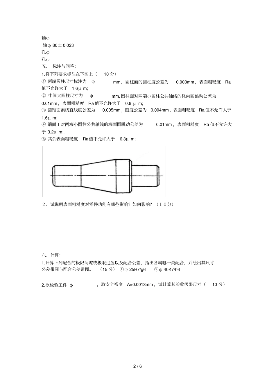
1/6互换性与技术测量试卷一一.是非判断题:(是划“√”非划“×”)(10分)1.只要将零件的基本尺寸一致,则零件就具有互换性。2.数字为正的偏差称为上偏差,数字为负的偏差称为下偏差。3.误差是加工和检测过程中产生的,公差是设计给定的。4.φ10f7、φ10f8分别与φ10H8配合,它们的Xmin值相等。5.若某圆柱面的圆度误差值为0.005mm,则该圆柱面对轴线的径向圆跳动差值亦不小于0.005mm。6.滚动轴承外圈与座孔的配合为基孔制、内圈与轴的配合为基轴制。7.精密粗糙度仪是采用针描原理进行测量的。8.在精密测量中,量块通常是按等使用的。9.已知某配合的Ymax=-25μm,Tf=35μm。则此配合是过渡配合。10.加工零件的实际尺寸愈靠近基本尺寸,就愈准确。二、填空题:(15分)1.若某孔的尺寸标注为φmm,则该零件的MMS为,又称为该零件的;其LMS为,又称为该零件的;而加工允许的尺寸变动范围是,称为该零件的。若加工后测得某孔的实际尺寸为φ30mm,则该零件(是、否)合格。2.φ30F7/h7表示基本尺寸为的基轴(基准)制的配合。其中F7、h6是代号,F、h是代号,7、6表示数。3.极限尺寸判断原则是指孔和轴的尺寸不允许超过其尺寸,并在任何位置上孔和轴的尺寸不允许超过其。4.测量的四要素为:测量对象;测量计量单位;测量方法;测量精确度。5.测量误差按其性质分为三类,即。三、选择题:(10分)1.基本偏差为a~h的轴与基本偏差为H的孔可构成。a.基孔制的间隙配合;b.基轴制的间隙配合;c.基孔制的过渡配合;d.基轴制的过渡配合。2.MMS是的统称。a.Dmax和dmax;b.Dmin和dmin;c.Dmax和dmin;d.Dmin和dmax。3.表面粗糙度评定参数中更能充分反映被测表面的实际情况。a.Ry;b.Rz;c.Ra;d.Sm;e.S;f.tp。4.某键槽中心平面对基准轴线的对称度公差为0.1mm,则该中心平面对基准轴线的允许偏移量为。a.0.1mm;b.0.05mm;c.0.2mm;d.φ0.1mm。5.测量时规定安全裕度,是为了防止检测时出现。a.误废;b.误收;c.系统误差;d.随机误差。四、查表:1.由代号查上、下偏差(10分)φ25E8φ40N7φ50g6φ80n72.由基本尺寸及上下偏差查孔、轴公差带代号(10分)2/6轴φ轴φ80±0.023孔φ孔φ五、标注与问答:1.将下列要求标注在下图上(10分)①两端圆柱尺寸标注为φmm,圆柱面的圆柱度公差为0.003mm,表面粗糙度Ra值不允许大于1.6μm;②中间大圆柱尺寸为φmm,圆柱面对两端小圆柱公共轴线的径向圆跳动公差为0.01mm,表面粗糙度Ra值不允许大于0.8μm;③圆锥面素线直线度公差为0.005mm,圆度公差为0.004mm,表面粗糙度Ra值不允许大于1.6μm;④端面Ⅰ对两端小圆柱公共轴线的端面圆跳动公差为0.01mm,表面粗糙度Ra值不允许大于3.2μm;,⑤其余表面粗糙度Ra值不允许大于6.3μm;2.试说明表面粗糙度对零件功能有哪些影响?如何影响?(10分)六、计算:1.计算下列配合的极限间隙或极限过盈以及配合公差,指出各属哪一类配合,并绘出其尺寸公差带图与配合公差带图。(15分)①φ25H7/g6②φ40K7/h62.欲检验工件φ,取安全裕度A=0.0013mm,试计算其验收极限尺寸(10分)3/6互换性与技术测量试卷二一.是非判断题:(是划“√”非划“×”)(10分)1.只要零件的基本尺寸一致,则零件就具有互换性。2.数字为正的偏差称为上偏差,数字为负的偏差称为下偏差。3.误差是加工和检测过程中产生的,公差是设计给定的。4.φ10f7、φ10f8分别与φ10H8配合,它们的最小间隙值相等。5.平键联接中,键宽与键槽宽的配合采用的是基轴制,而花键孔与花键轴的配合采用的是基孔制。6.滚动轴承外圈与座孔的配合为基孔制、内圈与轴的配合为基轴制。7.螺纹中径尺寸是螺纹大径与小径尺寸的算术平均值。8.在精密测量中,量块通常是按等使用的。9.齿轮的齿侧间隙越大,则齿轮精度越低。10.加工零件的实际尺寸愈靠近基本尺寸,就愈准确。二、填空题:(10分)1.若某孔的尺寸标注为φmm,则该零件的MMS为,又称为该零件的尺寸;其LMS为,又称为该零件的尺寸;而加工允许的尺寸变动范围是,称为该零件的。若加工后测得某孔的实际尺寸为φ50mm,则该零件(是、否)合格。2.尺寸公差标准(GB/T1800-1999)规定的公差等级有级,其中基准孔的基...

1、当您付费下载文档后,您只拥有了使用权限,并不意味着购买了版权,文档只能用于自身使用,不得用于其他商业用途(如 [转卖]进行直接盈利或[编辑后售卖]进行间接盈利)。
2、本站所有内容均由合作方或网友上传,本站不对文档的完整性、权威性及其观点立场正确性做任何保证或承诺!文档内容仅供研究参考,付费前请自行鉴别。
3、如文档内容存在违规,或者侵犯商业秘密、侵犯著作权等,请点击“违规举报”。

碎片内容

互换性试卷~

确认删除?
VIP
微信客服
  • 扫码咨询
会员Q群
  • 会员专属群点击这里加入QQ群
客服邮箱
回到顶部