电脑桌面
添加小米粒文库到电脑桌面
安装后可以在桌面快捷访问

井架安装和拆除施工方案设计VIP免费

井架安装和拆除施工方案设计_第1页
1/17
井架安装和拆除施工方案设计_第2页
2/17
井架安装和拆除施工方案设计_第3页
3/17
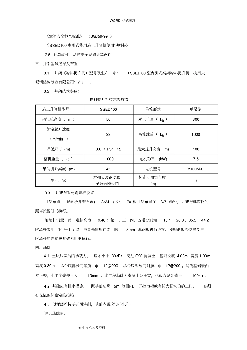
WORD格式整理专业技术参考资料井架安装与拆除施工方案一、工程概况1.1工程名称:草庄社区多层农居公寓Ⅰ标工程1.2工程地点:杭州市江干区笕桥镇草庄村1.3建设单位:江干区农居建设管理中心1.4设计单位:杭州浙华建筑设计事务所1.5监理单位:北京地铁监理公司1.6施工单位:长业建设集团有限公司1.7勘察单位:杭州市勘测设计研究院建设规模:地上建筑面积为33496㎡,地下建筑面积41028㎡(含其他标段),结构类型为剪力墙结构,详见下表:二、编制依据2.1本工程建筑总平面图、工程建筑和结构设计文件和施工组织设计;2.2岩土工程勘察报告及气象资料;2.3SSED100型货用施工升降机说明书;2.4国家、省有关施工升降机设计、施工规范、规程和文件及参考文献。《施工升降机》(GB/T10054-2005)《施工升降机安全规则》(GB10055-1996)《建筑地基基础设计规范》(GB50007-2002)《建筑结构荷载规范》(GB50009-2001)《混凝土结构设计规范》(GB50010-2002)楼号层数建筑高度(m)地上建筑面积(㎡)垂直运输机械选用情况14#楼地下1层地上15层49.3011511.2(SCD200/200AJ)施工电梯15#楼地下1层地上15层49.3011028.3(SCD200/200AJ)施工电梯16#楼地下1层地上15层49.307330.4(SSED100型)井架17#楼地下1层地上15层48.503626.7(SSED100型)井架WORD格式整理专业技术参考资料《建筑安全检查标准》(JGJ59-99)《SSED100曳引式货用施工升降机使用说明书》2.5计算软件:品茗安全设施计算软件三、井架型号选择及布置3.1井架(物料提升机)型号及生产厂家:(SSEDl00型曳引式高架物料提升机,杭州天源钢结构制造有限公司生产)。3.2井架技术参数:物料提升机技术参数表施工升降机型号:SSED100吊笼形式单吊笼架设总高度(m)50对重重量(kg)800额定起升速度(m/min)38吊笼载重(kg)1000吊笼尺寸(m)3.6×1.31×2最大提升高度(m)100整机重量(kg)11000电机功率(kW)7.5吊笼提升高度(m)45电机型号Y160M-6生产厂家杭州天源钢结构制造有限公司标准立角钢长度(m)33.3井架布置与附墙杆设置:井架布置:16#楼井架布置在A/24轴处,17#楼井架布置在A/7轴处,井架与建筑物的距离按说明书执行。附墙杆设置:第一道标高为9.40;第二、三、四、五道分别为18.1、26.8、35.5、44.2。附墙杆采用10号工字钢,与事先预埋在梁上的8mm厚钢板进行铰接。预埋钢板的位置及与附墙杆的连接按井架说明书执行。四、基础4.1土层压实后的承载力,应不小于80kPa;浇注C20混凝土,基础长度4.06m,宽度1.93m高度0.30m;承台底部长向钢筋:φ12@200;承台底部短向钢筋:φ12@200;钢筋基础表面应平整,水平度偏差不大于10mm。本工程基础为素填土经压实,承载力设计值为100kp。4.2基础应有排水措施。距基础边缘5m范围内,开挖沟槽或有较大振动的施工时,必须有保证架体稳定的措施。4.3预埋螺丝按基础图浇制,基础内梁应设排水孔。详见基础图。WORD格式整理专业技术参考资料五、井架安装5.1基座安装:1)将基座安装在已硬化的基础底板砼面上,用水准仪校正好水平,将地脚螺栓拧紧固定,底座安装要平稳、牢固。2)装底架梁:底架梁应于砼基础中心一致并于压板用螺栓紧固,并检查对角线长度允许1/1000以内。5.2架身安装1)架身自底向上逐节安装,竖向杆件拼装时,接头应相互错开,同一平面的接头不应超过2个。2)下节安装时先使螺栓呈放松状态,待上节拼装后,回下去紧固下节所有螺栓,利于校正与安装,依次循环直至完成。3)在安装好第一节后,把导轨装在有孔的平撑上并紧固,依次循环,直至完成。4)安装顶横梁、滑轮组托架梁:以顶连接板用螺栓连接装顶横梁,顶斜杆、顶导轨、顶对重笼导轨、顶加强杆和滑轮组托架梁。5)井架安装应有专人上下指挥,运送钢件应用滑轮,吊物下面不得站人,安装架身应上下呼应,统一指挥。脚下铺无节把的杉木板,厚度≥5cm,操作宽度单侧不小于50cm。6)提升机架体实际安装的高度不得超出设计所允许的最大高度。7)架体安装精度应符合以下规定:新制作的提升机,架体安装的垂直偏差,最大不应超过架体高度的1‰;多次使用过的提升机,在重新安装时,其偏差不应超过3‰,并不得超过200mm。5.3吊笼安...

1、当您付费下载文档后,您只拥有了使用权限,并不意味着购买了版权,文档只能用于自身使用,不得用于其他商业用途(如 [转卖]进行直接盈利或[编辑后售卖]进行间接盈利)。
2、本站所有内容均由合作方或网友上传,本站不对文档的完整性、权威性及其观点立场正确性做任何保证或承诺!文档内容仅供研究参考,付费前请自行鉴别。
3、如文档内容存在违规,或者侵犯商业秘密、侵犯著作权等,请点击“违规举报”。

碎片内容

井架安装和拆除施工方案设计

确认删除?
VIP
微信客服
  • 扫码咨询
会员Q群
  • 会员专属群点击这里加入QQ群
客服邮箱
回到顶部