电脑桌面
添加小米粒文库到电脑桌面
安装后可以在桌面快捷访问

气浮法设计计算VIP免费

气浮法设计计算_第1页
1/12
气浮法设计计算_第2页
2/12
气浮法设计计算_第3页
3/12
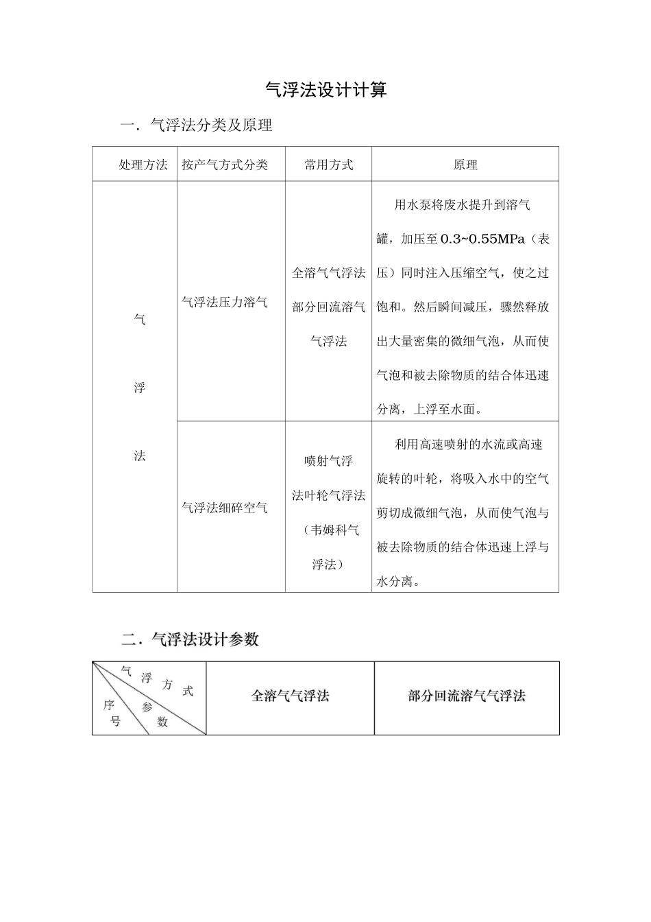
气浮法设计计算一.气浮法分类及原理处理方法按产气方式分类常用方式原理气浮法气浮法压力溶气全溶气气浮法部分回流溶气气浮法用水泵将废水提升到溶气罐,加压至0.3~0.55MPa(表压)同时注入压缩空气,使之过饱和。然后瞬间减压,骤然释放出大量密集的微细气泡,从而使气泡和被去除物质的结合体迅速分离,上浮至水面。气浮法细碎空气喷射气浮法叶轮气浮法(韦姆科气浮法)利用高速喷射的水流或高速旋转的叶轮,将吸入水中的空气剪切成微细气泡,从而使气泡与被去除物质的结合体迅速上浮与水分离。「式序\参\号\数\全溶气气浮法部分回流溶气气浮法1流程示I意丿意图蝌PH5-——\溶气丿繼圧鞍气1■■-辭]〕*气雒■-1'|气凝£2进水水质pH=6.5~8.5含油量vlOOmg/1pH=6.5~8.5含油量vlOOmg/13投加药剂(品种和数量根据实际水质筛选决聚合铝25~35mg/l或硫酸铝60~80mg/l或聚合铁15~30mg/l或有机高分子凝聚剂1~10mg/l聚合铝15~25mg/1或硫酸铝40~60mg/1或聚合铁10~20mg/1或有机高分子凝聚剂1~8mg/14混凝反应管道和水泵混合无反应室管道混合,阻力损失>0.3m或机械混合,搅拌浆叶线速度0.5m/s左右,混合时间4混凝反应管道和水泵混合无反应室2~3min;机械反应室(一级机械搅拌)或平流反应室或旋流反应室或涡流反应室,水流线速度从g方式全溶气气浮法部分回流溶气气浮法丿予\号参、\数\、1.0~1.5m/s降至0.3~0.5m/s,反应时间10~20min5释放器刖管道流速<lm/s出流口流速0.4~0.5m/s工作直径3~110cm宜一间气浮池配一个宜一间气浮池配一个溶气罐高溶气罐,溶气压力2.5~3.5m,溶气压力6溶气罐0.3~0.55MPa表压)溶气时间1~3min高度:0.3~0.55MPa(表压),溶气时间1~3min,高度:直径2~4,直径=2~4,压缩空气压压缩空气压力0.5MPa(表压)力0.5MPa(表压)断面负荷100~200m3/m2h7气泡粒径30~100ym30~100ym为使溶气水和絮凝水充分混合而设置,底部直段8混合室15~20mm/s,上端扩散口5~10mm/s,混合室停留时间<3min,高度!.5~2m气停留时间60~90mii1停留时间40~60min水平流9浮水平流速4~6mm/s有速4~6mm/s,有效水深分效水深1.5~2.5池宽一1.5~2.5,池宽一般为g方式全溶气气浮法部分回流溶气气浮法丿予\号参、\数\、离般为4.5m,3m,2m长4.5m,3m,2m长宽比=3左右,宽比=3左右,间数《2,间数《2,池顶宜加盖。水流下池顶宜加盖。水流下向流向流速1.5~3mm/s,给水浊度速1.5~3mm/s,给水浊<100度,废水浊度>100度,深度<100度,废水浊度1.5~2.5m,2~3mm/s停留度>100度,深度时间10~15min,1~2mm/s停1.5~2.5m,2~3mm/s留时间20~30min。停留时间10~15min1~2mm/s停留时间20~30min链条链板式或行车式,链条链板式或行车式,刮板进刮板进行速度行速度50~100mm/s,推荐逆10刮渣机50~100mm/s,推荐逆刮,也可顺刮。刮,也可顺刮。11出水堰活动调节堰或薄壁堰活动调节堰或薄壁堰12集水管流速0.5m/s三.气浮法设计计算序号项目计算公式符号说明1药剂耗量G=MQ・10-3G母小时药剂(工业品)耗量,kg/hM一投药量(根据筛选试验确定或按经验数据选用),mg/lQ—处理废水量,m3/h2药液量G=G/ciG—药液量,即每小时投加药剂溶1液量,kg/hG每小时药剂耗量,kg/hc—药液重量百分浓度3药剂溶解池容积(般药剂溶解池$2间)W=8KG・10-i38—取每班配制药液一次,即每次配制量供一个班(8小时)使用K—安全系数,一般取K=l.l~1.15G]—每小时投加药液量kg/hW—药剂溶解池容积,m3/间4溶气罐容积(一般每间气浮池宜配一个溶气罐)W=qt/60W—溶气罐有效容积,m3q—单个溶气罐进水量,m3/ht—溶气罐停留时间,一般为1~3min5溶气罐直径D=(4W/nH)0.5D—溶气罐直径,mW—溶气罐有效容积,m3兀一圆周率H—溶气罐圆柱部分高度,m—般HM2m6理论溶解空气量c=736KPTc—理论溶解空气量,ml/L水P—溶气罐绝对压力K—溶解系数见下表T7理论需气量c=736K(p-1)1T=736KpTc一理论需要空气量,ml/L水1p—溶气罐表压,at其他符号同上8实际所需空气量q=cq/1000nq1一溶气罐所需空气量,m3/hc—理论需要溶气量,ml/L水1n—溶气效率,一般为0.6~0.9q—溶气罐进水量,m3/h9供风量q=2nq21q】一每个溶气罐所需空气量,m3/hn—溶气罐个数q—供风量,即供给的空气量,2m3/h2—富裕系数10风...

1、当您付费下载文档后,您只拥有了使用权限,并不意味着购买了版权,文档只能用于自身使用,不得用于其他商业用途(如 [转卖]进行直接盈利或[编辑后售卖]进行间接盈利)。
2、本站所有内容均由合作方或网友上传,本站不对文档的完整性、权威性及其观点立场正确性做任何保证或承诺!文档内容仅供研究参考,付费前请自行鉴别。
3、如文档内容存在违规,或者侵犯商业秘密、侵犯著作权等,请点击“违规举报”。

碎片内容

气浮法设计计算

确认删除?
VIP
微信客服
  • 扫码咨询
会员Q群
  • 会员专属群点击这里加入QQ群
客服邮箱
回到顶部