昆山浮法玻璃厂施工组织设计土建施工目 录综合说明1、 编制说明.............................................12、 工程概况.............
日产 700 吨燃油浮法熔窑及锡槽的初步设计-普通白波摘 要本设计为日产 700 吨浮法熔窑及锡槽的初步设计。采用浮法玻璃成型工艺技术,...
“安全生产百日无事故竞赛”活动总结 根据集团企业文献规定,夏季持续的高温天气将会给作业环境带来不良影响,容易导致从业人员的身心疲劳...
“安全生产百日无事故竞赛”活动总结 根据集团企业文献规定,夏季持续的高温天气将会给作业环境带来不良影响,容易导致从业人员的身心疲劳...
3000 吨/年聚氯乙烯悬浮聚合工艺设计摘 要本设计为年产 3000 吨聚氯乙烯聚合工艺设计,整个设计文件由设计说明书和设计图纸两部分组成...
第 1 页 共 3 8 页 工 艺 说 明 ――悬浮法聚氯乙烯―― 锦化化工集团 一九八七年十月 第 2 页 共 3 8 页 总 说 明...
精品文档---下载后可任意编辑淀粉/AA/AM/MA 反相悬浮法合成高吸水树脂的开题报告一、讨论背景高分子材料具有吸附、分离及稳定性等优点,已...
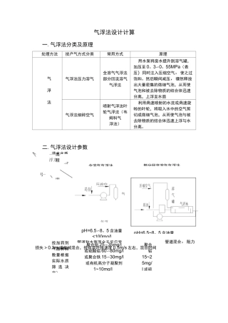
气浮法设计计算一.气浮法分类及原理处理方法按产气方式分类常用方式原理气浮法气浮法压力溶气全溶气气浮法部分回流溶气气浮法用 水 泵 ...
浮法玻璃厂建设标准(建标〔1992〕760号)
气浮法设计计算一.气浮法分类及原理处理方法按产气方式分类常用方式原理气浮法气浮法压力溶气全溶气气浮法部分回流溶气气浮法用水泵将废水...
污水处理技术之气浮法处理含油污水详解所属行业:水处理关键词:污水处理气浮法含油污水在物质生活日趋丰冨的同时,环境污染己成为全球关注...
J浮方序\参号-\数全溶气气浮法部分回流溶气气浮法流程示意图气浮进水水质pH=6.5〜8。5含油量<100mg/lpH=6.5~8。5含油量投加药剂(品种和数...
浮法抛光超光滑表面加工技术浮法抛光技术首先出现于日本,是加工超光滑表面的先进技术之一。本文介绍用浮法抛光加工超光滑表面的机械结构和...
泊星石www.bxsdl.com悬浮法通用型聚氯乙烯树脂SuspensionpolyvinylChlorideresinsofgeneralpurposeGB/T5761-2006代替GB/T5761-19932006-09-...
昆山浮法玻璃厂施工组织设计目录综合说明1、编制说明............................................12、工程概况............................

