电脑桌面
添加小米粒文库到电脑桌面
安装后可以在桌面快捷访问

气浮法设计计算VIP免费

气浮法设计计算_第1页
1/8
气浮法设计计算_第2页
2/8
气浮法设计计算_第3页
3/8
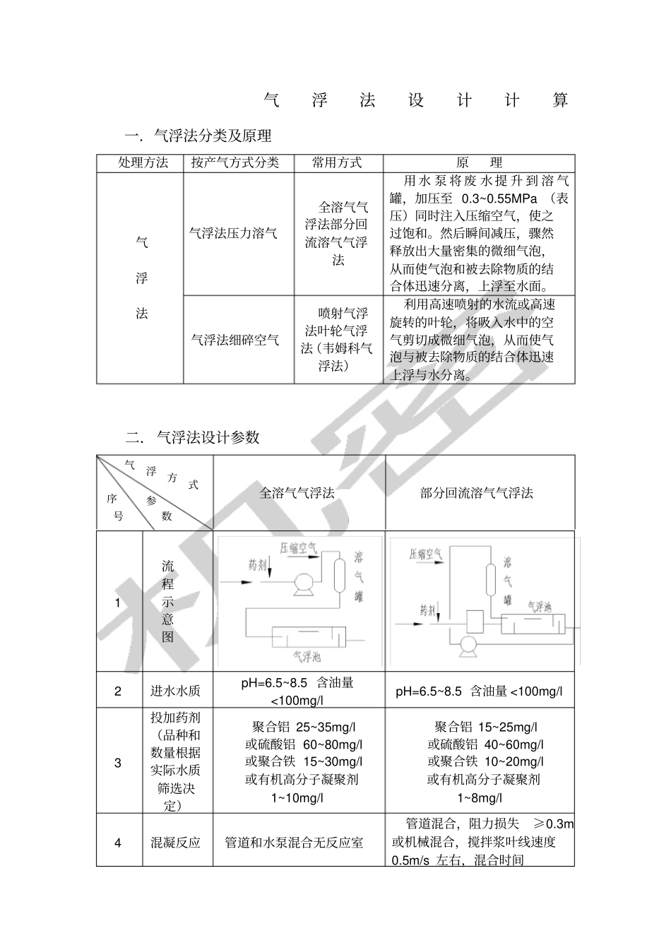
气浮法设计计算一.气浮法分类及原理处理方法按产气方式分类常用方式原理气浮法气浮法压力溶气全溶气气浮法部分回流溶气气浮法用 水 泵 将 废 水 提 升 到 溶 气罐,加压至 0.3~0.55MPa (表压)同时注入压缩空气,使之过饱和。然后瞬间减压,骤然释放出大量密集的微细气泡,从而使气泡和被去除物质的结合体迅速分离,上浮至水面。气浮法细碎空气喷射气浮法叶轮气浮法(韦姆科气浮法)利用高速喷射的水流或高速旋转的叶轮,将吸入水中的空气剪切成微细气泡,从而使气泡与被去除物质的结合体迅速上浮与水分离。二.气浮法设计参数全溶气气浮法部分回流溶气气浮法1 流程示意图2 进水水质pH=6.5~8.5 含油量<100mg/l pH=6.5~8.5 含油量 <100mg/l 3 投加药剂(品种和数量根据实际水质筛选决定)聚合铝 25~35mg/l 或硫酸铝 60~80mg/l 或聚合铁 15~30mg/l 或有机高分子凝聚剂1~10mg/l 聚合铝 15~25mg/l 或硫酸铝 40~60mg/l 或聚合铁 10~20mg/l 或有机高分子凝聚剂1~8mg/l 4 混凝反应管道和水泵混合无反应室管道混合,阻力损失≥0.3m或机械混合,搅拌浆叶线速度0.5m/s 左右,混合时间气浮方式参数序号全溶气气浮法部分回流溶气气浮法4 混凝反应管道和水泵混合无反应室2~3min ;机械反应室(一级机械搅拌)或平流反应室或旋流反应室或涡流反应室,水流线速度从1.0~1.5m/s 降至 0.3~0.5m/s ,反应时间 10~20min 5 释放器前管道流速 <1m/s 出流口流速 0.4~0.5m/s 工作直径3~110cm 6 溶气罐宜一间气浮池配一个溶 气 罐 , 溶 气 压 力0.3~0.55MPa (表压) ,溶气时间 1~3min ,高度:直径=2~4 ,压缩空气压力0.5MPa (表压)宜一间气浮池配一个溶气罐高2.5~3.5m,溶气压力0.3~0.55MPa (表压),溶气时间1~3min ,高度:直径 2~4,压缩空气压力0.5MPa (表压)断面负荷 100~200m 3/m2h 7 气泡粒径30~100μ m30~100μ m8 混合室为使溶气水和絮凝水充分混合而设置,底部直段15~20mm/s ,上端扩散口 5~10mm/s ,混合室停留时间 ≤3min,高度 1.5~2m 9 气浮分离停留时间 60~90min 水平流速 4~6mm/s ,有效水深 1.5~2.5 ,池宽一般为4.5m,3m,2m 。长宽比 =3左右,间数≮ 2,池顶宜加 盖 。 水 流 下 向 流 速1.5~3mm/s , 给 水 浊 度<100 度,废水浊度 >100度 , 深 度1.5~2.5m ,2~3mm/s停 留 时 间10~15min ,1~2mm/s 停留时间 20~30min ...

1、当您付费下载文档后,您只拥有了使用权限,并不意味着购买了版权,文档只能用于自身使用,不得用于其他商业用途(如 [转卖]进行直接盈利或[编辑后售卖]进行间接盈利)。
2、本站所有内容均由合作方或网友上传,本站不对文档的完整性、权威性及其观点立场正确性做任何保证或承诺!文档内容仅供研究参考,付费前请自行鉴别。
3、如文档内容存在违规,或者侵犯商业秘密、侵犯著作权等,请点击“违规举报”。

碎片内容

气浮法设计计算

确认删除?
VIP
微信客服
  • 扫码咨询
会员Q群
  • 会员专属群点击这里加入QQ群
客服邮箱
回到顶部