电脑桌面
添加小米粒文库到电脑桌面
安装后可以在桌面快捷访问

水系统中水流速的推荐值VIP免费

水系统中水流速的推荐值_第1页
1/8
水系统中水流速的推荐值_第2页
2/8
水系统中水流速的推荐值_第3页
3/8
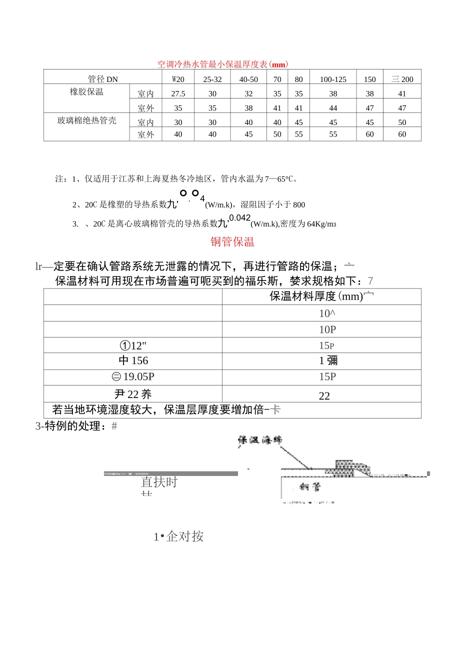
水系统中水流速的推荐值管件1520253240506580闭式系统0.4-0.50.5-0.60.6-0.70.7-0.90.8-1.00.9-1.21.1-1.41.2-1.6开式系统0.3-0.40.4-0.50.5-0.60.6-0.80.7-0.90.8-1.00.9-1.21.1-1.4管径100125150200250300350400闭式系统1.3-1.81.5-2.01.6-2.21.8-2.51.8-2.61.9-2.91.6-2.51.8-2.6开式系统1.2-1.61.4-1.81.5-2.01.6-2.31.7-2.41.7-2.41.6-2.11.8-2.3查表确定冷冻水管管径管径mm202532405065in3/411-1/41-1/222-1/2制冷量KW<5.55.5-1010-3030-4040-6565-120流量m3/h0.5-11-23-45-67-1011-18参照流速m/s0.60.70.811.11.2管径Mm80100125150200250In3456810制冷量KW120-210210-410410-750750-12001200-25002035-3250流量m3/h19-3233-6566-115116-185186-350350-560参照流速m/s1.41.61.9222.6冷凝水管径的简易确定方法空调设备冷量KWW77.1-17.617.7-100101-176177-589599-1055冷凝水管径202532405080注:1.做冷凝水主管是应考虑脏堵问题,最小不小于ND32。2.应合理考虑坡度,从设备接出的支管保证0.01,主管保证0.005。直扶时技空调冷热水管最小保温厚度表(mm)管径DNW2025-3240-507080100-125150三200橡胶保温室内27.530323535383841室外3535384141444747玻璃棉绝热管壳室内3030404045454550室外4040455055556060注:1、仅适用于江苏和上海夏热冬冷地区,管内水温为7—65°C。2、20C是橡塑的导热系数九'°.°4(W/m.k),湿阻因子小于8003.、20C是离心玻璃棉管壳的导热系数九'0.042(W/m.k),密度为64Kg/m3铜管保温lr—定要在确认管路系统无泄露的情况下,再进行管路的保温;亠保温材料可用现在市场普遍可呃买到的福乐斯,婪求规格如下:7保温材料厚度(mm)宀10^10P①12"15P中1561彌㊁19.05P15P尹22养22若当地环境湿度较大,保温层厚度要増加倍-卡3-特例的处理:#kraiwi■iwi■ITMr・I■r・wmranrw1•企对按5巨n冷・H二讥丹■£I#・nJ叮号%'■‘■‘・■尸〔・鼻建筑物冷负荷估算指标建筑物冷负荷W/m2逗留者m2/人照明W/m2送风量l/sm2显冷负荷总冷负荷办公室中部区659510605周边11016010606个人办公室16024015608会议室1852703609学校教室1301902.5409图书馆1301906309自助餐厅1502601.53010公寓咼层,南向110160102010高层,北向8013010209戏院、大会堂11026012012实验室150230105010图书馆、博物馆9515010408医院手术室1103806208公共场所5015010308卫生所、诊所130200104010理发室、美容院11020045010百货商店地下1502501.54012中间层13022526010上层1102003408药店11021033010零售店1101602.54010精品店11016053010酒吧13026021510餐厅11032021712饭店房间8013010157公共场所11016010158工厂装配室1502603.5459轻工业160260153010L(m3/h)=Q(Kw(4.5-5)x1.163x(1.15〜1.2)L(m3/h)=Q(Kw(4.5-5)x1.1631.冷却水流量:一般按照产品样本提供数值选取,或按照如下公式进行计算,公式中的Q为制冷主机制冷量2.冷冻水流量:在没有考虑同时使用率的情况下选定的机组,可根据产品样本提供的数值选用或根据如下公式进行计算。如果考虑了同时使用率,建议用如下公式进行计算。公式中的Q为建筑没有考虑同时使用率情况下的总冷负荷。水泵的选择注意:一般,选择水泵时,水泵的进出口管径应比水泵所在管段的管径小一个型号。例如:水泵所在管段的管径为DN125,那么所选水泵的进出口管径应为DN100。冷冻水泵扬程的组成1•制冷机组蒸发器水阻力:一般为5〜7mH2O;(具体值可参看产品样本)2.末端设备(空气处理机组、风机盘管等)表冷器或蒸发器水阻力:一般为5〜7mH2O;(据体值可参看产品样本)3.回水过滤器阻力,一般为3〜5mH2O;4•分水器、集水器水阻力:一般一个为3mH2O;5.制冷系统水管路沿程阻力和局部阻力损失:一般为7〜10mH2O;综上所述,冷冻水泵扬程为26~35mH2O,—般为32~36mH2O。冷却水泵流量=机组冷凝器水流量的1.5倍冷却水泵扬程的组成1.制冷机组冷凝器水阻力:一般为5~7mH2O;(具体值可参看产品样本)2.冷却塔喷头喷水压力:一般为2〜3mH2O3•冷却塔(开式冷却塔)接水盘到喷嘴的高差:一般为2~3mH2O4.回水过滤器阻力,一般为3〜5mH2O;5.制冷系统水管路沿程阻力和局部阻力损失:一般为5〜...

1、当您付费下载文档后,您只拥有了使用权限,并不意味着购买了版权,文档只能用于自身使用,不得用于其他商业用途(如 [转卖]进行直接盈利或[编辑后售卖]进行间接盈利)。
2、本站所有内容均由合作方或网友上传,本站不对文档的完整性、权威性及其观点立场正确性做任何保证或承诺!文档内容仅供研究参考,付费前请自行鉴别。
3、如文档内容存在违规,或者侵犯商业秘密、侵犯著作权等,请点击“违规举报”。

碎片内容

水系统中水流速的推荐值

您可能关注的文档

确认删除?
VIP
微信客服
  • 扫码咨询
会员Q群
  • 会员专属群点击这里加入QQ群
客服邮箱
回到顶部