电脑桌面
添加小米粒文库到电脑桌面
安装后可以在桌面快捷访问

普通口服固体制剂参比制剂选择和确定指导原则VIP免费

普通口服固体制剂参比制剂选择和确定指导原则_第1页
1/9
普通口服固体制剂参比制剂选择和确定指导原则_第2页
2/9
普通口服固体制剂参比制剂选择和确定指导原则_第3页
3/9
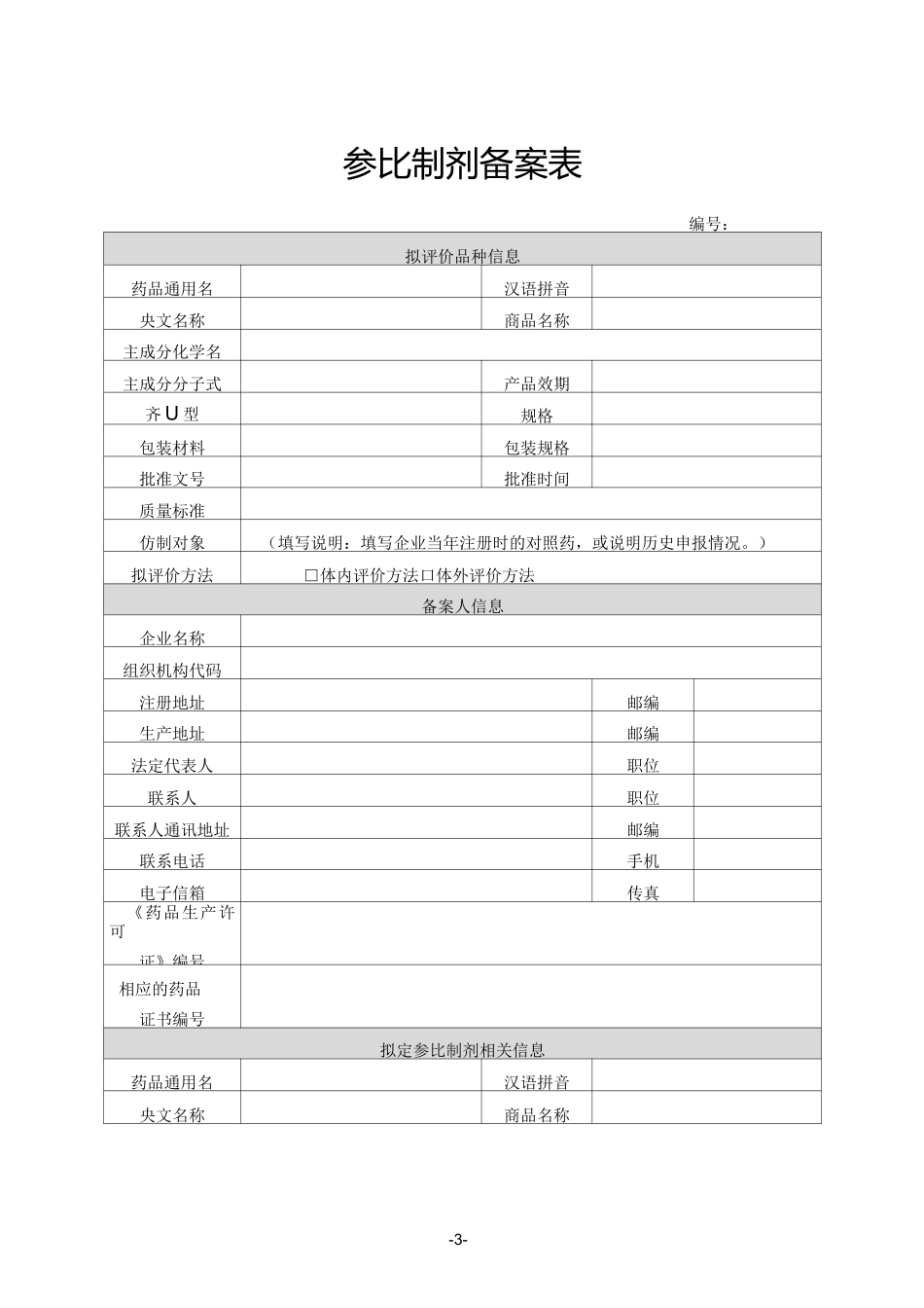
-1-普通口服固体制剂参比制剂选择和确定指导原则本指导原则适用于普通口服固体制剂仿制药质量和疗效一致性评价用参比制剂的选择和确定。一、术语仿制药是指与被仿制药具有相同的活性成分、剂型、给药途径和治疗作用的药品。参比制剂是指用于仿制药质量和疗效一致性评价的对照药品,通常为被仿制的对象,如原研药品或国际公认的同种药物。参比制剂应为处方工艺合理、质量稳定、疗效确切的药品。原研药品是指境内外首个获准上市,且具有完整和充分的安全性、有效性数据作为上市依据的药品。国际公认的同种药物是指在欧盟、美国、日本获准上市并获得参比制剂地位的仿制药。二、选择原则(一)参比制剂首选国内上市的原研药品。作为参比制剂的进口原研药品应与其原产国上市药品一致。若原研企业能证明其地产化药品与原研药品一致,地产化药品也可作为参比制剂使用。(二)若原研药品未在国内上市或有证据证明原研药品不符合参比制剂的条件,也可以选用在国内上市国际公认的同种药物作为参比制剂,其产品应与被列为参比制剂国家的上市药品一致。(三)若原研药品和国际公认的同种药物均未在国内上市,可选择在欧盟、美国、日本上市并被列为参比制剂的药品。三、提出和推荐(一)药品生产企业应按照上述原则,自行选择参比制剂,报食品药品监管总局仿制药质量一致性评价办公室(以下简称一致性评价办公室)备案。参比制剂备案表见附。(二)行业协会可按照上述原则,组织同品种药品生产企业提出参比制剂的选择意见,向一致性评价办公室推荐。参比制剂推荐表见附。(三)原研药品生产企业、国际公认的同种药物生产企业其产品如可满足参比制剂的条件,可主动向一致性评价办公室申报作为参比制剂。参比制剂申报表见附。-2-四、备案和审核(一)药品生产企业应根据国家仿制药质量和疗效一致性评价的任务要求和拟评价品种的情况,开展先期研究,拟定参比制剂,报一致性评价办公室备案。一致性评价办公室在个工作日内未提出异议的,企业即可开展相关研究工作。(二)对企业备案的、行业协会推荐选择的以及企业主动申报的参比制剂,由一致性评价办公室组织专家审核确定。(三)对参比制剂存有争议的,由一致性评价办公室组织专家公开论证后确定。五、参比制剂的要求(一)参比制剂由企业自行购买,应有合法证明文件。在境外购买用于仿制药质量和疗效一致性评价研究用的参比制剂,应提供办理一次性进口所需的《进口药品批件》。其获得参比制剂的批次和数量应满足企业自身研究及药品检验机构复核检验的需要。(二)主动申报作为参比制剂的药品生产企业,应保障参比制剂的质量与可及性。(三)一致性评价办公室可以将企业备案的、行业协会推荐选择的以及企业主动申报的参比制剂信息向社会公开,供药品生产企业参考。(四)食品药品监管总局及时公布确定的参比制剂信息,药品生产企业原则上应选择公布的参比制剂开展一致性评价。附:参比制剂备案表参比制剂推荐表参比制剂申报表-3-参比制剂备案表编号:拟评价品种信息药品通用名汉语拼音央文名称商品名称主成分化学名主成分分子式产品效期齐U型规格包装材料包装规格批准文号批准时间质量标准仿制对象(填写说明:填写企业当年注册时的对照药,或说明历史申报情况。)拟评价方法□体内评价方法口体外评价方法备案人信息企业名称组织机构代码注册地址邮编生产地址邮编法定代表人职位联系人职位联系人通讯地址邮编联系电话手机电子信箱传真《药品生产许可证》编号相应的药品证书编号拟定参比制剂相关信息药品通用名汉语拼音央文名称商品名称-4-主成分化学名主成分分子式产品效期齐U型规格包装材料包装规格批准文号采购国家进口注册证号来源□国内上市□国内生产类型□原研药品□进口□国际公认的同种药物□国外上市持证商生产厂产地质量标准选择理由理由:声明备案人保证:①遵守食品药品监督管理部门关于仿制药质量和疗效一致性评价工作的有关要求及规定;②备案表内容及所提交资料、样品均真实有效、来源合法,未侵犯他人权益;③一并提父的电子文件与打印文件内容完全一致。如查有不实之处,申请人承担由此导致的有关后果。其他特别申明事项:备案单...

1、当您付费下载文档后,您只拥有了使用权限,并不意味着购买了版权,文档只能用于自身使用,不得用于其他商业用途(如 [转卖]进行直接盈利或[编辑后售卖]进行间接盈利)。
2、本站所有内容均由合作方或网友上传,本站不对文档的完整性、权威性及其观点立场正确性做任何保证或承诺!文档内容仅供研究参考,付费前请自行鉴别。
3、如文档内容存在违规,或者侵犯商业秘密、侵犯著作权等,请点击“违规举报”。

碎片内容

普通口服固体制剂参比制剂选择和确定指导原则

确认删除?
VIP
微信客服
  • 扫码咨询
会员Q群
  • 会员专属群点击这里加入QQ群
客服邮箱
回到顶部