电脑桌面
添加小米粒文库到电脑桌面
安装后可以在桌面快捷访问

人工挖孔桩成孔隐蔽验收记录31VIP免费

人工挖孔桩成孔隐蔽验收记录31_第1页
1/16
人工挖孔桩成孔隐蔽验收记录31_第2页
2/16
人工挖孔桩成孔隐蔽验收记录31_第3页
3/16
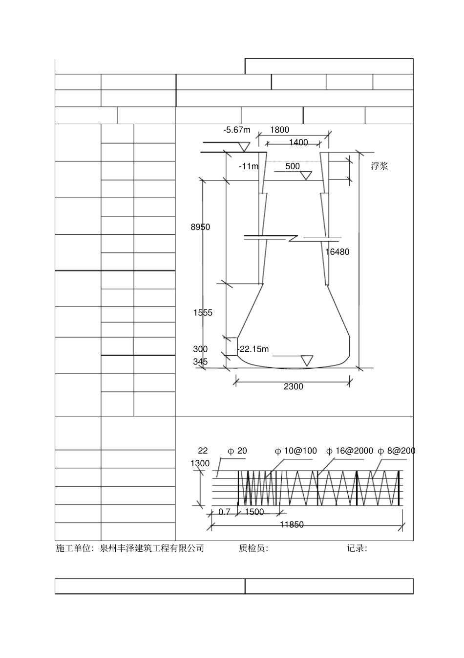
-5.4m18001400-11m500浮浆740014500855300-19.9m345230022φ20φ10@100φ16@2000φ8@20013000.715009600施工单位:泉州丰泽建筑工程有限公司质检员:记录:-5.75m18001400-11m500浮浆9130163801355300-22.13m345230022φ20φ10@100φ16@2000φ8@20013000.7150011830施工单位:泉州丰泽建筑工程有限公司质检员:记录:-5.67m18001400-11m500浮浆8950164801555300-22.15m345230022φ20φ10@100φ16@2000φ8@20013000.7150011850施工单位:泉州丰泽建筑工程有限公司质检员:记录:-6.47m18001400-11m500浮浆903014560345300-21.03m345230022φ20φ10@100φ16@2000φ8@20013000.7150010730施工单位:泉州丰泽建筑工程有限公司质检员:记录:-6.59m18001400-11m500浮浆809014000855300-20.59m345230022φ20φ10@100φ16@2000φ8@20013000.7150010290施工单位:泉州丰泽建筑工程有限公司质检员:记录:-6.2m18001400-11m500浮浆974016040855300-22.24m345230022φ20φ10@100φ16@2000φ8@20013000.7150011940施工单位:泉州丰泽建筑工程有限公司质检员:记录:-6.32m18001400-11m500浮浆956015740855300-22.06m345230022φ20φ10@100φ16@2000φ8@20013000.7150011760施工单位:泉州丰泽建筑工程有限公司质检员:记录:-6.59m17001300-11m500浮浆672012330585300-18.92m31521O024φ18φ10@100φ16@2000φ8@20012000.6315008550施工单位:泉州丰泽建筑工程有限公司质检员:记录:-7.15m17001300-11m500浮浆689011940585300-19.09m315220024φ18φ10@100φ16@2000φ8@20012000.6315008720施工单位:泉州丰泽建筑工程有限公司质检员:记录:-7.27m17001300-11m500浮浆662011550585300-18.82m31521O024φ18φ10@100φ16@2000φ8@20012000.6315008450施工单位:泉州丰泽建筑工程有限公司质检员:记录:-6.96m17001300-11m500浮浆5990118301185300-18.79m315250024φ18φ10@100φ16@2000φ8@20012000.6315008420施工单位:泉州丰泽建筑工程有限公司质检员:记录:-7.9m17001300-11m500浮浆6620118201485300-19.72m315210024φ18φ10@100φ16@2000φ8@20012000.6315009350施工单位:泉州丰泽建筑工程有限公司质检员:记录:-7.95m17001300-11m500浮浆755011800585300-19.75m315210024φ18φ10@100φ16@2000φ8@20012000.6315009380施工单位:泉州丰泽建筑工程有限公司质检员:记录:-8.27m17001300-11m500浮浆721011140585300-19.41m315210024φ18φ10@100φ16@2000φ8@20012000.6315009040施工单位:泉州丰泽建筑工程有限公司质检员:记录:-7.63m17001300-11m500浮浆753012100585300-19.73m315210024φ18φ10@100φ16@2000φ8@20012000.6315009360施工单位:泉州丰泽建筑工程有限公司质检员:记录:-8.29m17001300-11m500浮浆778011690585300-19.98m315210024φ18φ10@100φ16@2000φ8@20012000.6315009610施工单位:泉州丰泽建筑工程有限公司质检员:记录:

1、当您付费下载文档后,您只拥有了使用权限,并不意味着购买了版权,文档只能用于自身使用,不得用于其他商业用途(如 [转卖]进行直接盈利或[编辑后售卖]进行间接盈利)。
2、本站所有内容均由合作方或网友上传,本站不对文档的完整性、权威性及其观点立场正确性做任何保证或承诺!文档内容仅供研究参考,付费前请自行鉴别。
3、如文档内容存在违规,或者侵犯商业秘密、侵犯著作权等,请点击“违规举报”。

碎片内容

人工挖孔桩成孔隐蔽验收记录31

您可能关注的文档

确认删除?
VIP
微信客服
  • 扫码咨询
会员Q群
  • 会员专属群点击这里加入QQ群
客服邮箱
回到顶部