电脑桌面
添加小米粒文库到电脑桌面
安装后可以在桌面快捷访问

钢结构厂房施工工艺VIP免费

钢结构厂房施工工艺_第1页
1/6
钢结构厂房施工工艺_第2页
2/6
钢结构厂房施工工艺_第3页
3/6
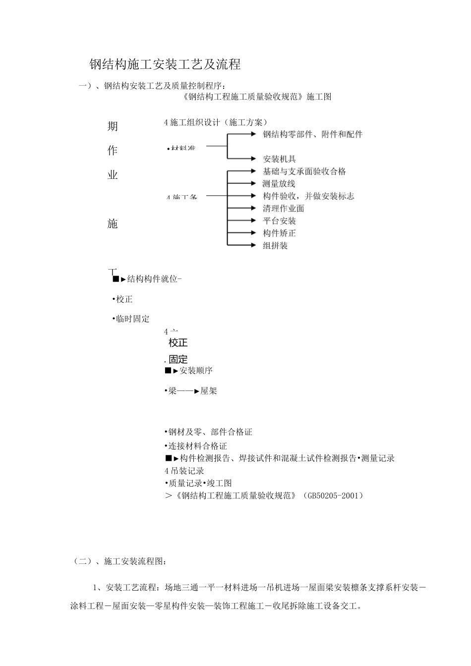
期作业施工钢结构施工安装工艺及流程一)、钢结构安装工艺及质量控制程序:《钢结构工程施工质量验收规范》施工图4施工组织设计(施工方案)■►结构构件就位-•校正•临时固定4亠校正.固定■►安装顺序•梁——►屋架•钢材及零、部件合格证•连接材料合格证■►构件检测报告、焊接试件和混凝土试件检测报告•测量记录4吊装记录•质量记录•竣工图>《钢结构工程施工质量验收规范》(GB50205-2001)(二)、施工安装流程图:1、安装工艺流程:场地三通一平一材料进场一吊机进场一屋面梁安装檩条支撑系杆安装―涂料工程―屋面安装—零星构件安装—装饰工程施工―收尾拆除施工设备交工。•材料准4施工条二、钢结构工程安装1、吊装前准备工作:①、安装前应对基础轴线和标高,预埋板位置、预埋与混凝土紧贴性进行检查,检测和办理交接手续,其基础应符合如下要求:A基础砼强度达到设计要求。B基础的轴线标志和标高基准点准确、齐全。C基础顶面预埋钢板做为梁的支承面,其支承面、预埋板的允许偏差应符合规范要求。项次项目允许偏差1支座表面(1)标咼(2)水平度土1.5mm1/1500i2预埋板位置(注意截面处)(1)在支座范围内(2)在支座范围外±5.0mm±10.0mm②、超出规定的偏差,在吊装之前应设法消除,构件制作允许偏差应符合规范要求。③、准备好所需的吊具、吊索、钢丝绳、电焊机及劳保用品,为调整构件的标高准备好各种规格的铁垫片、钢楔。2、高强度螺栓的连接和固定①钢构件拼装前应检查清除飞边、毛刺、焊接飞溅物等,摩擦面应保持干燥、整洁,不得在雨中作业。②高强度螺栓在大六角头上部有规格和螺栓号,安装时其规格和螺栓号要与设计图上要求相同,螺栓应能自由穿入孔内,不得强行敲打,并不得气割扩孔,穿放方向符合设计图纸的要求。③从构件组装到螺栓拧紧,一般要经过一段时间,为防止高强度螺栓连接副的扭矩系数、标高偏差、预拉力和变异系数发生变化,高强度螺栓不得兼作安装螺栓。④为使被连接板叠密贴,应从螺栓群中央顺序向外施拧,即从节点中刚变大的中央按顺序向下受约束的边缘施拧。为防止高强度螺栓连接副的表面处理涂层发生变化影响预拉力,应在当天终拧完毕,为了减少先拧与后拧的高强度螺栓预拉力的差别,其拧紧必须分为初拧和终拧两步进行,对于大型节点,螺栓数量较多,则需要增加一道复拧工序,复拧扭矩仍等于初拧的扭矩,以保证螺栓均达到初拧值。⑤高强度六角头螺栓施拧采用的扭矩板手和检查采用的扭矩手在班前和班后均应进行扭矩校正。其扭矩误差应分别为使用扭矩的±5%和±3%。对于高强度螺栓终拧后的检查,可用“小锤击法”逐个进行检查,此外应进行扭矩抽查,如果发现欠拧漏拧者,应及时补拧到规定扭矩,如果发现超拧的螺栓应更换。对于高强度大六角螺栓扭矩检查采用“松扣、回扣法”,即先在累平杆的相对应位置划一组直线,然后将螺母退回约30°〜50°,再拧到与细直线重合时测定扭矩,该扭矩与检查扭矩的偏差在检查扭矩的±10%范围内为合格,扭矩检查应在终拧1小时后进行,并在终拧后24小时之内完成检查。⑥高强度螺栓上、下接触面处加有1/20以上斜度时应采用垫圈垫平。高强度螺栓孔必须是钻成的,孔边应无飞边、毛刺,中心线倾斜度不得大于2mm。3、起重机械选择:本工程计划选用汽车式起重机分别承担主立柱、屋架以及其他所有钢构件的装卸及安装。4、屋架的吊装①屋架现场焊接。②吊装采用单榀吊装,吊点采用四点绑扎,绑扎点应用软材料垫至其中以防钢构件受损。起吊时先将屋架吊离地面50cm左右,使屋架中心对准安装位置中心,然后徐徐升钩,将屋架吊至柱顶以上,再用溜绳旋转屋架使其对准柱顶,以使落钩就位,落钩时应缓慢进行,并在屋架刚接触柱顶时即刹车对准预留位置进行垂直度校正由焊工进行焊接最后固定,屋架垂直度用挂线锤检查,以后各榀屋架可用四根校正器作临时固定和校正,屋架经校正后,即可焊接各类支撑及檩条等,并终焊接作最后固定。钢梁安装允许误差:序号项目标准1梁两端顶面咼差L/100且W10mm2主梁与梁面咼差土2.0mm3跨中垂直度H/5004挠曲(侧向)L/1000且WIO.Omm5、钢结构防腐技术:钢构件防腐应充分考虑到该建筑的防腐要求。A、钢构件面...

1、当您付费下载文档后,您只拥有了使用权限,并不意味着购买了版权,文档只能用于自身使用,不得用于其他商业用途(如 [转卖]进行直接盈利或[编辑后售卖]进行间接盈利)。
2、本站所有内容均由合作方或网友上传,本站不对文档的完整性、权威性及其观点立场正确性做任何保证或承诺!文档内容仅供研究参考,付费前请自行鉴别。
3、如文档内容存在违规,或者侵犯商业秘密、侵犯著作权等,请点击“违规举报”。

碎片内容

钢结构厂房施工工艺

确认删除?
VIP
微信客服
  • 扫码咨询
会员Q群
  • 会员专属群点击这里加入QQ群
客服邮箱
回到顶部