电脑桌面
添加小米粒文库到电脑桌面
安装后可以在桌面快捷访问

工程量收方单VIP免费

工程量收方单_第1页
1/10
工程量收方单_第2页
2/10
工程量收方单_第3页
3/10
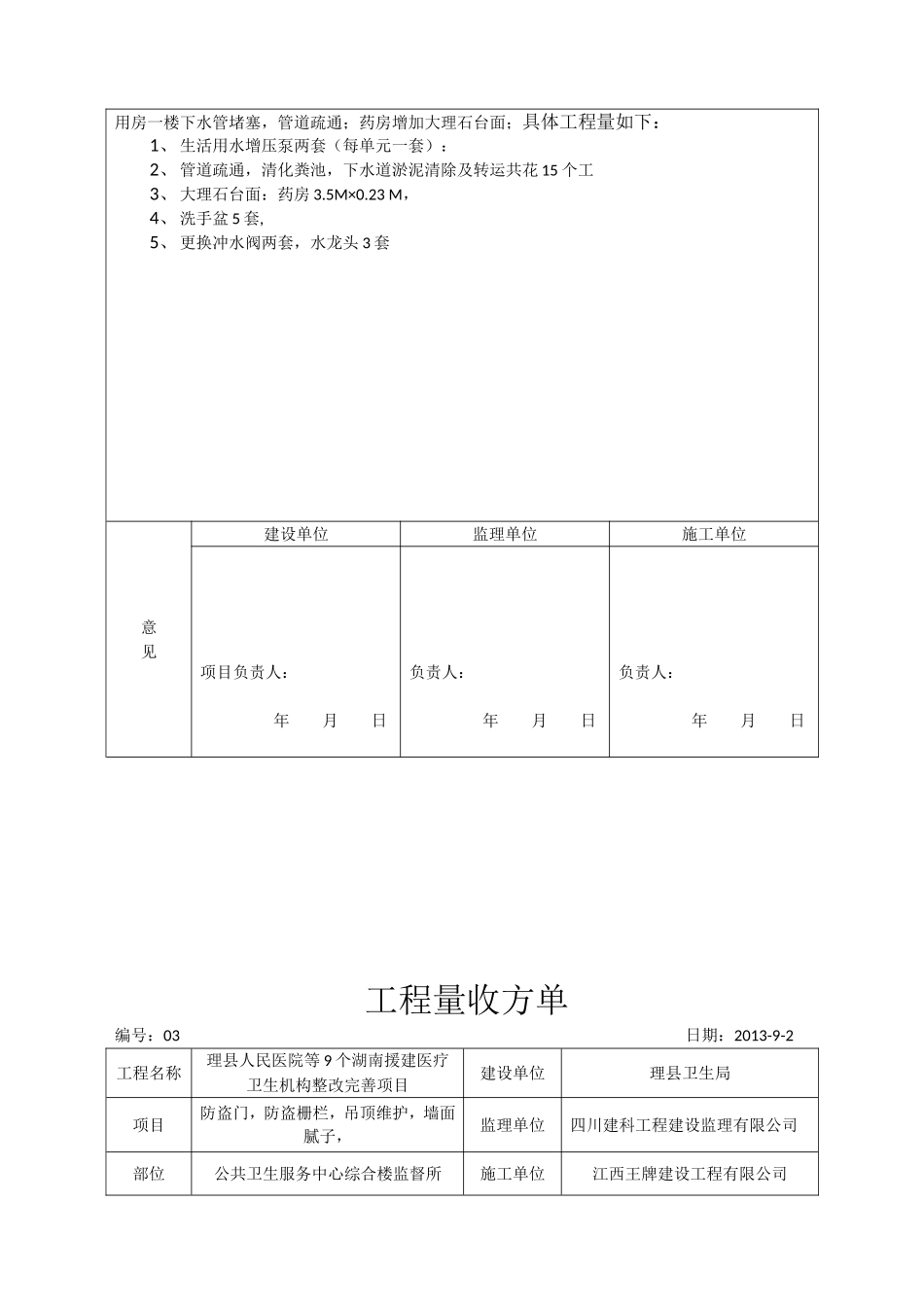
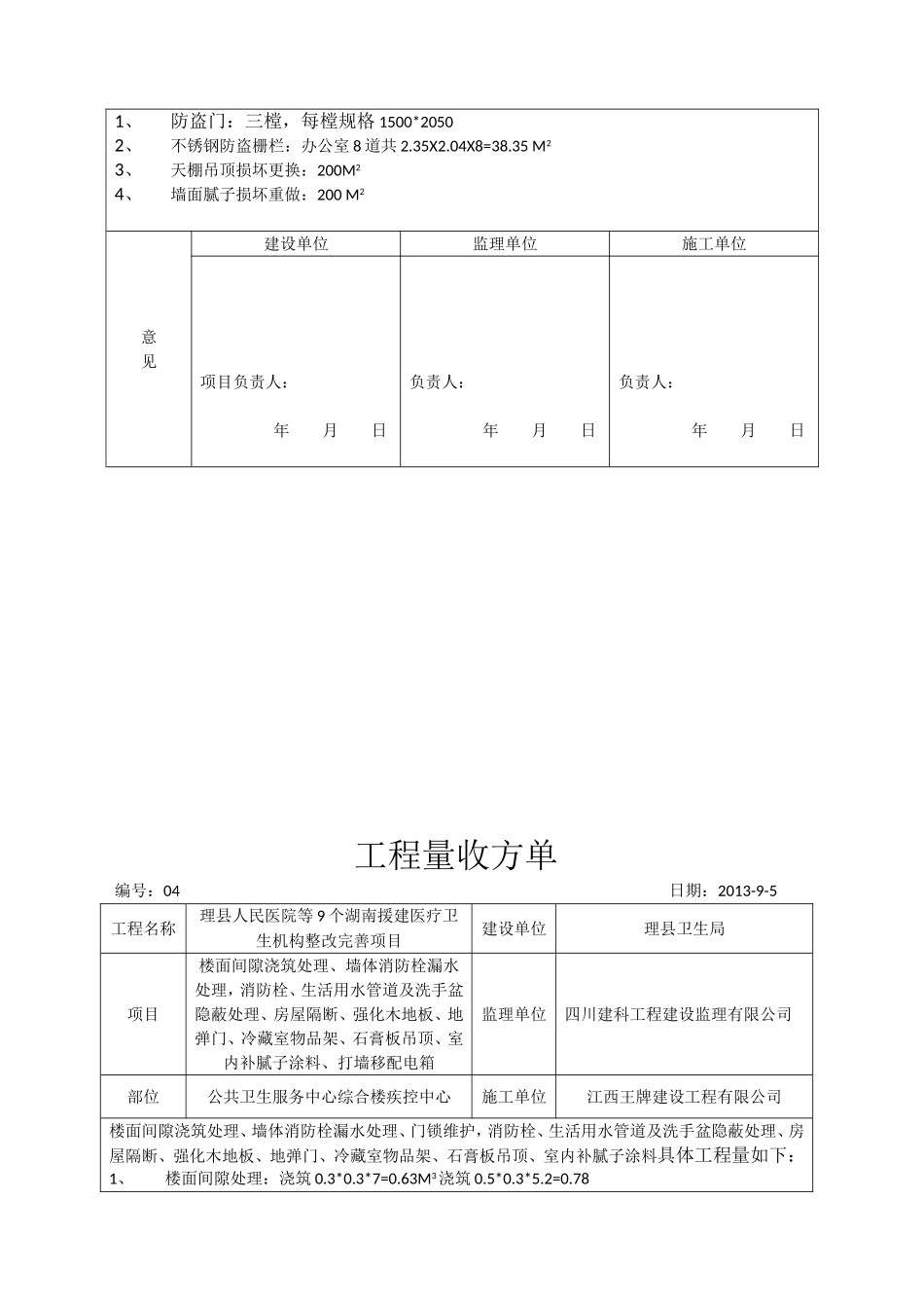
工程量收方单编号:01日期:2013-9-9工程名称理县人民医院等9个湖南援建医疗卫生机构整改完善项目建设单位理县卫生局项目围墙,业务楼、住宿楼用水改造监理单位四川建科工程建设监理有限公司部位蒲溪卫生院施工单位江西王牌建设工程有限公司具体工程量如下:1、拆除原围墙:长9.6M,高1.8M2、新修围墙:15M,高1.8M,零星砌砖1.875M3(抹灰腻子上外墙漆),;铁花栏杆10M,3、拆除物及弃渣人工装车、外运:4M34、主水管零星砌砖1M3;管道掩埋并用混泥土浇筑0.2M厚,0.6M宽,10M长,5、业务楼管道改造:50PE管23M,50直接11个,50球阀8个,50三通7个,50转25直接7个;25PE管39M,25直接25个,带丝三通35个,25转20直接10个;20PE管15M,直接10个,弯头12个带丝直接17个,80CM高压管21根,不锈钢下水8套,25不锈钢水龙头15个。6、室外总水管:PE90管32米,90直接11个,弯头6个,90转50三通5个,90球阀一个,PE50管43M,直接11个弯头4个,三通7个,闸阀5个7、住宿楼改造:PPR20管121M,直接21个,带丝直接20个,三通12个,不锈钢混水阀6套,高压管24根,不锈钢下水6套,不锈钢沐浴花洒6套,不锈钢水龙头12个。8、拆卸业务楼太阳能并移至住宿楼安装,共花杂工10个,其他杂工29个。意见建设单位监理单位施工单位项目负责人:年月日负责人:年月日负责人:年月日工程量收方单编号:02日期:2013-9-10工程名称理县人民医院等9个湖南援建医疗卫生机构整改完善项目建设单位理县卫生局项目增压泵,宿舍楼下水管道疏通,大理石台面监理单位四川建科工程建设监理有限公司部位桃坪卫生院施工单位江西王牌建设工程有限公司卫生院生活用房由于水压不够,三层以上不能上水。特增加全自动生活用水增压泵两台。生活用房一楼下水管堵塞,管道疏通;药房增加大理石台面;具体工程量如下:1、生活用水增压泵两套(每单元一套):2、管道疏通,清化粪池,下水道淤泥清除及转运共花15个工3、大理石台面:药房3.5M×0.23M,4、洗手盆5套,5、更换冲水阀两套,水龙头3套意见建设单位监理单位施工单位项目负责人:年月日负责人:年月日负责人:年月日工程量收方单编号:03日期:2013-9-2工程名称理县人民医院等9个湖南援建医疗卫生机构整改完善项目建设单位理县卫生局项目防盗门,防盗栅栏,吊顶维护,墙面腻子,监理单位四川建科工程建设监理有限公司部位公共卫生服务中心综合楼监督所施工单位江西王牌建设工程有限公司1、防盗门:三樘,每樘规格1500*20502、不锈钢防盗栅栏:办公室8道共2.35X2.04X8=38.35M23、天棚吊顶损坏更换:200M24、墙面腻子损坏重做:200M2意见建设单位监理单位施工单位项目负责人:年月日负责人:年月日负责人:年月日工程量收方单编号:04日期:2013-9-5工程名称理县人民医院等9个湖南援建医疗卫生机构整改完善项目建设单位理县卫生局项目楼面间隙浇筑处理、墙体消防栓漏水处理,消防栓、生活用水管道及洗手盆隐蔽处理、房屋隔断、强化木地板、地弹门、冷藏室物品架、石膏板吊顶、室内补腻子涂料、打墙移配电箱监理单位四川建科工程建设监理有限公司部位公共卫生服务中心综合楼疾控中心施工单位江西王牌建设工程有限公司楼面间隙浇筑处理、墙体消防栓漏水处理、门锁维护,消防栓、生活用水管道及洗手盆隐蔽处理、房屋隔断、强化木地板、地弹门、冷藏室物品架、石膏板吊顶、室内补腻子涂料具体工程量如下:1、楼面间隙处理:浇筑0.3*0.3*7=0.63M3浇筑0.5*0.3*5.2=0.782、墙体消防栓漏水处理:敲墙处理5处,3、管道隐蔽处理:木工板、刷漆,30M2,4、轻型材料楼面垫层,沙浆找平(轻质隔墙板):6.8MX5M=34M2,5、木门一道1004*20006、地弹门2樘:1.5X2.15X2=6.45M27、冷藏室方钢物品架:高1.84M宽0.5M长19.06M,8、石膏板吊顶损坏重做:20M2,9、强化木地板:5200*3600=18.72M210,室内腻子涂料:80M211、打墙移配电箱:材料及人工13个工12、不锈钢防盗护栏:15M213、移动开水器及堵漏修补:三个工14、停车棚:水泥地面铲除8M*2M,15公分混泥土地面8M*2M15、2、3层卫生间:洗手盆大理石裙边两套1.8M×0.3M×216、顶楼窗台防水卷材抹灰:14.7M×1.5M室17、安装轻质隔墙板6.8X3.2=21.76M2,拆...

1、当您付费下载文档后,您只拥有了使用权限,并不意味着购买了版权,文档只能用于自身使用,不得用于其他商业用途(如 [转卖]进行直接盈利或[编辑后售卖]进行间接盈利)。
2、本站所有内容均由合作方或网友上传,本站不对文档的完整性、权威性及其观点立场正确性做任何保证或承诺!文档内容仅供研究参考,付费前请自行鉴别。
3、如文档内容存在违规,或者侵犯商业秘密、侵犯著作权等,请点击“违规举报”。

碎片内容

工程量收方单

确认删除?
VIP
微信客服
  • 扫码咨询
会员Q群
  • 会员专属群点击这里加入QQ群
客服邮箱
回到顶部